數位電子 - 多路複用器



一種數字邏輯電路,它接收多個數據輸入,並允許一次只允許其中一個數據透過輸出,稱為多路複用器或MUX。本文旨在解釋數位電子中的多路複用器,其框圖、功能和不同型別。因此,讓我們從多路複用器的基本介紹開始。

什麼是多路複用器?

如前所述,多路複用器,也稱為MUX,是一種組合邏輯電路,旨在接收多個輸入訊號,並僅透過輸出線傳輸其中一個訊號。簡單來說,多路複用器是一種數字邏輯器件,它從N個(N = 2n)輸入資料來源中選擇一個,並將所選資料傳輸到一條輸出線上。

多路複用器也稱為資料選擇器,因為它從多個數據源中選擇一個。典型2n:1多路複用器的框圖如圖1所示。

Digital Electronics Multiplexer

在多路複用器的情況下,透過選擇線控制所需資料輸入透過輸出線。在圖1中多路複用器的框圖中,I0、I1、... In-1,即(2n)是輸入線,“n”是選擇線。這些選擇線將確定哪個輸入要路由到輸出。

因此,多路複用器充當多位置開關,其操作由數字訊號控制。這些數字控制訊號應用於選擇線,以確定哪個資料輸入將切換到輸出線。

多路複用器的功能

多路複用器是一種數字邏輯器件,用於執行資料的多路複用。其中,多路複用簡單來說就是共享資料。從技術上講,當從多個輸入資料來源中選擇特定資料並將所選資料傳輸到單個輸出通道時,稱為多路複用

有多種型別複用,例如頻分複用和時分複用

當多個裝置連線到系統中的單條傳輸線上時。在任何時間點,只有一個裝置使用線路傳輸資料,這稱為時分複用。另一方面,當多個裝置共享一條公共線路以不同頻率傳輸資料時,稱為頻分複用。

多路複用器的型別

基於輸入資料線和選擇線,多路複用器可以有幾種型別。但是,在本文中,我們只討論以下三種類型的多路複用器:

  • 2×1多路複用器
  • 4×1多路複用器

讓我們分別討論這三種多路複用器。

2×1多路複用器

2×1多路複用器的框圖如圖2所示。2×1多路複用器是基本的兩輸入多路複用器,它有兩個資料輸入線,分別表示為I0和I1,一個數據選擇線,表示為S,一個輸出線,表示為Y。2×1多路複用器用於將兩個1位資料來源連線到一個公共目標。

2 to 1 Multiplexers

在2×1多路複用器中,應用於選擇線S的數字訊號的邏輯電平決定了哪個資料輸入將透過輸出線。可以透過以下真值表理解2×1多路複用器的操作。

選擇線 (S) 輸出 (Y)
0 I0
1 I1

4×1多路複用器

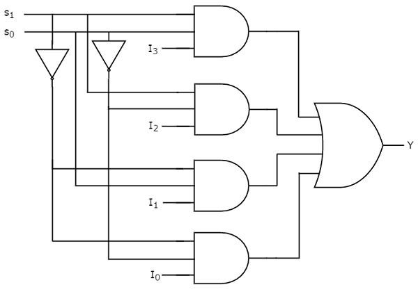
4×1多路複用器有四個資料輸入I3、I2、I1和I0,兩個選擇線s1和s0以及一個輸出Y。4×1多路複用器的框圖如下所示。

4 to 1 Multiplexer

這4個輸入中的一個將連線到輸出,具體取決於這兩個選擇線上存在的輸入組合。4×1多路複用器的真值表如下所示。

選擇線 輸出
S1 S0 Y
0 0 I0
0 1 I1
1 0 I2
1 1 I3

從真值表中,我們可以直接寫出輸出Y的布林函式

$$\mathrm{Y\:=\:{S_{1}}'{S_{0}}'I_{0}\:+\:{S_{1}}'S_{0}I_{1}\:+\:S_{1}{S_{0}}'I_{2}\:+\:S_{1}S_{0}I_{3}}$$

我們可以使用反相器、與門和或門來實現此布林函式。4×1多路複用器的電路圖如下所示。

4 to 1 Multiplexer Circuit Diagram

我們可以很容易地理解上述電路的操作。類似地,您可以透過遵循相同的步驟來實現8×1多路複用器和16×1多路複用器。

高階多路複用器的實現

現在,讓我們使用低階多路複用器來實現以下兩個高階多路複用器。

  • 8×1多路複用器
  • 16×1多路複用器

8×1多路複用器

在本節中,讓我們使用4×1多路複用器和2×1多路複用器來實現8×1多路複用器。我們知道4×1多路複用器有4個數據輸入、2個選擇線和1個輸出。而8×1多路複用器有8個數據輸入、3個選擇線和1個輸出。

因此,我們需要在第一級使用兩個4×1多路複用器來獲得8個數據輸入。由於每個4×1多路複用器產生一個輸出,因此我們需要在第二級使用一個2×1多路複用器,將第一級的輸出作為輸入併產生最終輸出。

假設一個 8×1 多路複用器具有八個資料輸入 I7 到 I0,三個選擇線 s2、s1 和 s0 以及一個輸出 Y。8×1 多路複用器的真值表如下所示。

選擇輸入 輸出
S2 S1 S0 Y
0 0 0 I0
0 0 1 I1
0 1 0 I2
0 1 1 I3
1 0 0 I4
1 0 1 I5
1 1 0 I6
1 1 1 I7

我們可以透過考慮上述真值表,輕鬆地使用低階多路複用器實現 8×1 多路複用器。8×1 多路複用器的框圖如下所示。

8 to 1 Multiplexer

相同的選擇線 s1 和 s0 應用於兩個 4×1 多路複用器。上部 4×1 多路複用器的輸入資料為 I7 到 I4,下部 4×1 多路複用器的輸入資料為 I3 到 I0。因此,每個 4×1 多路複用器都會根據選擇線 s1 和 s0 的值產生一個輸出。

第一級 4×1 多路複用器的輸出作為第二級 2×1 多路複用器的輸入。另一個選擇線 s2 應用於 2×1 多路複用器。

  • 如果 s2 為零,則 2×1 多路複用器的輸出將是 4 個輸入 I3 到 I0 中的一個,具體取決於選擇線 s1 和 s0 的值。

  • 如果 s2 為一,則 2×1 多路複用器的輸出將是 4 個輸入 I7 到 I4 中的一個,具體取決於選擇線 s1 和 s0 的值。

因此,兩個 4×1 多路複用器和一個 2×1 多路複用器的組合整體上表現為一個 8×1 多路複用器。

16×1多路複用器

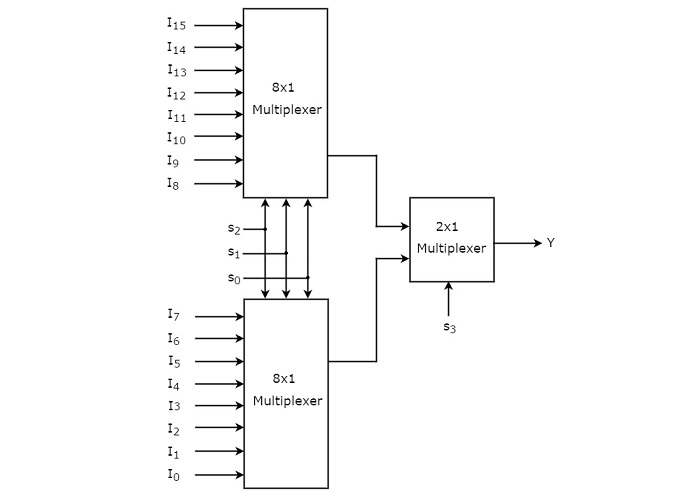
在本節中,讓我們使用 8×1 多路複用器和 2×1 多路複用器來實現 16×1 多路複用器。我們知道 8×1 多路複用器具有 8 個數據輸入、3 個選擇線和 1 個輸出。而 16×1 多路複用器具有 16 個數據輸入、4 個選擇線和 1 個輸出。

因此,為了獲得 16 個數據輸入,我們第一級需要兩個8×1 多路複用器。由於每個 8×1 多路複用器產生一個輸出,因此我們第二級需要一個 2×1 多路複用器,並將第一級的輸出作為輸入,以產生最終輸出。

假設 16×1 多路複用器具有十六個資料輸入 I15 到 I0,四個選擇線 s3 到 s0 以及一個輸出 Y。16×1 多路複用器的真值表如下所示。

選擇輸入 輸出
S3 S2 S1 S0 Y
0 0 0 0 I0
0 0 0 1 I1
0 0 1 0 I2
0 0 1 1 I3
0 1 0 0 I4
0 1 0 1 I5
0 1 1 0 I6
0 1 1 1 I7
1 0 0 0 I8
1 0 0 1 I9
1 0 1 0 I10
1 0 1 1 I11
1 1 0 0 I12
1 1 0 1 I13
1 1 1 0 I14
1 1 1 1 I15

我們可以透過考慮上述真值表,輕鬆地使用低階多路複用器實現 16×1 多路複用器。16×1 多路複用器的框圖如下所示。

16 to 1 Multiplexer

相同的選擇線 s2、s1 和 s0 應用於兩個 8×1 多路複用器。上部 8×1 多路複用器的輸入資料為 I15 到 I8,下部 8×1 多路複用器的輸入資料為 I7 到 I0。因此,每個 8×1 多路複用器都會根據選擇線 s2、s1 和 s0 的值產生一個輸出。

第一級 8×1 多路複用器的輸出作為第二級 2×1 多路複用器的輸入。另一個選擇線 s3 應用於 2×1 多路複用器。

如果 s3 為零,則 2×1 多路複用器的輸出將是 8 個輸入 I7 到 I0 中的一個,具體取決於選擇線 s2、s1 和 s0 的值。

如果 s3 為一,則 2×1 多路複用器的輸出將是 8 個輸入 I15 到 I8 中的一個,具體取決於選擇線 s2、s1 和 s0 的值。

因此,兩個 8×1 多路複用器和一個 2×1 多路複用器的組合整體上表現為一個 16×1 多路複用器。

多路複用器的應用

在數位電子學中,多路複用器在幾乎所有型別的數字系統中都有廣泛的應用。多路複用器的一些重要應用如下:

  • 資料路由和資料選擇
  • 並串轉換
  • 邏輯函式實現
  • 波形產生等。

結論

在本教程中,我們詳細討論了數位電子學中使用的各種型別多路複用器及其功能和應用。

廣告

© . All rights reserved.