- 數位電子教程
- 數位電子 - 首頁
- 數位電子基礎
- 數字系統型別
- 訊號型別
- 邏輯電平和脈衝波形
- 數字系統元件
- 數字邏輯運算
- 數字系統優勢
- 數制
- 數制
- 二進位制數表示
- 二進位制運算
- 帶符號二進位制運算
- 八進位制運算
- 十六進位制運算
- 補碼運算
- 進位制轉換
- 進位制轉換
- 二進位制到十進位制轉換
- 十進位制到二進位制轉換
- 二進位制到八進位制轉換
- 八進位制到二進位制轉換
- 八進位制到十進位制轉換
- 十進位制到八進位制轉換
- 十六進位制到二進位制轉換
- 二進位制到十六進位制轉換
- 十六進位制到十進位制轉換
- 十進位制到十六進位制轉換
- 八進位制到十六進位制轉換
- 十六進位制到八進位制轉換
- 二進位制編碼
- 二進位制編碼
- 8421 BCD碼
- 餘三碼
- 格雷碼
- ASCII碼
- EBCDIC碼
- 編碼轉換
- 錯誤檢測與糾正碼
- 邏輯閘
- 邏輯閘
- 與門
- 或門
- 非門
- 通用門
- 異或門
- 同或門
- CMOS邏輯閘
- 用二極體電阻邏輯實現或門
- 與門與或門的比較
- 雙電平邏輯實現
- 閾值邏輯
- 布林代數
- 布林代數
- 布林代數定律
- 布林函式
- 德摩根定理
- 標準與或式和標準或與式
- 標準或與式到標準或與式
- 化簡技巧
- 卡諾圖化簡
- 三變數卡諾圖
- 四變數卡諾圖
- 五變數卡諾圖
- 六變數卡諾圖
- 無關項
- 奎因-麥克斯拉斯基法
- 最小項和最大項
- 規範式和標準式
- 最大項表示
- 利用布林代數化簡
- 組合邏輯電路
- 數字組合電路
- 數字運算電路
- 多路複用器
- 多路複用器設計流程
- 多路複用器通用門
- 用4:1多路複用器實現2變數函式
- 用8:1多路複用器實現3變數函式
- 多路分配器
- 多路複用器與多路分配器的比較
- 奇偶校驗位發生器和校驗器
- 比較器
- 編碼器
- 鍵盤編碼器
- 優先編碼器
- 譯碼器
- 算術邏輯單元
- 七段LED顯示器
- 程式碼轉換器
- 程式碼轉換器
- 二進位制到十進位制轉換器
- 十進位制到BCD轉換器
- BCD到十進位制轉換器
- 二進位制到格雷碼轉換器
- 格雷碼到二進位制轉換器
- BCD到餘三碼轉換器
- 餘三碼到BCD轉換器
- 加法器
- 半加器
- 全加器
- 序列加法器
- 並行加法器
- 用半加器實現全加器
- 半加器與全加器的比較
- 用與非門實現全加器
- 用與非門實現半加器
- 二進位制加減法器
- 減法器
- 半減器
- 全減器
- 並行減法器
- 用兩個半減器實現全減器
- 用與非門實現半減器
- 時序邏輯電路
- 數字時序電路
- 時鐘訊號和觸發
- 鎖存器
- 移位暫存器
- 移位暫存器應用
- 二進位制暫存器
- 雙向移位暫存器
- 計數器
- 二進位制計數器
- 非二進位制計數器
- 同步計數器設計
- 同步計數器與非同步計數器的比較
- 有限狀態機
- 演算法狀態機
- 觸發器
- 觸發器
- 觸發器轉換
- D觸發器
- JK觸發器
- T觸發器
- SR觸發器
- 帶時鐘SR觸發器
- 無時鐘SR觸發器
- 帶時鐘JK觸發器
- JK觸發器到T觸發器轉換
- SR觸發器到JK觸發器轉換
- 觸發方法:觸發器
- 邊沿觸發觸發器
- 主從JK觸發器
- 競爭冒險現象
- 模數轉換器和數模轉換器
- 模數轉換器
- 數模轉換器
- 數模轉換器和模數轉換器積體電路
- 邏輯閘的實現
- 用與非門實現非門
- 用與非門實現或門
- 用與非門實現與門
- 用與非門實現或非門
- 用與非門實現異或門
- 用與非門實現同或門
- 用或非門實現非門
- 用或非門實現或門
- 用或非門實現與門
- 用或非門實現與非門
- 用或非門實現異或門
- 用或非門實現同或門
- 用CMOS實現與非門/或非門
- 用與非門實現全減器
- 用2:1多路複用器實現與門
- 用2:1多路複用器實現或門
- 用2:1多路複用器實現非門
- 儲存器件
- 儲存器件
- RAM和ROM
- 快取記憶體設計
- 可程式設計邏輯器件
- 可程式設計邏輯器件
- 可程式設計邏輯陣列
- 可程式設計陣列邏輯
- 現場可程式設計門陣列
- 數字電子系列
- 數字電子系列
- CPU架構
- CPU架構
- 數位電子資源
- 數位電子 - 快速指南
- 數位電子 - 資源
- 數位電子 - 討論
多路複用器設計流程及應用
一個**多路複用器 (MUX)**是一個數字組合邏輯電路,它接收多個數據輸入,並一次只允許其中一個數據透過輸出通道傳輸。多路複用器由2n個輸入線、n個選擇線和一個輸出線組成。在多路複用器中,所需資料輸入到輸出通道的路由是由施加到選擇線的邏輯電平完成的。圖1顯示了多路複用器的功能框圖。
本章主要解釋不同型別多路複用器電路的設計流程。更具體地說,我們將討論以下三種類型多路複用器的設計流程:
- 2:1多路複用器
- 4:1多路複用器
- 8:1多路複用器
讓我們現在討論這三種多路複用器的設計。
設計一個2:1多路複用器
2:1多路複用器 (MUX) 有2個輸入線 (I0 和 I1)、1個選擇線 (S) 和1個輸出線 (Y)。施加到選擇線S上的邏輯電平決定哪個資料輸入將透過輸出線。
為了確定2:1多路複用器的輸出 (Y) 的布林表示式及其邏輯電路實現,我們首先需要它的功能表(真值表),該表提供有關電路操作的資訊。下表顯示了具有資料輸入I0和I1的2:1多路複用器的功能表。
| 選擇線 (S) | 輸出 (Y) |
|---|---|
| 0 | I0 |
| 1 | I1 |
使用此真值表,我們可以寫出2:1 MUX輸出的邏輯表示式為:
$$\mathrm{Y\:=\:\bar{S}I_{0} \: + \: SI_{1}}$$
要實現此邏輯表示式,我們需要兩個與門、一個非門和一個或門。圖2顯示了2:1 MUX的邏輯電路。
操作
圖2所示的2:1 MUX的邏輯電路的工作原理如下:
- 當S = 0時,與門A被使能,與門B被停用。因此,輸出Y = I0。
- 當S = 1時,與門A被停用,與門B被使能。因此,輸出Y = I1。
這就是我們如何設計一個2:1多路複用器。
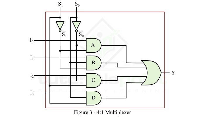
設計一個4:1多路複用器
4:1多路複用器 (MUX) 具有4個輸入線 (I0、I1、I2和I3)、2個選擇線 (S0和S1) 和1個輸出線 (Y)。施加到選擇線S0和S1上的邏輯電平決定哪個資料輸入將傳輸到輸出線。
為了確定4:1多路複用器的輸出 (Y) 的布林表示式及其邏輯電路,我們需要它的功能表(真值表),該表提供有關其電路操作的資訊。下表給出了具有資料輸入I0、I1、I2和I3的4:1多路複用器的功能表。
| 選擇線 | 輸出(Y) | |
|---|---|---|
| S1 | S0 | |
| 0 | 0 | I0 |
| 0 | 0 | I1 |
| 1 | 0 | I2 |
| 1 | 1 | I3 |
使用此真值表,我們可以寫出4:1 MUX輸出的邏輯表示式為:
$$\mathrm{Y=\bar{S_{1}}\bar{S_{0}}I_{0}+\bar{S_{1}}S_{0}I_{1}+S_{1}\bar{S_{0}}I_{2}+S_{1}S_{0}I_{3}}$$
要實現此邏輯表示式,我們需要四個與門、兩個非門和一個或門。因此,4:1 MUX的邏輯電路如圖3所示。
操作
圖3所示的4:1 MUX的邏輯電路的工作原理如下:
- 當S1 = 0且S0 = 0時,與門A被使能,與門B、C和D被停用。因此,輸出Y = I0。
- 當S1 = 0且S0 = 1時,與門B被使能,與門A、C和D被停用。因此,輸出Y = I1。
- 當S1 = 1且S0 = 0時,與門C被使能,與門A、B和D被停用。因此,輸出Y = I2。
- 當S1 = 1且S0 = 1時,與門D被使能,與門A、B和C被停用。因此,輸出Y = I3。
這樣,我們可以設計一個4:1多路複用器。
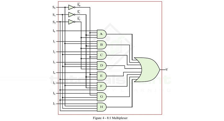
設計8:1多路複用器
8:1多路複用器 (MUX) 是一個組合邏輯電路,它具有8個輸入線 (I0、I1、I2、I3、I4、I5、I6和I7)、3個選擇線 (S0、S1和S2) 和1個輸出線 (Y)。施加到選擇線S0、S1和S2上的邏輯電平決定哪個資料輸入將傳輸到輸出線。
為了確定8:1多路複用器的輸出 (Y) 的邏輯表示式及其邏輯電路,我們需要它的功能表(真值表),該表提供有關其邏輯電路操作的資訊。
下表給出了具有資料輸入I0、I1、I2、I3、I4、I5、I6和I7以及選擇線S0、S1和S2的8:1多路複用器的功能表。
| 選擇線 | 輸出 (Y) | ||
|---|---|---|---|
| S2 | S1 | S0 | |
| 0 | 0 | 0 | I0 |
| 0 | 0 | 1 | I1 |
| 0 | 1 | 0 | I2 |
| 0 | 1 | 1 | I3 |
| 1 | 0 | 0 | I4 |
| 1 | 0 | 1 | I5 |
| 1 | 1 | 0 | I6 |
| 1 | 1 | 1 | I7 |
使用此功能表,我們可以寫出8:1 MUX輸出的邏輯表示式為:
$$\mathrm{Y\:=\:\bar{S_{2}}\bar{S_{1}}\bar{S_{0}}I_{0}+\bar{S_{2}}\bar{S_{1}}S_{0}I_{1}+\bar{S_{2}}S_{1}\bar{S_{0}}I_{2}+\bar{S_{2}}S_{1}S_{0}I_{3}+S_{2}\bar{S_{1}}\bar{S_{0}}I_{4}+S_{2}\bar{S_{1}}S_{0}I_{5}+S_{2}S_{1}\bar{S_{0}}I_{6}+S_{2}S_{1}S_{0}I_{7}}$$
要實現此邏輯表示式,我們需要八個與門、三個非門和一個或門。因此,8:1 MUX的邏輯電路如圖4所示。
操作
圖4所示的8:1 MUX的邏輯電路的工作原理如下:
- 當 S2 = 0,S1 = 0,且 S0 = 0 時,與門 A 被使能,邏輯電路中的所有其他與門都被停用。因此,輸出 Y = I0。
- 當 S2 = 0,S1 = 0,且 S0 = 1 時,與門 B 被使能,邏輯電路中的所有其他與門都被停用。因此,輸出 Y = I1。
- 當 S2 = 0,S1 = 1,且 S0 = 0 時,與門 C 被使能,邏輯電路中的所有其他與門都被停用。因此,輸出 Y = I2。
- 當 S2 = 0,S1 = 1,且 S0 = 1 時,與門 D 被使能,邏輯電路中的所有其他與門都被停用。因此,輸出 Y = I3。
- 當 S2 = 1,S1 = 0,且 S0 = 0 時,與門 E 被使能,邏輯電路中的所有其他與門都被停用。因此,輸出 Y = I4。
- 當 S2 = 1,S1 = 0,且 S0 = 1 時,與門 F 被使能,邏輯電路中的所有其他與門都被停用。因此,輸出 Y = I5。
- 當 S2 = 1,S1 = 1,且 S0 = 0 時,與門 G 被使能,邏輯電路中的所有其他與門都被停用。因此,輸出 Y = I6。
- 當 S2 = 1,S1 = 1,且 S0 = 1 時,與門 H 被使能,邏輯電路中的所有其他與門都被停用。因此,輸出 Y = I7。
透過這種方式,我們可以設計一個 8:1 多路複用器。
多路複用器的應用
多路複用器是數字系統中廣泛使用的組合邏輯電路之一。多路複用器的一些重要應用列在下面。
- 多路複用器用作資料選擇器。
- 多路複用器用於通訊系統以提高系統效率。
- 多路複用器用於電話網路,用於將多個音訊訊號整合到一條傳輸線上。
- 為了維護大量資料,多路複用器也用於計算機儲存系統。
- 多路複用器也用於電視廣播系統。
- 多路複用器用於衛星通訊和 GPS(全球定位系統)。
- 多路複用器也用於 PLC(可程式設計邏輯控制器)系統等。
這就是關於多路複用器設計過程和多路複用器應用的全部內容。