- 網路理論教程
- 網路理論 - 首頁
- 網路理論 - 概述
- 例題
- 網路理論 - 有源元件
- 網路理論 - 無源元件
- 網路理論 - 基爾霍夫定律
- 電路量分配原理
- 網路理論 - 節點分析法
- 網路理論 - 網孔分析法
- 網路理論 - 等效電路
- 等效電路例題
- 三角形-星形變換
- 星形-三角形變換
- 網路理論 - 網路拓撲
- 網路拓撲矩陣
- 疊加定理
- 戴維南定理
- 網路理論 - 諾頓定理
- 最大功率傳輸定理
- 直流電路的響應
- 交流電路的響應
- 網路理論 - 串聯諧振
- 並聯諧振
- 網路理論 - 耦合電路
- 二埠網路
- 二埠引數轉換
- 網路理論 - 濾波器
- 網路理論有用資源
- 網路理論 - 快速指南
- 網路理論 - 有用資源
- 網路理論 - 討論
網路理論 - 戴維南定理
戴維南定理指出,任何一個二端線性網路或電路都可以用一個等效網路或電路來表示,該等效網路或電路由一個電壓源與一個電阻串聯組成。這被稱為戴維南等效電路。線性電路可能包含獨立源、相關源和電阻。
如果電路包含多個獨立源、相關源和電阻,則可以透過將該元件左側的整個網路替換為戴維南等效電路來輕鬆找到元件中的響應。
元件中的響應可以是該元件上的電壓、流過該元件的電流或該元件上耗散的功率。
此概念在下圖中說明。
戴維南等效電路類似於實際電壓源。因此,它具有與電阻串聯的電壓源。
戴維南等效電路中的電壓源稱為戴維南等效電壓或簡稱為戴維南電壓,VTh。
戴維南等效電路中的電阻稱為戴維南等效電阻或簡稱為戴維南電阻,RTh。
求解戴維南等效電路的方法
有三種方法可以找到戴維南等效電路。根據網路中電源的型別,我們可以選擇這三種方法之一。現在,讓我們逐一討論兩種方法。我們將在下一章中討論第三種方法。
方法一
當只有獨立型電源存在時,請按照以下步驟查詢戴維南等效電路。
步驟1 - 透過開啟要找到戴維南等效電路的端子來考慮電路圖。
步驟2 - 找到上述電路開路端子上的戴維南電壓VTh。
步驟3 - 透過消除其中存在的獨立電源,找到上述電路開路端子上的戴維南電阻RTh。
步驟4 - 透過將戴維南電壓VTh與戴維南電阻RTh串聯連線來繪製戴維南等效電路。
現在,我們可以找到位於戴維南等效電路右側的元件中的響應。
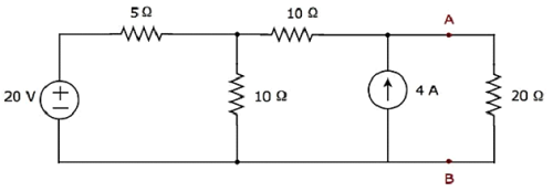
示例
首先找到A和B端子左側的戴維南等效電路,然後求出流過20Ω電阻的電流。
步驟1 - 為了找到A&B端子左側的戴維南等效電路,我們應該透過開啟A&B端子從網路中移除20Ω電阻。修改後的電路圖如下圖所示。
步驟2 - 計算戴維南電壓VTh。
在上圖電路中,除了地線外只有一個主節點。因此,我們可以使用節點分析法。節點電壓V1和戴維南電壓VTh在上圖中已標出。這裡,V1是相對於地線的節點1的電壓,VTh是4A電流源兩端的電壓。
節點1處的節點方程為
$$\frac{V_1 - 20}{5} + \frac{V_1}{10} - 4 = 0$$
$$\Rightarrow \frac{2V_1 - 40 + V_1 - 40}{10} = 0$$
$$\Rightarrow 3V_1 - 80 = 0$$
$$\Rightarrow V_1 = \frac{80}{3}V$$
10Ω串聯支路的電壓為
$$V_{10 \Omega} = (-4)(10) = -40V$$
上述電路中有兩個網孔。圍繞第二個網孔的KVL方程為
$$V_1 - V_{10 \Omega} - V_{Th} = 0$$
將$V_1$和$V_{10 \Omega}$的值代入上述方程。
$$\frac{80}{3} - (-40) - V_{Th} = 0$$
$$V_{Th} = \frac{80 + 120}{3} = \frac{200}{3}V$$
因此,戴維南電壓為$V_{Th} = \frac{200}{3}V$
步驟3 - 計算戴維南電阻RTh。
為了計算A&B端子間的戴維南電阻RTh,將上述電路中的電壓源短路,並開路電流源。修改後的電路圖如下圖所示。
A&B端子間的戴維南電阻將為
$$R_{Th} = \lgroup \frac{5 \times 10}{5 + 10} \rgroup + 10 = \frac{10}{3} + 10 = \frac{40}{3} \Omega$$
因此,戴維南電阻為$\mathbf {R_{Th} = \frac{40}{3} \Omega}$。
步驟4 - 將戴維南等效電路放置在給定電路的A&B端子左側。該電路圖如下圖所示。
透過將VTh、RTh和R的值代入以下方程,可以找到流過20Ω電阻的電流。
$$l = \frac{V_{Th}}{R_{Th} + R}$$
$$l = \frac{\frac{200}{3}}{\frac{40}{3} + 20} = \frac{200}{100} = 2A$$
因此,流過20Ω電阻的電流為2A。
方法二
當存在獨立型和相關型電源時,請按照以下步驟查詢戴維南等效電路。
步驟1 - 透過開啟要找到戴維南等效電路的端子來考慮電路圖。
步驟2 - 找到上述電路開路端子上的戴維南電壓VTh。
步驟3 - 透過將上述電路的兩個開啟的端子短路來找到短路電流ISC。
步驟4 - 使用以下公式查詢戴維南電阻RTh。
$$R_{Th} = \frac{V_{Th}}{I_{SC}}$$
步驟5 - 透過將戴維南電壓VTh與戴維南電阻RTh串聯連線來繪製戴維南等效電路。
現在,我們可以找到位於戴維南等效電路右側的元件中的響應。