
- 網路理論教程
- 網路理論 - 首頁
- 網路理論 - 概述
- 例題
- 網路理論 - 有源元件
- 網路理論 - 無源元件
- 網路理論 - 基爾霍夫定律
- 電量分配原理
- 網路理論 - 節點分析
- 網路理論 - 網孔分析
- 網路理論 - 等效電路
- 等效電路例題
- 三角形-星形變換
- 星形-三角形變換
- 網路理論 - 網路拓撲
- 網路拓撲矩陣
- 疊加定理
- 戴維南定理
- 網路理論 - 諾頓定理
- 最大功率傳輸定理
- 直流電路的響應
- 交流電路的響應
- 網路理論 - 串聯諧振
- 並聯諧振
- 網路理論 - 耦合電路
- 二埠網路
- 二埠引數轉換
- 網路理論 - 濾波器
- 網路理論有用資源
- 網路理論 - 快速指南
- 網路理論 - 有用資源
- 網路理論 - 討論
網路理論 - 諾頓定理
諾頓定理類似於戴維南定理。它指出,任何一個雙端線性網路或電路都可以用一個等效的網路或電路來表示,該網路或電路由一個與電阻並聯的電流源組成。它被稱為諾頓等效電路。線性電路可能包含獨立源、相關源和電阻。
如果一個電路有多個獨立源、相關源和電阻,那麼某個元件上的響應可以透過將該元件左側的整個網路替換為諾頓等效電路來輕鬆找到。
元件上的響應可以是該元件上的電壓、流過該元件的電流或該元件上消耗的功率。
此概念在下面的圖中進行了說明。

諾頓等效電路類似於一個實際的電流源。因此,它有一個與電阻並聯的電流源。
諾頓等效電路中存在的電流源稱為諾頓等效電流或簡稱為諾頓電流 IN。
諾頓等效電路中存在的電阻稱為諾頓等效電阻或簡稱為諾頓電阻 RN。
求諾頓等效電路的方法
有三種方法可以求諾頓等效電路。根據網路中存在的源型別,我們可以選擇這三種方法之一。現在,讓我們逐一討論這三種方法。
方法 1
當只有獨立型別的電源存在時,請按照以下步驟找到諾頓等效電路。
步驟 1 - 透過開啟要查詢諾頓等效電路的端子來考慮電路圖。
步驟 2 - 透過短接上述電路的兩個開啟的端子來找到諾頓電流IN。
步驟 3 - 透過消除步驟 1 中考慮的電路中存在的獨立源,找到電路的開啟端子上的諾頓電阻RN。諾頓電阻RN將與戴維南電阻RTh相同。
步驟 4 - 透過將諾頓電流 IN 與諾頓電阻 RN 並聯連線來繪製諾頓等效電路。
現在,我們可以找到位於諾頓等效電路右側的元件的響應。
方法 2
當獨立型別和相關型別的電源都存在時,請按照以下步驟找到諾頓等效電路。
步驟 1 - 透過開啟要查詢諾頓等效電路的端子來考慮電路圖。
步驟 2 - 找到上述電路的開路端子上的開路電壓VOC。
步驟 3 - 透過短接上述電路的兩個開啟的端子來找到諾頓電流IN。
步驟 4 - 使用以下公式找到諾頓電阻RN。
$$R_N = \frac{V_{OC}}{I_N}$$
步驟 5 - 透過將諾頓電流 IN 與諾頓電阻 RN 並聯連線來繪製諾頓等效電路。
現在,我們可以找到位於諾頓等效電路右側的元件的響應。
方法 3
這是查詢諾頓等效電路的另一種方法。
步驟 1 - 在所需的兩個端子之間找到一個戴維南等效電路。我們知道它由一個戴維南電壓源 VTh 和一個戴維南電阻 RTh 組成。
步驟 2 - 對上述戴維南等效電路應用電源變換技術。我們將得到諾頓等效電路。這裡,
諾頓電流,
$$I_N = \frac{V_{Th}}{R_{Th}}$$
諾頓電阻,
$$R_N = R_{Th}$$
此概念在下面的圖中進行了說明。

現在,我們可以透過將諾頓等效電路放置在該元件的左側來找到元件的響應。
注意 - 同樣,我們可以透過首先找到諾頓等效電路,然後對其應用電源變換技術來找到戴維南等效電路。此概念在下面的圖中進行了說明。

這是查詢戴維南等效電路的方法 3。
示例
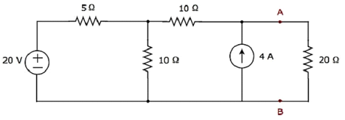
首先找到端子 A 和 B 左側的諾頓等效電路,然後找到流過 20 Ω 電阻的電流。

讓我們使用方法 3解決此問題。
步驟 1 - 在上一章中,我們計算了端子 A 和 B 左側的戴維南等效電路。我們現在可以使用此電路。它顯示在下面的圖中。

這裡,戴維南電壓,$V_{Th} = \frac{200}{3} V$ 和戴維南電阻,$R_{Th} = \frac{40}{3} \Omega$
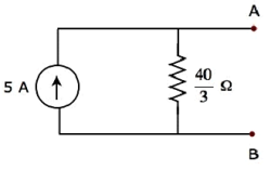
步驟 2 - 對上述戴維南等效電路應用電源變換技術。將VTh 和RTh 的值代入以下諾頓電流公式。
$$I_N = \frac{V_{Th}}{R_{Th}}$$
$$I_N = \frac{\frac{200}{3}}{\frac{40}{3}} = 5A$$
因此,諾頓電流IN 為5 A。
我們知道諾頓電阻RN 與戴維南電阻RTh 相同。
$$\mathbf {R_N = \frac{40}{3} \Omega}$$
與上述戴維南等效電路對應的諾頓等效電路顯示在下面的圖中。

現在,將諾頓等效電路放置在給定電路的端子 A 和 B 的左側。

使用電流分配原理,流過 20 Ω 電阻的電流將為
$$I_{20 \Omega} = 5 \lgroup \frac{\frac{40}{3}}{\frac{40}{3} + 20} \rgroup$$
$$I_{20 \Omega} = 5 \lgroup \frac{40}{100} \rgroup = 2A$$
因此,流過 20 Ω 電阻的電流為2 A。