
- 網路理論教程
- 網路理論 - 首頁
- 網路理論 - 概述
- 例題
- 網路理論 - 有源元件
- 網路理論 - 無源元件
- 網路理論 - 基爾霍夫定律
- 電路量分配原理
- 網路理論 - 節點分析法
- 網路理論 - 網孔分析法
- 網路理論 - 等效電路
- 等效電路例題
- 戴爾塔-星形變換
- 星形-戴爾塔變換
- 網路理論 - 網路拓撲
- 網路拓撲矩陣
- 疊加定理
- 戴維南定理
- 網路理論 - 諾頓定理
- 最大功率傳輸定理
- 直流電路的響應
- 交流電路的響應
- 網路理論 - 串聯諧振
- 並聯諧振
- 網路理論 - 耦合電路
- 二埠網路
- 二埠引數轉換
- 網路理論 - 濾波器
- 網路理論有用資源
- 網路理論 - 快速指南
- 網路理論 - 有用資源
- 網路理論 - 討論
等效電路例題
在上一章中,我們討論了串聯組合和並聯組合的等效電路。本章我們透過考慮相似無源元件的串聯和並聯組合來解決一個例題。
例題
讓我們求解以下電路網路中A&B兩端之間的等效電阻。

我們將透過將上述網路簡化為這兩端之間的一個單一電阻來得到A&B兩端之間的等效電阻。為此,我們必須識別以串聯和並聯形式連線的電阻組合,然後在每一步中找到各自形式的等效電阻。
給定的電路網路被修改成如下所示的形式。

在上圖中,字母C到G用於標記各個節點。
步驟1 - 在上述網路中,兩個6 Ω電阻並聯連線。因此,D&E之間的等效電阻將為3 Ω。這可以透過以下簡化得到。
$$R_{DE} = \frac{6 \times 6}{6 + 6} = \frac{36}{12} = 3 \Omega$$
在上圖網路中,4 Ω和8 Ω的電阻串聯連線。因此,F&G之間的等效電阻將為12 Ω。這可以透過以下簡化得到。
$$R_{FG} = 4 + 8 = 12 \Omega$$
步驟2 - 步驟1之後簡化的電路網路如下圖所示。

在上圖網路中,兩個3 Ω電阻串聯連線。因此,C&E之間的等效電阻將為6 Ω。這可以透過以下簡化得到。
$$R_{CE} = 3 + 3 = 6 \Omega$$
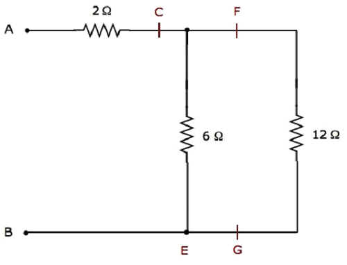
步驟3 - 步驟2之後簡化的電路網路如下圖所示。

在上圖網路中,6 Ω和12 Ω的電阻並聯連線。因此,C&B之間的等效電阻將為4 Ω。這可以透過以下簡化得到。
$$R_{CB} = \frac{6 \times 12}{6 + 12} = \frac{72}{18} = 4 \Omega$$
步驟4 - 步驟3之後簡化的電路網路如下圖所示。

在上圖網路中,2 Ω和4 Ω的電阻在A&B端之間串聯連線。因此,A&B之間的等效電阻將為6 Ω。這可以透過以下簡化得到。
$$R_{AB} = 2 + 4 = 6 \Omega$$
因此,給定電路網路中A&B兩端之間的等效電阻為6 Ω。