網路理論 - 快速指南



網路理論 - 概述

網路理論是研究解決電路或電網路問題的學科。在本入門章節中,讓我們首先討論電路的基本術語和網路元件的型別。

基本術語

在網路理論中,我們經常會遇到以下術語 -

  • 電路
  • 電網路
  • 電流
  • 電壓
  • 功率

因此,在繼續之前,我們必須掌握這些術語的一些基本知識。讓我們從電路開始。

電路

電路包含一個閉合路徑,用於提供電子從電壓源或電流源流出的通路。電路中存在的元件將以串聯連線、並聯連線或串聯和並聯連線的任意組合形式存在。

電網路

電網路不一定包含一個閉合路徑,用於提供電子從電壓源或電流源流出的通路。因此,我們可以得出結論:“所有電路都是電網路”,但反之則不成立。

電流

流過導體的電流“I”只不過是電荷隨時間變化的速率。數學上,可以寫成

$$I = \frac{dQ}{dt}$$

其中,

  • Q是電荷,其單位是庫侖。

  • t是時間,其單位是秒。

作為類比,電流可以被認為是水流過管道。電流以安培為單位測量。

一般來說,電子電流從電源的負極流向正極,而常規電流從電源的正極流向負極。

電子電流是由於自由電子的運動產生的,而常規電流是由於自由正電荷的運動產生的。這兩者都稱為電流

電壓

電壓“V”只不過是一種電動勢,它導致電荷(電子)流動。數學上,可以寫成

$$V = \frac{dW}{dQ}$$

其中,

  • W是勢能,其單位是焦耳。

  • Q是電荷,其單位是庫侖。

作為類比,電壓可以被認為是導致水流過管道的壓力。它以伏特為單位測量。

功率

功率“P”只不過是電能隨時間變化的速率。數學上,可以寫成

$$P = \frac{dW}{dt}$$

其中,

  • W是電能,其單位是焦耳

  • t是時間,以秒為單位。

我們可以將上述方程改寫為

$$P = \frac{dW}{dt} = \frac{dW}{dQ} \times \frac{dQ}{dt} = VI$$

因此,功率只不過是電壓V和電流I乘積。其單位是瓦特

網路元件的型別

我們可以根據某些引數將網路元件分類為各種型別。以下是網路元件的型別 -

  • 有源元件和無源元件

  • 線性元件和非線性元件

  • 雙向元件和單向元件

有源元件和無源元件

我們可以根據傳遞功率的能力將網路元件分類為有源無源

  • 有源元件向電路中存在的其他元件提供功率。有時,它們也可能像無源元件一樣吸收功率。這意味著有源元件既有傳遞功率又有吸收功率的能力。示例:電壓源和電流源。

  • 無源元件無法向其他元件提供功率(能量),但它們可以吸收功率。這意味著這些元件要麼以熱的形式耗散功率,要麼以磁場或電場的形式儲存能量。示例:電阻器、電感器和電容器。

線性元件和非線性元件

我們可以根據元件是否滿足線性特性將網路元件分類為線性非線性

  • 線性元件是指電壓和電流之間呈線性關係的元件。示例:電阻器、電感器和電容器。

  • 非線性元件是指電壓和電流之間不呈線性關係的元件。示例:電壓源和電流源。

雙向元件和單向元件

網路元件還可以根據電流流過網路元件的方向分類為雙向單向

雙向元件是指允許電流在兩個方向流動並在電流流動的任一方向上提供相同阻抗的元件。示例:電阻器、電感器和電容器。

雙向元件的概念在以下圖中進行了說明。

Bilateral Elements

在上圖中,電流 (I) 透過阻抗為Z Ω的無源元件從端子 A 流向端子 B。它是端子 A 和 B 之間該元件的電壓 (V) 與電流 (I) 的比率。

Bilateral

在上圖中,電流 (I) 透過阻抗為Z Ω的無源元件從端子 B 流向端子 A。這意味著電流 (–I) 從端子 A 流向端子 B。在這種情況下,我們也將獲得相同的阻抗值,因為電流和電壓相對於端子 A 和 B 都具有負號。

單向元件是指只允許電流在一個方向流動的元件。因此,它們在兩個方向上提供不同的阻抗。

網路理論 - 示例問題

我們在上一章討論了網路元件的型別。現在,讓我們根據以下示例中給出的 V-I 特性識別網路元件的性質

示例 1

網路元件的V-I 特性如下所示。

Example 1

步驟 1 - 驗證網路元件是線性還是非線性

從上圖可以看出,網路元件的 V-I 特性是一條穿過原點的直線。因此,它是一個線性元件

步驟 2 - 驗證網路元件是有源還是無源

網路元件給定的 V-I 特性位於第一和第三象限。

  • 第一象限中,電壓 (V) 和電流 (I) 的值均為正。因此,電壓 (V) 和電流 (I) 的比率給出正阻抗值。

  • 類似地,在第三象限中,電壓 (V) 和電流 (I) 的值均為負。因此,電壓 (V) 和電流 (I) 的比率產生正阻抗值。

由於給定的 V-I 特性提供正阻抗值,因此網路元件是無源元件

步驟 3 - 驗證網路元件是雙向還是單向

對於特性上的每個點 (I, V),在給定的特性上都存在相應的點 (-I, -V)。因此,網路元件是雙向元件

因此,給定的 V-I 特性表明網路元件是線性、無源雙向元件

示例 2

網路元件的V-I 特性如下所示。

Example 2

步驟 1 - 驗證網路元件是線性還是非線性

從上圖可以看出,網路元件的 V-I 特性僅在點 (-3A, -3V) 和 (5A, 5V) 之間是一條直線。超出這些點,V-I 特性不遵循線性關係。因此,它是一個非線性元件

步驟 2 - 驗證網路元件是有源還是無源

網路元件給定的 V-I 特性位於第一和第三象限。在這兩個象限中,電壓 (V) 和電流 (I) 的比率產生正阻抗值。因此,網路元件是無源元件

步驟 3 - 驗證網路元件是雙向還是單向

考慮特性上的點 (5A, 5V)。相應的點 (-5A, -3V) 存在於給定的特性上,而不是 (-5A, -5V)。因此,網路元件是單向元件

因此,給定的 V-I 特性表明網路元件是非線性、無源單向元件

網路理論 - 有源元件

有源元件是向電路中存在的其他元件提供功率的網路元件。因此,有源元件也稱為電壓源或電流源。我們可以將這些源分類為以下兩類 -

  • 獨立源
  • 受控源

獨立源

顧名思義,獨立源產生固定值的電壓或電流,並且這些值不依賴於任何其他引數。獨立源可以進一步細分為以下兩類 -

  • 獨立電壓源
  • 獨立電流源

獨立電壓源

獨立電壓源在其兩個端子上產生恆定電壓。此電壓與流過電壓源兩個端子的電流大小無關。

獨立理想電壓源及其 V-I 特性如下所示。

Independent VS

獨立理想電壓源的V-I 特性是一條恆定線,始終等於源電壓 (VS),而與電流值 (I) 無關。因此,獨立理想電壓源的內阻為零歐姆。

因此,獨立理想電壓源在實際中不存在,因為會存在一些內阻。

獨立實際電壓源及其 V-I 特性如下所示。

Independent Practical Voltage Source

獨立實際電壓源的伏安特性與獨立理想電壓源的伏安特性存在偏差。這是由於獨立實際電壓源的內阻 (RS) 上存在壓降。

獨立電流源

獨立電流源產生恆定電流。此電流獨立於其兩端之間的電壓。獨立**理想電流源**及其伏安特性如下圖所示。

Independent Current Source

獨立理想電流源的**伏安特性**是一條常數線,始終等於源電流 (IS),而與電壓值 (V) 無關。因此,獨立理想電流源的內阻為無窮大歐姆。

因此,獨立理想電流源**在實際中不存在**,因為總會存在一定的內阻。

獨立**實際電流源**及其伏安特性如下圖所示。

Independent Ideal Current Source

獨立實際電流源的伏安特性與獨立理想電流源的伏安特性存在偏差。這是由於電流流過獨立實際電流源的內並聯電阻 (RS) 的量所致。

受控源

顧名思義,受控源產生的電壓或電流取決於其他某些電壓或電流。受控源也稱為**控制源**。受控源可進一步分為以下兩類:

  • 受控電壓源
  • 受控電流源

受控電壓源

受控電壓源在其兩端產生電壓。此電壓的大小取決於其他某些電壓或電流。因此,受控電壓源可進一步分為以下兩類:

  • 電壓控制電壓源 (VDVS)
  • 電流控制電壓源 (CDVS)

受控電壓源用菱形內部的“+”和“−”符號表示。電壓源的大小可以在菱形外部表示。

受控電流源

受控電流源產生電流。此電流的大小取決於其他某些電壓或電流。因此,受控電流源可進一步分為以下兩類:

  • 電壓控制電流源 (VDCS)
  • 電流控制電流源 (CDCS)

受控電流源用菱形內部的箭頭表示。電流源的大小可以在菱形外部表示。

我們可以在電晶體的等效模型中觀察到這些受控源。

源變換技術

我們知道,存在兩種實際電源,即**電壓源**和**電流源**。在解決網路問題時,我們可以根據需要將一種電源轉換為另一種電源。

將一種電源轉換為另一種電源的技術稱為**源變換技術**。以下兩種可能的源變換:

  • 實際電壓源轉換為實際電流源
  • 實際電流源轉換為實際電壓源

實際電壓源轉換為實際電流源

實際電壓源轉換為實際電流源的變換如下圖所示

Practical voltage source

**實際電壓源**由一個與電阻 (RS) 串聯的電壓源 (VS) 組成。這可以轉換為如下圖所示的實際電流源。它由一個與電阻 (RS) 並聯的電流源 (IS) 組成。

IS 的值將等於 VS 與 RS 的比值。數學上,它可以表示為

$$I_S = \frac{V_S}{R_S}$$

實際電流源轉換為實際電壓源

實際電流源轉換為實際電壓源的變換如下圖所示。

Practical Current source

實際電流源由一個與電阻 (RS) 並聯的電流源 (IS) 組成。這可以轉換為如下圖所示的實際電壓源。它由一個與電阻 (RS) 串聯的電壓源 (VS) 組成。

VS 的值將等於 IS 與 RS 的乘積。數學上,它可以表示為

$$V_S = I_S R_S$$

網路理論 - 無源元件

在本章中,我們將詳細討論無源元件,如電阻、電感和電容。讓我們從電阻開始。

電阻

電阻的主要功能是阻礙或限制電流的流動。因此,電阻用於限制電流的流動和/或分壓(分流)。

假設流過電阻的電流為 I 安培,其兩端的電壓為 V 伏特。以下圖顯示了電阻的**符號**以及電流 I 和電壓 V。

Resistor

根據**歐姆定律**,電阻兩端的電壓等於流過它的電流與其電阻的乘積。**數學上**,它可以表示為

$V = IR$ 公式 1

$\Rightarrow I = \frac{V}{R}$公式 2

其中,R 是電阻的阻值。

從公式 2 可以得出,流過電阻的電流與電阻兩端的電壓成正比,與電阻的阻值成反比。

電路上元件的**功率**可以表示為

$P = VI$公式 3

將公式 1 代入公式 3。

$P = (IR)I$

$\Rightarrow P = I^2 R$公式 4

將公式 2 代入公式 3。

$P = V \lgroup \frac{V}{R} \rgroup$

$\Rightarrow P = \frac{V^2}{R}$公式 5

因此,我們可以使用公式 3 到 5 中的任何一個公式來計算電阻上消耗的功率。

電感

一般來說,電感器會有多個匝數。因此,當電流流過它時,它會產生磁通量。因此,電感器產生的總磁通量取決於流過它的電流 I,並且它們之間存線上性關係。

**數學上**,它可以寫成

$$\Psi \: \alpha \: I$$

$$\Rightarrow \Psi = LI$$

其中,

  • Ψ 是總磁通量

  • L 是電感的電感量

假設流過電感的電流為I安培,其兩端的電壓為V伏特。以下圖顯示了電感的**符號**以及電流I和電壓V

Inductor

根據**法拉第定律**,電感兩端的電壓可以寫成

$$V = \frac{d\Psi}{dt}$$

Ψ = LI代入上式。

$$V = \frac{d(LI)}{dt}$$

$$\Rightarrow V = L \frac{dI}{dt}$$

$$\Rightarrow I = \frac{1}{L} \int V dt$$

從以上公式可以得出,電感兩端的電壓與流過它的電流之間存在**線性關係**。

我們知道,電路上元件的**功率**可以表示為

$$P = VI$$

將$V = L \frac{dI}{dt}$代入上式。

$$P = \lgroup L \frac{dI}{dt}\rgroup I$$

$$\Rightarrow P = LI \frac{dI}{dt}$$

透過對上式積分,我們可以得到儲存在電感中的**能量**為

$$W = \frac{1}{2} LI^2$$

因此,電感以磁場的形式儲存能量。

電容

一般來說,電容器有兩個導電極板,由介電材料隔開。如果在電容器兩端施加正電壓,則它會儲存正電荷。類似地,如果在電容器兩端施加負電壓,則它會儲存負電荷。

因此,儲存在電容器中的電荷量取決於其兩端的電壓V,並且它們之間存線上性關係。數學上,它可以寫成

$$Q \: \alpha \: V$$

$$\Rightarrow Q = CV$$

其中,

  • Q 是儲存在電容器中的電荷。

  • C 是電容器的電容。

假設流過電容器的電流為I安培,其兩端的電壓為V伏特。以下圖顯示了電容器的符號以及電流I和電壓V

Capacitor

我們知道,**電流**只不過是**電荷隨時間的變化率**。數學上,它可以表示為

$$I = \frac{dQ}{dt}$$

將$Q = CV$代入上式。

$$I = \frac{d(CV)}{dt}$$

$$\Rightarrow I = C \frac{dV}{dt}$$

$$\Rightarrow V = \frac{1}{C} \int I dt$$

從以上公式可以得出,電容器兩端的電壓與流過它的電流之間存在**線性關係**。

我們知道,電路上元件的**功率**可以表示為

$$P = VI$$

將$I = C \frac{dV}{dt}$代入上式。

$$P = V \lgroup C \frac{dV}{dt} \rgroup$$

$$\Rightarrow P = CV \frac{dV}{dt}$$

透過對上式積分,我們可以得到儲存在電容器中的**能量**為

$$W = \frac{1}{2}CV^2$$

因此,電容器以電場的形式儲存能量。

網路理論 - 基爾霍夫定律

網路元件可以是**有源**或**無源**型別。任何電路或網路都包含這兩種型別的網路元件之一或兩者組合。

現在,讓我們討論以下兩個定律,它們通常被稱為**基爾霍夫定律**。

  • 基爾霍夫電流定律
  • 基爾霍夫電壓定律

基爾霍夫電流定律

基爾霍夫電流定律 (KCL) 指出,離開(或進入)節點的所有電流的代數和等於零。

**節點**是指兩個或多個電路元件連線在一起的點。如果只有兩個電路元件連線到一個節點,則稱其為簡單節點。如果三個或多個電路元件連線到一個節點,則稱其為**主節點**。

**數學上**,KCL 可以表示為

$$\displaystyle\sum\limits_{m=1}^M I_m = 0$$

其中,

  • Im 是離開節點的第 m 個支路電流。

  • M 是連線到節點的支路數。

上述KCL的陳述也可以表示為“進入節點的所有電流的代數和等於離開節點的所有電流的代數和”。讓我們透過以下示例驗證此陳述。

示例

寫出以下圖中節點P處的KCL方程**。

KCL
  • 在上圖中,支路電流 I1、I2 和 I3**進入**節點 P。因此,對這三個電流考慮負號。

  • 在上圖中,支路電流 I4 和 I5**離開**節點 P。因此,對這兩個電流考慮正號。

節點 P 處的**KCL方程**將為

$$- I_1 - I_2 - I_3 + I_4 + I_5 = 0$$

$$\Rightarrow I_1 + I_2 + I_3 = I_4 + I_5$$

在上式中,左側表示進入電流的總和,而右側表示離開電流的總和。

在本教程中,我們將考慮電流離開節點時為正號,進入節點時為負號。同樣,您也可以考慮電流離開節點時為負號,進入節點時為正號。在這兩種情況下,**結果都相同**。

**注意** - KCL 獨立於連線到節點的網路元件的性質。

基爾霍夫電壓定律

基爾霍夫電壓定律 (KVL) 指出,環路或網孔周圍所有電壓的代數和等於零。

**環路**是指在與起點相同的節點處終止的路徑。相反,**網孔**是指內部不包含任何其他環路的環路。

數學上,KVL 可以表示為

$$\displaystyle\sum\limits_{n=1}^N V_n = 0$$

其中,

  • Vn 是環路(網孔)中第 n 個元件的電壓。

  • N 是環路(網孔)中網路元件的數量。

上述關於基爾霍夫電壓定律(KVL)的陳述也可以表述為:“電壓源的代數和等於迴路中存在的電壓降的代數和。”讓我們透過以下示例來驗證此陳述。

示例

寫出以下電路迴路的KVL方程

KVL

上述電路圖由一個電壓源VS與兩個電阻R1和R2串聯組成。電阻R1和R2上的電壓降分別為V1和V2

在迴路中應用KVL

$$V_S - V_1 - V_2 = 0$$

$$\Rightarrow V_S = V_1 + V_2$$

在上述方程中,左側項表示單個電壓源VS。而右側表示電壓降之和。在本例中,我們只考慮了一個電壓源。因此,左側只包含一項。如果我們考慮多個電壓源,則左側包含電壓源之和。

在本教程中,我們將每個元件電壓的符號視為在迴路周圍移動時遇到的第二個端子的極性。類似地,您可以將每個電壓的符號視為在迴路周圍移動時遇到的第一個端子的極性。在這兩種情況下,結果都相同

注意 - KVL與迴路中存在的網路元件的性質無關。

電量分配原理

在本節中,讓我們討論以下兩種電量的分配原理。

  • 電流分配原理
  • 電壓分配原理

電流分配原理

當兩個或多個無源元件並聯連線時,流過每個元件的電流量將從進入節點的電流中進行分配(共享)。

考慮以下電路圖

Current Division Principle

上述電路圖由一個輸入電流源IS與兩個電阻R1R2並聯組成。每個元件上的電壓為VS。流過電阻R1R2的電流分別為I1I2

節點P處的KCL方程

$$I_S = I_1 + I_2$$

  • 將$I_1 = \frac{V_S}{R_1}$和$I_2 = \frac{V_S}{R_2}$代入上述方程。

$$I_S = \frac{V_S}{R_1} + \frac{V_S}{R_2} = V_S \lgroup \frac {R_2 + R_1 }{R_1 R_2} \rgroup$$

$$\Rightarrow V_S = I_S \lgroup \frac{R_1R_2}{R_1 + R_2} \rgroup$$

  • VS的值代入$I_1 = \frac{V_S}{R_1}$。

$$I_1 = \frac{I_S}{R_1}\lgroup \frac{R_1 R_2}{R_1 + R_2} \rgroup$$

$$\Rightarrow I_1 = I_S\lgroup \frac{R_2}{R_1 + R_2} \rgroup$$

  • VS的值代入$I_2 = \frac{V_S}{R_2}$。

$$I_2 = \frac{I_S}{R_2} \lgroup \frac{R_1 R_2}{R_1 + R_2} \rgroup$$

$$\Rightarrow I_2 = I_S \lgroup \frac{R_1}{R_1 + R_2} \rgroup$$

I1I2的方程中,我們可以概括地說,流過任何無源元件的電流可以透過以下公式求得。

$$I_N = I_S \lgroup \frac{Z_1\rVert Z_2 \rVert...\rVert Z_{N-1}}{Z_1 + Z_2 + ... + Z_N}\rgroup$$

這被稱為電流分配原理,當兩個或多個無源元件並聯連線且只有一個電流進入節點時適用。

其中,

  • IN是流過第N個支路的無源元件的電流。

  • IS是輸入電流,進入節點。

  • Z1, Z2, …,ZN分別是第1個支路、第2個支路、…、第N個支路的阻抗。

電壓分配原理

當兩個或多個無源元件串聯連線時,每個元件上的電壓量將從整個組合上可用的電壓中進行分配(共享)。

考慮以下電路圖

Voltage Division Principle

上述電路圖由一個電壓源VS與兩個電阻R1和R2串聯組成。流過這些元件的電流為IS。電阻R1和R2上的電壓降分別為V1和V2

迴路的KVL方程

$$V_S = V_1 + V_2$$

  • V1 = IS R1V2 = IS R2代入上述方程

$$V_S = I_S R_1 + I_S R_2 = I_S(R_1 + R_2)$$

$$I_S = \frac{V_S}{R_1 + R_2}$$

  • IS的值代入V1 = IS R1

$$V_1 = \lgroup \frac {V_S}{R_1 + R_2} \rgroup R_1$$

$$\Rightarrow V_1 = V_S \lgroup \frac {R_1}{R_1 + R_2} \rgroup$$

  • IS的值代入V2 = IS R2

$$V_2 = \lgroup \frac {V_S}{R_1 + R_2} \rgroup R_2$$

$$\Rightarrow V_2 = V_S \lgroup \frac {R_2}{R_1 + R_2} \rgroup$$

V1V2的方程中,我們可以概括地說,任何無源元件上的電壓可以透過以下公式求得。

$$V_N = V_S \lgroup \frac {Z_N}{Z_1 + Z_2 +....+ Z_N}\rgroup$$

這被稱為電壓分配原理,當兩個或多個無源元件串聯連線且只有一個電壓可用於整個組合時適用。

其中,

  • VN是第N個無源元件上的電壓。

  • VS是輸入電壓,存在於整個串聯無源元件組合上。

  • Z1Z2,…,Z3分別是第1個無源元件、第2個無源元件、…、第N個無源元件的阻抗。

網路理論 - 節點分析

求解任何電網路有兩種基本方法:節點分析網孔分析。在本節中,讓我們討論節點分析方法。

在節點分析中,我們將考慮相對於地面的節點電壓。因此,節點分析也稱為節點電壓法

節點分析步驟

使用節點分析法求解任何電網路或電路時,請遵循以下步驟。

  • 步驟1 - 識別主節點並選擇其中一個作為參考節點。我們將該參考節點視為接地。

  • 步驟2 - 對所有主節點(除參考節點外)相對於地標記節點電壓

  • 步驟3 - 在所有主節點(除參考節點外)處編寫節點方程。節點方程是首先應用KCL,然後應用歐姆定律得到的。

  • 步驟4 - 求解步驟3中得到的節點方程,以獲得節點電壓。

現在,我們可以透過使用節點電壓找到流過任何元件的電流和任何元件上的電壓。

示例

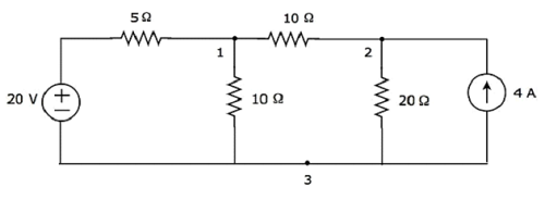
使用節點分析法求以下電路中20 Ω電阻的電流。

Nodal Analysis

步驟1 - 上述電路中有三個主節點。它們在下面的圖中標記為1、2和3。

Three Principle

在上圖中,將節點3作為參考節點(接地)。

步驟2 - 節點電壓V1和V2在下面的圖中標記。

Node Voltages

在上圖中,V1是節點1相對於地面的電壓,V2是節點2相對於地面的電壓。

步驟3 - 在這種情況下,我們將得到兩個節點方程,因為除了接地以外還有兩個主節點1和2。當我們在一個節點處寫節點方程時,假設所有電流都從該節點流出(對於未提及電流方向的節點),並且該節點的電壓大於電路中其他節點電壓。

節點1處的節點方程

$$\frac{V_1 - 20}{5} + \frac{V_1}{10} + \frac{V_1 - V_2}{10} = 0$$

$$\Rightarrow \frac{2 V_1 - 40 + V_1 + V_1 - V_2}{10} = 0$$

$$\Rightarrow 4V_1 - 40 - V_2 = 0$$

$\Rightarrow V_2 = 4V_1 - 40$ 方程1

節點2處的節點方程

$$-4 + \frac{V_2}{20} + \frac{V_2 - V_1}{10} = 0$$

$$\Rightarrow \frac{-80 + V_2 + 2V_2 - 2V_2}{20} = 0$$

$\Rightarrow 3V_2 − 2V_1 = 80$ 方程2

步驟4 - 透過求解方程1和方程2找到節點電壓V1V2

將方程1代入方程2。

$$3(4 V_1 - 40) - 2 V_1 = 80$$

$$\Rightarrow 12 V_1 - 120 - 2V_1 =80$$

$$\Rightarrow 10 V_1 = 200$$

$$\Rightarrow V_1 = 20V$$

V1 = 20 V代入方程1。

$$V_2 = 4(20) - 40$$

$$\Rightarrow V_2 = 40V$$

因此,我們得到了節點電壓V1V2分別為20 V40 V

步驟5 - 20 Ω電阻上的電壓就是節點電壓V2,等於40 V。現在,我們可以使用歐姆定律找到流過20 Ω電阻的電流。

$$I_{20 \Omega} = \frac{V_2}{R}$$

V2和R的值代入上述方程。

$$I_{20 \Omega} = \frac{40}{20}$$

$$\Rightarrow I_{20 \Omega} = 2A$$

因此,給定電路中20 Ω電阻的電流為2 A

注意 - 從上面的例子中,我們可以得出結論,如果電路有'n'個主節點(除參考節點外),則我們必須求解'n'個節點方程。因此,當主節點數(除參考節點外)小於任何電路的網孔數時,我們可以選擇節點分析。

網路理論 - 網孔分析

在網孔分析中,我們將考慮流過每個網孔的電流。因此,網孔分析也稱為網孔電流法

支路是連線兩個節點的路徑,包含一個電路元件。如果一個支路只屬於一個網孔,則支路電流等於網孔電流。

如果一個支路是兩個網孔共有的,則當它們方向相同(或相反)時,支路電流等於兩個網孔電流之和(或差)。

網孔分析步驟

使用網孔分析法求解任何電網路或電路時,請遵循以下步驟。

  • 步驟 1 − 識別網孔併為網孔電流標註方向,順時針或逆時針。

  • 步驟 2 − 觀察透過每個元件的電流,用網孔電流表示。

  • 步驟 3 − 為所有網孔編寫網孔方程。網孔方程是先應用基爾霍夫電壓定律(KVL),再應用歐姆定律得到的。

  • 步驟 4 − 求解步驟 3 中得到的網孔方程,以獲得網孔電流

現在,我們可以利用網孔電流找到給定網路中任何元件的電流和任何元件兩端的電壓。

示例

使用網孔分析法求解30 Ω電阻兩端的電壓。

Mesh analysis

步驟 1 − 上述電路有兩個網孔。網孔電流I1和I2均設定為順時針方向。這些網孔電流如下圖所示。

Mesh Current

步驟 2 − 網孔電流I1流過20 V電壓源和5 Ω電阻。同樣,網孔電流I2流過30 Ω電阻和-80 V電壓源。但是,由於10 Ω電阻是兩個網孔的公共支路,因此透過它的電流是兩個網孔電流I1和I2的差值。

步驟 3 − 在這種情況下,由於給定電路有兩個網孔,我們將得到兩個網孔方程。在編寫網孔方程時,假設該特定網孔的網孔電流大於電路中所有其他網孔電流。

第一個網孔的網孔方程

$$20 - 5I_1 -10(I_1 - I_2) = 0$$

$$\Rightarrow 20 - 15I_1 + 10I_2 = 0$$

$$\Rightarrow 10I_2 = 15I_1 - 20$$

將上述方程除以5。

$$2I_2 = 3I_1 - 4$$

將上述方程乘以2。

$4I_2 = 6I_1 - 8$ 方程 1

第二個網孔的網孔方程

$$-10(I_2 - I_1) - 30I_2 + 80 = 0$$

將上述方程除以10。

$$-(I_2 - I_1) - 3I_2 + 8 = 0$$

$$\Rightarrow -4I_2 + I_1 + 8 = 0$$

$4I_2 = I_1 + 8$ 方程 2

步驟 4 − 透過求解方程 1 和方程 2 來求解網孔電流I1I2

方程 1 和方程 2 的左側項相同。因此,為了找到I1的值,將方程 1 和方程 2 的右側項相等。

$$6I_1 - 8 = I_1 + 8$$

$$\Rightarrow 5I_1 = 16$$

$$\Rightarrow I_1 = \frac{16}{5} A$$

I1的值代入方程 2。

$$4I_2 = \frac{16}{5} + 8$$

$$\Rightarrow 4I_2 = \frac{56}{5}$$

$$\Rightarrow I_2 = \frac{14}{5} A$$

因此,我們得到了網孔電流I1I2分別為$\mathbf{\frac{16}{5}}$ A和$\mathbf{\frac{14}{5}}$ A

步驟 5 − 流過30 Ω電阻的電流就是網孔電流I2,等於$\frac{14}{5}$ A。現在,我們可以使用歐姆定律求解30 Ω電阻兩端的電壓。

$$V_{30 \Omega} = I_2 R$$

I2R的值代入上述方程。

$$V_{30 \Omega} = \lgroup \frac{14}{5} \rgroup 30$$

$$\Rightarrow V_{30 \Omega} = 84V$$

因此,給定電路中30 Ω電阻兩端的電壓為84 V

注 1 − 從上面的例子可以得出結論,如果一個電路有‘m’個網孔,我們就需要求解‘m’個網孔方程。因此,當網孔數量小於任何電路的主節點數(參考節點除外)時,我們可以選擇網孔分析法。

注 2 − 當網孔數量等於任何電路的主節點數(參考節點除外)時,我們可以選擇節點分析法或網孔分析法。

網路理論 - 等效電路

如果一個電路包含兩個或多個相同的無源元件,並且它們僅以串聯或並聯方式連線,那麼我們可以用一個等效的無源元件來代替它們。因此,這個電路稱為等效電路

在本節中,讓我們討論以下兩個等效電路。

  • 串聯等效電路
  • 並聯等效電路

串聯等效電路

如果相同的無源元件串聯連線,則相同的電流將流過所有這些元件。但是,電壓將在每個元件上分配。

考慮以下電路圖

Series Equivalent Circuit

它有一個電壓源(VS)和三個電阻,電阻值分別為R1、R2和R3。所有這些元件都串聯連線。電流IS流過所有這些元件。

上述電路只有一個網孔。該網孔的基爾霍夫電壓定律(KVL)方程

$$V_S = V_1 + V_2 + V_3$$

將$V_1 = I_S R_1, \: V_2 = I_S R_2$和$V_3 = I_S R_3$代入上述方程。

$$V_S = I_S R_1 + I_S R_2 + I_S R_3$$

$$\Rightarrow V_S = I_S(R_1 + R_2 + R_3)$$

上述方程的形式為$V_S = I_S R_{Eq}$,其中,

$$R_{Eq} = R_1 + R_2 + R_3$$

給定電路的等效電路圖如下圖所示。

Equivalent Circuit

這意味著,如果多個電阻串聯連線,則可以用一個等效電阻來代替它們。這個等效電阻的阻值等於所有這些多個電阻阻值的總和。

注 1 − 如果‘N’個電感,其電感值分別為L1、L2、…、LN,串聯連線,則等效電感將為

$$L_{Eq} = L_1 + L_2 + ... + L_N$$

注 2 − 如果‘N’個電容,其電容值分別為C1、C2、…、CN,串聯連線,則等效電容將為

$$\frac{1}{C_{Eq}} = \frac{1}{C_1} + \frac{1}{C_2} + ... + \frac{1}{C_N}$$

並聯等效電路

如果相同的無源元件並聯連線,則每個元件兩端將保持相同的電壓。但是,流過每個元件的電流將被分配。

考慮以下電路圖

Parallel Equivalent Circuit

它有一個電流源(IS)和三個電阻,電阻值分別為R1、R2和R3。所有這些元件都並聯連線。電壓(VS)出現在所有這些元件的兩端。

上述電路只有一個主節點(P),接地節點除外。該主節點(P)的基爾霍夫電流定律(KCL)方程

$$I_S = I_1 + I_2 + I_3$$

將$I_1 = \frac{V_S}{R_1}, \: I_2 = \frac{V_S}{R_2}$和$I_3 = \frac{V_S}{R_3}$代入上述方程。

$$I_S = \frac{V_S}{R_1} + \frac{V_S}{R_2} + \frac{V_S}{R_3}$$

$$\Rightarrow I_S = V_S \lgroup \frac{1}{R_1} + \frac{1}{R_2} + \frac{1}{R_3} \rgroup$$

$$\Rightarrow V_S = I_S\left [ \frac{1}{\lgroup \frac{1}{R_1} + \frac{1}{R_2} + \frac{1}{R_3} \rgroup} \right ]$$

上述方程的形式為VS = ISREq,其中,

$$R_{Eq} = \frac{1}{\lgroup \frac{1}{R_1} + \frac{1}{R_2} + \frac{1}{R_3} \rgroup}$$

$$\frac{1}{R_{Eq}} = \frac{1}{R_1} + \frac{1}{R_2} + \frac{1}{R_3}$$

給定電路的等效電路圖如下圖所示。

Parallel Circuit

這意味著,如果多個電阻並聯連線,則可以用一個等效電阻來代替它們。這個等效電阻的阻值等於所有這些多個電阻的每個阻值的倒數之和的倒數。

注 1 − 如果‘N’個電感,其電感值分別為L1、L2、…、LN,並聯連線,則等效電感將為

$$\frac{1}{L_{Eq}} = \frac{1}{L_1} + \frac{1}{L_2} + ... + \frac{1}{L_N}$$

注 2 − 如果‘N’個電容,其電容值分別為C1、C2、…、CN,並聯連線,則等效電容將為

$$C_{Eq} = C_1 + C_2 + ... + C_N$$

等效電路示例問題

在上一節中,我們分別討論了串聯組合和並聯組合的等效電路。在本節中,讓我們透過考慮相同無源元件的串聯和並聯組合來解決一個示例問題。

示例

讓我們求解以下電網路中A&B端子間的等效電阻

Equivalent Resistance

我們將透過將上述網路簡化為這兩個端子之間的一個電阻來獲得A&B端子間的等效電阻。為此,我們必須識別串聯和並聯連線的電阻組合,然後在每一步中找到相應形式的等效電阻。

給定的電網路修改為以下形式,如下圖所示。

Modified Equivalent Resistance

在上圖中,字母C到G用於標記不同的端子。

步驟 1 − 在上述網路中,兩個6 Ω電阻並聯連線。因此,D&E之間的等效電阻將為3 Ω。這可以透過以下簡化得到。

$$R_{DE} = \frac{6 \times 6}{6 + 6} = \frac{36}{12} = 3 \Omega$$

在上述網路中,4 Ω8 Ω電阻串聯連線。因此,F&G之間的等效電阻將為12 Ω。這可以透過以下簡化得到。

$$R_{FG} = 4 + 8 = 12 \Omega$$

步驟 2步驟 1之後簡化的電網路如下圖所示。

Network Resistance

在上述網路中,兩個3 Ω電阻串聯連線。因此,C&E之間的等效電阻將為6 Ω。這可以透過以下簡化得到。

$$R_{CE} = 3 + 3 = 6 \Omega$$

步驟 3步驟 2之後簡化的電網路如下圖所示。

Simplified Network

在上述網路中,6 Ω12 Ω電阻並聯連線。因此,C&B之間的等效電阻將為4 Ω。這可以透過以下簡化得到。

$$R_{CB} = \frac{6 \times 12}{6 + 12} = \frac{72}{18} = 4 \Omega$$

步驟 4 − 步驟 3 之後簡化的電網路如下圖所示。

Network

在上圖網路中,電阻2 Ω4 Ω在端點 A 和 B 之間串聯連線。因此,A 和 B 之間的等效電阻將為 6 Ω。可以透過以下簡化得到。

$$R_{AB} = 2 + 4 = 6 \Omega$$

因此,給定電網路端點 A 和 B 之間的等效電阻為6 Ω

網路理論 - 戴爾塔-星形變換

在上一章中,我們討論了一個與等效電阻相關的示例問題。在那裡,我們很容易計算出給定電網路端點 A 和 B 之間的等效電阻。因為,在每一步中,我們都得到了串聯或並聯連線的電阻組合。

然而,在某些情況下,很難透過遵循之前的方法來簡化網路。例如,電阻以戴爾塔 (δ) 形或星形連線。在這種情況下,我們必須將一種形式的網路轉換為另一種形式,以便進一步使用串聯或並聯組合對其進行簡化。在本章中,讓我們討論戴爾塔-星形變換

戴爾塔網路

考慮如下圖所示的戴爾塔網路

Delta Network

當第三個端點保持斷開時,以下等式表示戴爾塔網路兩個端點之間的等效電阻

$$R_{AB} = \frac{(R_1 + R_3)R_2}{R_1 + R_2 + R_3}$$

$$R_{BC} = \frac{(R_1 + R_2)R_3}{R_1 + R_2 + R_3}$$

$$R_{CA} = \frac{(R_2 + R_3)R_1}{R_1 + R_2 + R_3}$$

星形網路

下圖顯示了對應於上述戴爾塔網路的等效星形網路

Star Network

當第三個端點保持斷開時,以下等式表示星形網路兩個端點之間的等效電阻

$$R_{AB} = R_A + R_B$$

$$R_{BC} = R_B + R_C$$

$$R_{CA} = R_C + R_A$$

星形網路電阻根據戴爾塔網路電阻表示

透過將上述等式中左右側項相同的等式右側項相等,我們將得到以下等式。

$R_A + R_B = \frac{(R_1 + R_3)R_2}{R_1 + R_2 + R_3}$ 等式 1

$R_B + R_C = \frac{(R_1 + R_2)R_3}{R_1 + R_2 + R_3}$ 等式 2

$R_C + R_A = \frac{(R_2 + R_3)R_1}{R_1 + R_2 + R_3}$ 等式 3

透過將上述三個等式相加,我們將得到

$$2(R_A + R_B + R_C) = \frac{2(R_1 R_2 + R_2 R_3 + R_3 R_1)}{R_1 + R_2 + R_3}$$

$\Rightarrow R_A + R_B + R_C = \frac{R_1 R_2 + R_2 R_3 + R_3 R_1}{R_1 + R_2 + R_3}$ 等式 4

從等式 4 中減去等式 2。

$R_A + R_B + R_C - (R_B + R_C) = \frac{R_1 R_2 + R_2 R_3 + R_3 R_1}{R_1 + R_2 + R_3} - \frac{(R_1 + R_2)R_3}{R_1 + R_2 + R_3}$

$$R_A = \frac{R_1 R_2}{R_1 + R_2 + R_3}$$

透過從等式 4 中減去等式 3,我們將得到

$$R_B = \frac{R_2 R_3}{R_1 + R_2 + R_3}$$

透過從等式 4 中減去等式 1,我們將得到

$$R_C = \frac{R_3 R_1}{R_1 + R_2 + R_3}$$

透過使用上述關係,我們可以根據戴爾塔網路的電阻找到星形網路的電阻。透過這種方式,我們可以將戴爾塔網路轉換為星形網路

示例

讓我們計算星形網路的電阻,它們等效於如下圖所示的戴爾塔網路。

Star Network Resistance

給定戴爾塔網路的電阻R1 = 10 Ω、R2 = 60 Ω 和R3 = 30 Ω。

我們知道星形網路電阻根據戴爾塔網路電阻表示的以下關係。

$$R_A = \frac{R_1 R_2}{R_1 + R_2 + R_3}$$

$$R_B = \frac{R_2 R_3}{R_1 + R_2 + R_3}$$

$$R_C = \frac{R_3 R_1}{R_1 + R_2 + R_3}$$

R1、R2R3的值代入上述等式。

$$R_A = \frac{10 \times 60}{10 +60+30} = \frac{600}{100} = 6\Omega$$

$$R_B = \frac{60 \times 30}{10 +60+30} = \frac{1800}{100} = 18\Omega$$

$$R_C = \frac{30 \times 10}{10 +60+30} = \frac{300}{100} = 3\Omega$$

因此,我們得到了星形網路的電阻為RA = 6 Ω、RB = 18 ΩRC = 3 Ω,它們等效於給定戴爾塔網路的電阻。

網路理論 - 星形-戴爾塔變換

在上一章中,我們討論了將戴爾塔網路轉換為等效星形網路。現在,讓我們討論將星形網路轉換為等效戴爾塔網路。此轉換稱為星形-戴爾塔變換

在上一章中,我們從戴爾塔網路中得到了星形網路的電阻

$R_A = \frac{R_1 R_2}{R_1 + R_2 + R_3}$ 等式 1

$R_B = \frac{R_2 R_3}{R_1 + R_2 + R_3}$ 等式 2

$R_C = \frac{R_3 R_1}{R_1 + R_2 + R_3}$ 等式 3

戴爾塔網路電阻根據星形網路電阻表示

讓我們操作上述等式,以便根據星形網路的電阻得到戴爾塔網路的電阻。

  • 乘以每組兩個等式,然後相加

$$R_A R_B + R_B R_C + R_C R_A = \frac{R_1 R_2^2 R_3 + R_2 R_3^2 R_1 + R_3 R_1^2 R_2}{(R_1 + R_2 + R_3)^2}$$

$$\Rightarrow R_A R_B + R_B R_C + R_C R_A = \frac{R_1 R_2 R_3(R_1 + R_2 + R_3)}{(R_1 + R_2 + R_3)^2}$$

$\Rightarrow R_A R_B + R_B R_C + R_C R_A = \frac{R_1 R_2 R_3}{R_1 + R_2 + R_3}$ 等式 4

  • 透過將等式 4 除以等式 2,我們將得到

$$\frac{R_A R_B + R_B R_C + R_C R_A}{R_B} = R_1$$

$$\Rightarrow R_1 = R_C + R_A + \frac{R_C R_A}{R_B}$$

  • 透過將等式 4 除以等式 3,我們將得到

$$R_2 = R_A + R_B + \frac{R_A R_B}{R_C}$$

  • 透過將等式 4 除以等式 1,我們將得到

$$R_3 = R_B + R_C + \frac{R_B R_C}{R_A}$$

透過使用上述關係,我們可以根據星形網路的電阻找到戴爾塔網路的電阻。透過這種方式,我們可以將星形網路轉換為戴爾塔網路

示例

讓我們計算戴爾塔網路的電阻,它們等效於如下圖所示的星形網路。

Delta Network Resistance

給定星形網路的電阻RA = 6 Ω、RB = 18 ΩRC = 3 Ω

我們知道戴爾塔網路電阻根據星形網路電阻表示的以下關係。

$$R_1 = R_C + R_A + \frac{R_C R_A}{R_B}$$

$$R_2 = R_A + R_B + \frac{R_A R_B}{R_C}$$

$$R_3 = R_B + R_C + \frac{R_B R_C}{R_A}$$

RA、RBRC的值代入上述等式。

$$R_1 = 3 + 6 + \frac{3 \times 6}{18} = 9 + 1 = 10 \Omega$$

$$R_2 = 6 + 18 + \frac{6 \times 18}{3} = 24 + 36 = 60 \Omega$$

$$R_3 = 18 + 3 + \frac{18 \times 3}{6} = 21 + 9 = 30 \Omega$$

因此,我們得到了戴爾塔網路的電阻為R1 = 10 Ω、R2 = 60 ΩR3 = 30 Ω,它們等效於給定星形網路的電阻。

網路理論 - 網路拓撲

網路拓撲是電路的圖形表示。它可用於透過將複雜電路轉換為網路圖來分析複雜電路。網路拓撲也稱為圖論

網路拓撲的基本術語

現在,讓我們討論一下此網路拓撲中涉及的基本術語。

網路圖簡稱為。它由一組透過分支連線的節點組成。在圖中,節點是兩個或多個分支的公共點。有時,只有一個分支可能連線到節點。分支是連線兩個節點的線段。

任何電路或網路都可以透過用短路替換無源元件和電壓源,用開路替換電流源,轉換為其等效。這意味著,圖中的線段表示對應於電路的無源元件或電壓源的分支。

示例

讓我們考慮以下電路

Basic Terminology

在上圖電路中,有四個主節點,分別用 1、2、3 和 4 標記。上圖電路中有七個分支,其中一個分支包含 20 V 電壓源,另一個分支包含 4 A 電流源,其餘五個分支包含電阻,電阻分別為 30 Ω、5 Ω、10 Ω、10 Ω 和 20 Ω。

對應於上述電路的等效如下圖所示。

Graph

在上圖中,有四個節點,分別用 1、2、3 和 4 標記。這些與電路中的主節點相同。上圖中有六個分支,分別用 a、b、c、d、e 和 f 標記。

在這種情況下,圖中的分支數量減少了一個,因為在將電路轉換為其等效圖時,4 A 電流源被設為開路。

從這個例子中,我們可以得出以下幾點 -

  • 圖中節點的數量將等於電路中主節點的數量。

  • 圖中分支的數量將小於或等於電路中分支的數量。

圖的型別

以下是圖的型別 -

  • 連通圖
  • 非連通圖
  • 有向圖
  • 無向圖

現在,讓我們逐一討論這些圖。

連通圖

如果圖的任意兩個節點之間至少存在一個分支,則稱為連通圖。這意味著,連通圖中的每個節點都將具有一個或多個連線到它的分支。因此,不會出現孤立或分離的節點。

前面示例中顯示的圖是連通圖。在這裡,所有節點都透過三個分支連線。

非連通圖

如果圖中至少存在一個節點,即使是單個分支也沒有連線到它,則稱為非連通圖。因此,非連通圖中將存在一個或多個孤立節點。

考慮下圖所示的圖。

Unconnected Graph

在這個圖中,節點 2、3 和 4 透過兩個分支連線。但是,甚至沒有一個分支連線到節點 1。因此,節點 1 成為孤立節點。因此,上圖是非連通圖

有向圖

如果圖的所有分支都用箭頭表示,則該圖稱為有向圖。這些箭頭表示每個分支中電流的方向。因此,此圖也稱為定向圖

考慮下圖所示的圖。

Directed Graph

在上圖中,電流流動的方向用每條支路上的箭頭表示。因此,它是一個**有向圖**。

無向圖

如果圖的支路沒有用箭頭表示,則該圖稱為**無向圖**。由於沒有電流流動的方向,因此該圖也稱為**無定向圖**。

本章第一個示例中所示的圖是**無定向圖**,因為該圖的支路上沒有箭頭。

子圖及其型別

圖的一部分稱為**子圖**。我們透過移除給定圖的一些節點和/或支路來獲得子圖。因此,子圖的支路和/或節點的數量將小於原始圖。因此,我們可以得出結論,子圖是圖的子集。

以下是**兩種**型別的子圖。

  • 餘樹

樹是給定圖的一個連通子圖,它包含圖的所有節點。但是,該子圖中不應該有任何迴路。樹的支路稱為**樹枝**。

考慮以下圖的**連通子圖**,該圖顯示在本章開頭的示例中。

Tree

此連通子圖包含給定圖的所有四個節點,並且沒有迴路。因此,它是一棵**樹**。

這棵樹只有三條支路,而給定圖有六條支路。因為,如果我們考慮圖中剩餘支路的任何一條,則上述連通子圖中將存在迴路。然後,生成的連通子圖將不再是一棵樹。

從上面的樹中,我們可以得出結論,樹中存在的**支路數**應等於**n - 1**,其中“n”是給定圖的節點數。

餘樹

餘樹是一個子圖,它是由形成樹時移除的支路形成的。因此,它被稱為樹的**補圖**。對於每棵樹,都將有一個相應的餘樹,其支路稱為**連支**或弦。通常,連支用虛線表示。

以下圖顯示了與上述樹相對應的**餘樹**。

Co-Tree

此餘樹只有三個節點,而不是給定圖的四個節點,因為節點 4 與上述餘樹隔離。因此,餘樹不必是連通子圖。此餘樹有三條支路,它們形成一個迴路。

餘樹中存在的**支路數**將等於給定圖的支路數與樹枝數之差。數學上,可以寫成

$$l = b - (n - 1)$$

$$l = b - n + 1$$

其中,

  • l 是連支數。
  • b 是給定圖中存在的支路數。
  • n 是給定圖中存在的節點數。

如果我們組合一棵樹及其相應的餘樹,我們將得到如下所示的**原始圖**。

Original Graph

樹支路 d、e 和 f 用實線表示。餘樹支路 a、b 和 c 用虛線表示。

網路拓撲矩陣

在上一章中,我們討論瞭如何將電路轉換為等效圖。現在,讓我們討論網路拓撲矩陣,它們可用於使用其等效圖解決任何電路或網路問題。

與網路圖相關的矩陣

以下是圖論中使用的三個矩陣。

  • 關聯矩陣
  • 基本回路矩陣
  • 基本割集矩陣

關聯矩陣

關聯矩陣表示給定電路或網路的圖。因此,可以從**關聯矩陣**繪製相同電路或網路的圖。

我們知道圖由一組節點組成,這些節點透過一些支路連線。因此,支路與節點的連線稱為關聯。關聯矩陣用字母 A 表示。它也稱為節點到支路的關聯矩陣或**節點關聯矩陣**。

如果**有向圖**中有“n”個節點和“b”個支路,則關聯矩陣將有“n”行和“b”列。這裡,行和列分別對應於有向圖的節點和支路。因此,關聯矩陣的**階數**將為**n × b**。

**關聯矩陣的元素**將具有以下三個值之一:+1、-1 和 0。

  • 如果支路電流從選定的節點離開,則元素的值將為 +1。

  • 如果支路電流進入選定的節點,則元素的值將為 -1。

  • 如果支路電流既不進入選定的節點也不離開選定的節點,則元素的值將為 0。

查詢關聯矩陣的步驟

按照以下步驟查詢有向圖的關聯矩陣。

  • 一次選擇給定有向圖的一個節點,並在關聯矩陣中對應於該節點的行中填寫元素的值。

  • 對給定有向圖的所有節點重複上述步驟。

示例

考慮以下**有向圖**。

Incidence Matrix

與上述有向圖相對應的**關聯矩陣**將為

$$A = \begin{bmatrix}-1 & 1 & 0 & -1 & 0 & 0\\0 & -1 & 1 & 0 & 1 & 0\\1 & 0 & -1 & 0 & 0 & 1 \\0 & 0 & 0 & 1 & -1 & -1 \end{bmatrix}$$

上述矩陣的行和列分別表示給定有向圖的節點和支路。此關聯矩陣的階數為 4 × 6。

透過觀察上述關聯矩陣,我們可以得出結論,關聯矩陣的列元素的**和**等於零。這意味著,支路電流只從一個節點離開並進入另一個節點。

**注意** - 如果給定的圖是無向圖,則透過在每條支路上表示箭頭將其轉換為有向圖。我們可以考慮每條支路中電流流動的任意方向。

基本回路矩陣

基本回路或**f-迴路**是一個迴路,它只包含一個連支和一個或多個樹枝。因此,f-迴路的數量將等於連支的數量。基本回路矩陣用字母 B 表示。它也稱為**基本回路矩陣**和聯接集矩陣。此矩陣給出了支路電流和連支電流之間的關係。

如果**有向圖**中有“n”個節點和“b”個支路,則與給定圖的選定樹相對應的餘樹中存在的連支數將為 b-n+1。

因此,基本回路矩陣將有“b-n+1”行和“b”列。這裡,行和列分別對應於餘樹的連支和給定圖的支路。因此,基本回路矩陣的階數將為**(b - n + 1) × b**。

**基本回路矩陣的元素**將具有以下三個值之一:+1、-1 和 0。

  • 對於選定 f-迴路的連支,元素的值將為 +1。

  • 對於不屬於選定 f-迴路的其餘連支和樹枝,元素的值將為 0。

  • 如果選定 f-迴路的樹枝電流方向與 f-迴路連支電流方向相同,則元素的值將為 +1。

  • 如果選定 f-迴路的樹枝電流方向與 f-迴路連支電流方向相反,則元素的值將為 -1。

查詢基本回路矩陣的步驟

按照以下步驟查詢給定有向圖的基本回路矩陣。

  • 選擇給定有向圖的一棵樹。

  • 透過一次包含一個連支,我們將得到一個 f-迴路。在基本回路矩陣的一行中填寫對應於此 f-迴路的元素的值。

  • 對所有連支重複上述步驟。

示例

看一下以下**有向圖**的樹,該樹用於關聯矩陣。

Loop Matrix

上述樹包含三條支路 d、e 和 f。因此,支路 a、b 和 c 將是與上述樹相對應的餘樹的連支。透過一次將一個連支包含到上述樹中,我們將得到一個**f-迴路**。因此,將有三個**f-迴路**,因為有三個連支。這三個 f-迴路顯示在以下圖中。

f-loop

在上圖中,用彩色線表示的支路形成 f-迴路。我們將從每個 f-迴路獲得聯接集矩陣的行元素值。因此,上述考慮的樹的**聯接集矩陣**將為

$$B = \begin{bmatrix}1 & 0 & 0 & -1 & 0 & -1\\0 & 1 & 0 & 1 & 1 & 0\\0 & 0 & 1 & 0 & -1 & 1 \end{bmatrix}$$

上述矩陣的行和列分別表示給定有向圖的連支和支路。此關聯矩陣的階數為 3 × 6。

有向圖的**基本回路矩陣數**將等於該有向圖的樹數。因為,每棵樹都將有一個基本回路矩陣。

基本割集矩陣

基本割集或**f-割集**是從圖中移除的最小數量的支路,以使原始圖變成兩個孤立的子圖。f-割集只包含**一個樹枝**和一個或多個連支。因此,f-割集的數量將等於樹枝的數量。

**基本割集矩陣**用字母 C 表示。此矩陣給出了支路電壓和樹枝電壓之間的關係。

如果**有向圖**中有“n”個節點和“b”個支路,則給定圖的選定樹中存在的樹枝數將為 n-1。因此,基本割集矩陣將有“n-1”行和“b”列。這裡,行和列分別對應於選定樹的樹枝和給定圖的支路。因此,基本割集矩陣的**階數**將為**(n-1) × b**。

**基本割集矩陣的元素**將具有以下三個值之一:+1、-1 和 0。

  • 對於選定 f-割集的樹枝,元素的值將為 +1。

  • 對於未選擇為f-割集一部分的剩餘樹枝和連枝,其元素值為0。

  • 如果所選f-割集的連枝電流方向與f-割集樹枝電流方向相同,則元素值為+1。

  • 如果所選f-割集的連枝電流方向與f-割集樹枝電流方向相反,則元素值為-1。

求解基本割集矩陣的步驟

按照以下步驟求解給定有向圖的基本割集矩陣。

  • 選擇給定有向圖的一棵樹,並用虛線表示連枝。

  • 每次移除一個樹枝和必要的連枝,我們將得到一個f-割集。將對應於此f-割集的元素值填入基本割集矩陣的一行。

  • 對所有樹枝重複上述步驟。

示例

考慮我們在關聯矩陣部分討論的相同**有向圖**。選擇此有向圖中的分支d、e和f作為樹枝。因此,此有向圖中剩餘的分支a、b和c將是連枝。

**樹枝**d、e和f用實線表示,**連枝**a、b和c用虛線表示,如下圖所示。

Cut-set Matrix

每次移除一個樹枝和必要的連枝,我們將得到一個f-割集。因此,由於有三個樹枝,所以將有三個f-割集。這三個**f-割集**如下圖所示。

f-cut

透過移除C1、C2和C3的一組樹枝和連枝,我們將得到三個f-割集。我們將從每個f-割集中得到基本割集矩陣的行元素值。因此,上述所考慮樹的**基本割集矩陣**為

$$C = \begin{bmatrix}1 & -1 & 0 & 1 & 0 & 0\\0 & -1 & 1 & 0 & 1 & 0\\1 & 0 & -1 & 0 & 0 & 1 \end{bmatrix}$$

上述矩陣的行和列分別表示給定有向圖的樹枝和分支。此基本割集矩陣的階數為3×6。

有向圖的**基本割集矩陣的數量**將等於該有向圖的樹的數量。因為每棵樹都將有一個基本割集矩陣。

網路理論 -疊加定理

**疊加定理**基於電路上響應與激勵之間線性關係的概念。它指出,當多個獨立電源同時作用時,線性電路中特定分支的響應等效於每個獨立電源單獨作用時響應的總和。

在這種方法中,我們將一次只考慮**一個獨立電源**。因此,我們必須從電路中消除其餘的獨立電源。我們可以透過短接電壓源的兩端來消除電壓源,類似地,透過斷開電流源的兩端來消除電流源。

因此,如果存在“n”個獨立電源,我們需要找到特定分支的“n”次響應。特定分支的響應可以是流過該分支的電流或該分支上的電壓。

疊加定理的步驟

按照以下步驟使用疊加定理求解特定分支的響應。

**步驟1** - 透過考慮一個獨立電源並消除網路中存在的其餘獨立電源,找到特定分支的響應。

**步驟2** - 對網路中存在的每個獨立電源重複步驟1。

**步驟3** - 將所有響應相加,以獲得網路中存在所有獨立電源時特定分支的整體響應。

示例

使用**疊加定理**求解以下電路中20Ω電阻的電流。

Superposition Theorem

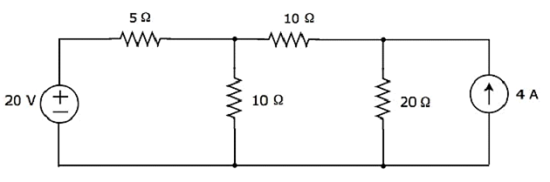
**步驟1** - 讓我們透過只考慮**20V電壓源**來求解流過20Ω電阻的電流。在這種情況下,我們可以透過將其斷路來消除4A電流源。修改後的電路圖如下所示。

Voltage Source

在上述電路中,除了地之外只有一個主節點。因此,我們可以使用**節點分析法**。節點電壓V1在下面的圖中標出。這裡,V1是節點1相對於地的電壓。

Nodal

節點1處的節點方程

$$\frac{V_1 - 20}{5} + \frac{V_1}{10} + \frac{V_1}{10 + 20} = 0$$

$$\Rightarrow \frac{6V_1 - 120 + 3V_1 + V_1}{30} = 0$$

$$\Rightarrow 10V_1 = 120$$

$$\Rightarrow V_1 = 12V$$

可以透過以下簡化求解流過20Ω電阻的**電流**。

$$I_1 = \frac{V_1}{10 + 20}$$

將V1的值代入上述方程。

$$I_1 = \frac{12}{10 + 20} = \frac{12}{30} = 0.4 A$$

因此,當僅考慮20V電壓源時,流過20Ω電阻的電流為**0.4A**。

**步驟2** - 讓我們透過只考慮**4A電流源**來求解流過20Ω電阻的電流。在這種情況下,我們可以透過將其短路來消除20V電壓源。修改後的電路圖如下所示。

Current Source

在上述電路中,A和B端子左側有三個電阻。我們可以用一個**等效電阻**替換這些電阻。這裡,5Ω和10Ω電阻並聯連線,整個組合與10Ω電阻串聯連線。

A和B端子左側的**等效電阻**為

$$R_{AB} = \lgroup \frac{5 \times 10}{5 + 10} \rgroup + 10 = \frac{10}{3} + 10 = \frac{40}{3} \Omega$$

簡化的電路圖如下所示。

Figure

我們可以使用**電流分配原理**求解流過20Ω電阻的電流。

$$I_2 = I_S \lgroup \frac{R_1}{R_1 + R_2} \rgroup$$

將$I_S = 4A,\: R_1 = \frac{40}{3} \Omega$和$R_2 = 20 \Omega$代入上述方程。

$$I_2 = 4 \lgroup \frac{\frac{40}{3}}{\frac{40}{3} + 20} \rgroup = 4 \lgroup \frac{40}{100} \rgroup = 1.6 A$$

因此,當僅考慮4A電流源時,流過20Ω電阻的電流為**1.6A**。

**步驟3** - 我們將透過對步驟1和步驟2中得到的兩個電流進行**相加**,得到給定電路中流過20Ω電阻的電流。在數學上,可以寫成

$$I = I_1 + I_2$$

I1I2的值代入上述方程。

$$I = 0.4 + 1.6 = 2 A$$

因此,給定電路中20 Ω電阻的電流為2 A

**注意** - 我們不能直接應用疊加定理來求解線性電路中任何電阻的**功率**,僅僅透過對每個獨立電源導致的該電阻的功率進行相加。相反,我們可以使用疊加定理計算流過該電阻的總電流或該電阻上的電壓,並由此使用$I^2 R$或$\frac{V^2}{R}$計算傳遞到該電阻的功率。

網路理論 - 戴維寧定理

**戴維寧定理**指出,任何雙端線性網路或電路都可以用一個等效網路或電路表示,該網路或電路由一個電壓源與一個電阻串聯組成。它被稱為戴維寧等效電路。線性電路可能包含獨立電源、依賴電源和電阻。

如果電路包含多個獨立電源、依賴電源和電阻,則可以透過用**戴維寧等效電路**替換該元件左側的整個網路來輕鬆找到該元件的響應。

**元件的響應**可以是該元件上的電壓、流過該元件的電流或該元件上耗散的功率。

此概念在下圖中進行了說明。

Response in Element

**戴維寧等效電路**類似於一個實際電壓源。因此,它有一個與電阻串聯的電壓源。

  • 戴維寧等效電路中存在的電壓源稱為戴維寧等效電壓或簡稱**戴維寧電壓,VTh**。

  • 戴維寧等效電路中存在的電阻稱為戴維寧等效電阻或簡稱**戴維寧電阻,RTh**。

求解戴維寧等效電路的方法

有三種方法可以求解戴維寧等效電路。根據網路中存在的**電源型別**,我們可以選擇這三種方法之一。現在,讓我們逐一討論兩種方法。我們將在下一章中討論第三種方法。

方法1

當僅存在**獨立型別電源**時,請按照以下步驟求解戴維寧等效電路。

  • **步驟1** - 透過開啟需要求解戴維寧等效電路的端子來考慮電路圖。

  • **步驟2** - 求解上述電路開路端子上的戴維寧電壓**VTh**。

  • **步驟3** - 透過消除其中存在的獨立電源,求解上述電路開路端子上的戴維寧電阻**RTh**。

  • **步驟4** - 透過將戴維寧電壓VTh與戴維寧電阻RTh串聯連線,繪製**戴維寧等效電路**。

現在,我們可以求解位於戴維寧等效電路右側的元件的響應。

示例

首先求解A和B端子左側的**戴維寧等效電路**,然後求解流過20Ω電阻的電流。

Method1

**步驟1** - 為了求解A和B端子左側的戴維寧等效電路,我們應該透過**開啟A和B端子**從網路中移除20Ω電阻。修改後的電路圖如下所示。

Method1 Opening Terminal

**步驟2** - 計算**戴維寧電壓VTh**。

在上述電路中,除了地之外只有一個主節點。因此,我們可以使用**節點分析法**。節點電壓V1和戴維寧電壓VTh在上述圖中標出。這裡,V1是節點1相對於地的電壓,VTh是4A電流源上的電壓。

  • 節點1處的節點方程

$$\frac{V_1 - 20}{5} + \frac{V_1}{10} - 4 = 0$$

$$\Rightarrow \frac{2V_1 - 40 + V_1 - 40}{10} = 0$$

$$\Rightarrow 3V_1 - 80 = 0$$

$$\Rightarrow V_1 = \frac{80}{3}V$$

  • 串聯分支10Ω電阻上的電壓為

$$V_{10 \Omega} = (-4)(10) = -40V$$

  • 上述電路中有兩個迴路。第二個迴路的**KVL方程**為

$$V_1 - V_{10 \Omega} - V_{Th} = 0$$

  • 將$V_1$和$V_{10 \Omega}$的值代入上述方程。

$$\frac{80}{3} - (-40) - V_{Th} = 0$$

$$V_{Th} = \frac{80 + 120}{3} = \frac{200}{3}V$$

  • 因此,戴維寧電壓為$V_{Th} = \frac{200}{3}V$

**步驟3** - 計算**戴維寧電阻RTh**。

為了計算A和B端子上的戴維寧電阻RTh,將上述電路中的電壓源短路並電流源開路。**修改後的電路圖**如下所示。

Thevenin’s Resistance

A和B端子上的戴維寧電阻為

$$R_{Th} = \lgroup \frac{5 \times 10}{5 + 10} \rgroup + 10 = \frac{10}{3} + 10 = \frac{40}{3} \Omega$$

因此,戴維寧電阻為$\mathbf {R_{Th} = \frac{40}{3} \Omega}$。

**步驟4** - 將戴維寧等效電路放置在給定電路中A和B端子的左側。此電路圖如下所示。

Thevenin’s Equivalent Circuit

可以透過將VTh, RThR的值代入以下方程,求解流過20Ω電阻的電流。

$$l = \frac{V_{Th}}{R_{Th} + R}$$

$$l = \frac{\frac{200}{3}}{\frac{40}{3} + 20} = \frac{200}{100} = 2A$$

因此,流過20Ω電阻的電流為**2A**。

方法 2

既有獨立源又有受控源時,按照以下步驟求解戴維南等效電路。

  • 步驟 1 − 考慮電路圖,並斷開需要求解戴維南等效電路的兩個端點。

  • **步驟2** - 求解上述電路開路端子上的戴維寧電壓**VTh**。

  • 步驟 3 − 將上述電路的兩個斷開端點短路,求解短路電流ISC

  • 步驟 4 − 使用以下公式求解戴維南電阻RTh

$$R_{Th} = \frac{V_{Th}}{I_{SC}}$$

步驟 5 − 將戴維南電壓VTh與戴維南電阻RTh串聯,繪製戴維南等效電路

現在,我們可以求解戴維南等效電路右側元件的響應。

網路理論 - 諾頓定理

諾頓定理與戴維南定理類似。它指出,任何一個二端線性網路或電路都可以用一個等效網路或電路來表示,該等效網路或電路由一個電流源與一個電阻並聯組成。它被稱為諾頓等效電路。一個線性電路可能包含獨立源、受控源和電阻。

如果一個電路包含多個獨立源、受控源和電阻,那麼可以透過用諾頓等效電路替換該元件左側的整個網路來輕鬆求解該元件的響應。

元件的響應可以是該元件兩端的電壓、流過該元件的電流或該元件上耗散的功率。

此概念在下圖中進行了說明。

Response in a Element

諾頓等效電路類似於一個實際電流源。因此,它包含一個與電阻並聯的電流源。

  • 諾頓等效電路中的電流源稱為諾頓等效電流或簡稱為諾頓電流 IN

  • 諾頓等效電路中的電阻稱為諾頓等效電阻或簡稱為諾頓電阻 RN

求解諾頓等效電路的方法

求解諾頓等效電路有三種方法。根據網路中存在的源型別,我們可以選擇這三種方法中的一種。現在,讓我們逐一討論這三種方法。

方法1

當網路中只有獨立源時,按照以下步驟求解諾頓等效電路。

  • 步驟 1 − 考慮電路圖,並斷開需要求解諾頓等效電路的兩個端點。

  • 步驟 2 − 將上述電路的兩個斷開端點短路,求解諾頓電流IN

  • 步驟 3 − 在步驟 1 中考慮的電路的開路端點之間,透過消除其中存在的獨立源來求解諾頓電阻RN。諾頓電阻RN與戴維南電阻RTh相同。

  • 步驟 4 − 將諾頓電流 IN 與諾頓電阻 RN並聯,繪製諾頓等效電路

現在,我們可以求解諾頓等效電路右側元件的響應。

方法 2

既有獨立源又有受控源時,按照以下步驟求解諾頓等效電路。

  • 步驟 1 − 考慮電路圖,並斷開需要求解諾頓等效電路的兩個端點。

  • 步驟 2 − 求解上述電路開路端點之間的開路電壓VOC

  • 步驟 3 − 將上述電路的兩個斷開端點短路,求解諾頓電流IN

  • 步驟 4 − 使用以下公式求解諾頓電阻RN

$$R_N = \frac{V_{OC}}{I_N}$$

  • 步驟 5 − 將諾頓電流 IN與諾頓電阻 RN並聯,繪製諾頓等效電路。

現在,我們可以求解諾頓等效電路右側元件的響應。

方法 3

這是一種求解諾頓等效電路的替代方法。

  • 步驟 1 − 在所需的兩個端點之間求解戴維南等效電路。我們知道它包含一個戴維南電壓源 VTh和一個戴維南電阻 RTh

  • 步驟 2 − 對上述戴維南等效電路應用源變換技術。我們將得到諾頓等效電路。這裡,

諾頓電流為:

$$I_N = \frac{V_{Th}}{R_{Th}}$$

諾頓電阻為:

$$R_N = R_{Th}$$

此概念在下圖中進行了說明。

Source Transformation

現在,我們可以透過將諾頓等效電路放置在該元件左側來求解元件的響應。

注意 − 類似地,我們也可以先求解諾頓等效電路,然後對其應用源變換技術來求解戴維南等效電路。此概念在下圖中進行了說明。

Technique

這是求解戴維南等效電路的第三種方法。

示例

首先求解終端 A 和 B 左側的諾頓等效電路,然後求解流過 20 Ω 電阻的電流。

Example Problem

讓我們使用方法 3來解決這個問題。

步驟 1 − 在上一章中,我們計算了終端 A 和 B 左側的戴維南等效電路。我們現在可以使用此電路。它在下圖中所示。

Resistance

這裡,戴維南電壓 $V_{Th} = \frac{200}{3} V$,戴維南電阻 $R_{Th} = \frac{40}{3} \Omega$

步驟 2 − 對上述戴維南等效電路應用源變換技術。將VThRTh的值代入以下諾頓電流公式。

$$I_N = \frac{V_{Th}}{R_{Th}}$$

$$I_N = \frac{\frac{200}{3}}{\frac{40}{3}} = 5A$$

因此,諾頓電流IN5 A

我們知道諾頓電阻RN與戴維南電阻RTh相同。

$$\mathbf {R_N = \frac{40}{3} \Omega}$$

與上述戴維南等效電路對應的諾頓等效電路在下圖中所示。

Norton’s Circuit

現在,將諾頓等效電路放置在給定電路的終端 A 和 B 左側。

Terminals

使用電流分配原理,流過 20 Ω 電阻的電流將為

$$I_{20 \Omega} = 5 \lgroup \frac{\frac{40}{3}}{\frac{40}{3} + 20} \rgroup$$

$$I_{20 \Omega} = 5 \lgroup \frac{40}{100} \rgroup = 2A$$

因此,流過20Ω電阻的電流為**2A**。

最大功率傳輸定理

負載接收到的功率大小是電力和電子應用中的一個重要引數。在直流電路中,我們可以用一個電阻來表示負載,該電阻的阻值為 RL 歐姆。類似地,在交流電路中,我們可以用一個復阻抗為 ZL 歐姆的復負載來表示它。

最大功率傳輸定理指出,只有當負載電阻等於電源電阻時,直流電壓源才能向可變負載電阻傳遞最大功率。

類似地,最大功率傳輸定理指出,只有當負載阻抗等於電源阻抗的共軛複數時,交流電壓源才能向可變復負載傳遞最大功率。

在本章中,我們將討論直流電路的最大功率傳輸定理。

最大功率傳輸定理的證明

用戴維南等效電路替換可變負載電阻(阻值為 RL 歐姆)左側的任何二端線性網路或電路。我們知道戴維南等效電路類似於一個實際電壓源。

此概念在下圖中進行了說明。

Maximum Power Transfer

負載電阻上耗散的功率為

$$P_L = I^2 R_L$$

將 $I = \frac{V_{Th}}{R_{Th} + R_L}$ 代入上式。

$$P_L = \lgroup \frac{V_{Th}}{(R_{Th} + R_L)} \rgroup ^2 R_L$$

$\Rightarrow P_L = {V_{Th}}^2 \lbrace \frac{R_L}{(R_{Th} + R_L)^2} \rbrace$ 公式 1

最大功率傳輸條件

對於最大值或最小值,一階導數將為零。因此,對公式 1 關於RL求導,並將其設為零。

$$\frac{dP_L}{dR_L} = {V_{Th}}^2 \lbrace \frac{(R_{Th} + R_L)^2 \times 1 - R_L \times 2(R_{Th} + R_L)}{(R_{Th} + R_L)^4} \rbrace = 0$$

$$\Rightarrow (R_{Th} + R_L)^2 -2R_L(R_{Th} + R_L) = 0$$

$$\Rightarrow (R_{Th} + R_L)(R_{Th} + R_L - 2R_L) = 0$$

$$\Rightarrow (R_{Th} - R_L) = 0$$

$$\Rightarrow R_{Th} = R_L\:或\:R_L = R_{Th}$$

因此,負載上最大功率耗散的條件是 $R_L = R_{Th}$。這意味著,如果負載電阻的值等於電源電阻(即戴維南電阻)的值,則負載上耗散的功率將為最大值。

最大功率傳輸的值

將 $R_L = R_{Th}\:\&\:P_L = P_{L, Max}$ 代入公式 1。

$$P_{L, Max} = {V_{Th}}^2 \lbrace \frac{R_{Th}}{(R_{Th} + R_{Th})^2} \rbrace$$

$$P_{L, Max} = {V_{Th}}^2 \lbrace \frac{R_{Th}}{4 {R_{Th}}^2} \rbrace$$

$$\Rightarrow P_{L, Max} = \frac{{V_{Th}}^2}{4 R_{Th}}$$

$$\Rightarrow P_{L, Max} = \frac{{V_{Th}}^2}{4 R_{L}}, \: 因為 \: R_{L} = R_{Th}$$

因此,傳輸到負載的最大功率

$$P_{L, Max} = \frac{{V_{Th}}^2}{4R_{L}} = \frac{{V_{Th}}^2}{4R_{Th}}$$

最大功率傳輸效率

我們可以使用以下公式計算最大功率傳輸效率 $\eta_{Max}$。

$\eta_{Max} = \frac{P_{L, Max}}{P_S}$ 公式 2

其中,

  • $P_{L, Max}$ 是傳輸到負載的最大功率。

  • $P_S$ 是電源產生的功率。

電源產生的功率

$$P_S = I^2 R_{Th} + I^2 R_L$$

$$\Rightarrow P_S = 2 I^2 R_{Th},\:因為\:R_{L} = R_{Th}$$

  • 將 $I = \frac{V_{Th}}{2 R_{Th}}$ 代入上式。

$$P_S = 2\lgroup \frac{V_{Th}}{2 R_{Th}} \rgroup ^2 R_{Th}$$

$$\Rightarrow P_S = 2\lgroup \frac{{V_{Th}}^2}{4 {R_{Th}}^2} \rgroup R_{Th}$$

$$\Rightarrow P_S = \frac{{V_{Th}}^2}{2 R_{Th}}$$

  • 將 $P_{L, Max}$ 和 $P_S$ 的值代入公式 2。

$$\eta_{Max} = \frac{\lgroup \frac{{V_{Th}}^2}{4R_{Th}} \rgroup}{\lgroup \frac{{V_{Th}}^2}{2R_{Th}}\rgroup}$$

$$\Rightarrow \eta_{Max} = \frac{1}{2}$$

我們可以用百分比表示最大功率傳輸效率,如下所示 −

$$\% \eta_{Max} = \eta_{Max} \times 100\%$$

$$\Rightarrow \% \eta_{Max} = \lgroup \frac{1}{2} \rgroup \times 100\%$$

$$\Rightarrow \% \eta_{Max} = 50\%$$

因此,最大功率傳輸效率為50 %

示例

求解下圖所示電路中可以傳遞到負載電阻 RL最大功率

Example Maximum Power

步驟 1 − 在戴維南定理章節中,我們計算了終端 A 和 B 左側的戴維南等效電路。我們現在可以使用此電路。它在下圖中所示。

Maximum Power Circuit

這裡,戴維南電壓 $V_{Th} = \frac{200}{3}V$,戴維南電阻 $R_{Th} = \frac{40}{3} \Omega$

步驟 2 − 用上述戴維南等效電路替換給定電路中終端 A 和 B 左側的部分電路。所得電路圖在下圖中所示。

Replace Circuit

步驟 3 − 我們可以使用以下公式求解將傳遞到負載電阻 RL 的最大功率。

$$P_{L, Max} = \frac{{V_{Th}}^2}{4 R_{Th}}$$

將 $V_{Th} = \frac{200}{3}V$ 和 $R_{Th} = \frac{40}{3} \Omega$ 代入上式。

$$P_{L, Max} = \frac{\lgroup \frac{200}{3} \rgroup ^ 2}{4 \lgroup \frac{40}{3}\rgroup } $$

$$P_{L, Max} = \frac{250}{3} W$$

因此,提供給給定電路中負載電阻 RL 的最大功率為 $\mathbf {\frac{250}{3}}$ W

網路理論 - 直流電路的響應

如果電迴路對於一個輸入的輸出隨時間變化,則稱為時間響應。時間響應包含以下兩個部分。

  • 暫態響應
  • 穩態響應

在本章中,首先讓我們討論這兩個響應,然後觀察一個串聯 RL 電路中這兩個響應,當它受到直流電壓源激勵時。

暫態響應

在對一個電迴路施加輸入後,輸出需要一定時間才能達到穩態。因此,輸出將處於暫態,直到它進入穩態。因此,電迴路在暫態期間的響應稱為暫態響應

對於較大的“t”值,暫態響應將為零。理想情況下,這個“t”值應該是無窮大。但是,實際上五個時間常數就足夠了。

暫態的存在或不存在

由於施加到電迴路的電源的突然變化和/或由於開關動作,響應中會出現暫態。有兩種可能的開關動作。分別是開啟開關和閉合開關。

  • 如果電迴路或網路只包含電阻,則響應中不會出現暫態部分。因為電阻具有調節任意數量電壓和電流的能力。

  • 由於存在儲能元件,例如電感器和電容器,電迴路或網路的響應中會出現暫態部分。因為它們不能立即改變儲存在這些元件中的能量。

電感器的行為

假設開關動作發生在t = 0 時。當開關動作發生時,電感電流不會瞬時變化。這意味著,開關動作後的電感電流值與開關動作前的電感電流值相同。

在數學上,它可以表示為

$$i_L (0^+) = i_L (0^-)$$

電容器的行為

當開關動作發生時,電容電壓不會像電感電流那樣瞬時變化。這意味著,開關動作後的電容電壓值與開關動作前的電容電壓值相同。

在數學上,它可以表示為

$$v_c (0^+) = v_c (0^-)$$

穩態響應

即使在暫態響應對於較大的“t”值變為零後仍然存在的時域響應部分稱為穩態響應。這意味著,在穩態期間響應中不會有任何暫態部分。

電感器的行為

如果獨立電源連線到具有一個或多個電感器和電阻器(可選)的電迴路或網路很長時間,則稱該電迴路或網路處於穩態。因此,該電迴路中電感器(s)中儲存的能量是最大且恆定的。

在數學上,它可以表示為

$W_L = \frac{L {i_L}^2}{2} = $ 最大且恆定

$\Rightarrow i_L = $ 最大且恆定

因此,電感器在穩態下充當恆流源

電感器兩端的電壓為

$$V_L = L \frac{di_{L}}{dt} = 0V$$

因此,電感器在穩態下充當短路

電容器的行為

如果獨立電源連線到具有一個或多個電容器和電阻器(可選)的電迴路或網路很長時間,則稱該電迴路或網路處於穩態。因此,該電迴路中電容器(s)中儲存的能量是最大且恆定的。

在數學上,它可以表示為

$W_c = \frac{C{v_c}^2}{2} = $ 最大且恆定

$\Rightarrow v_c = $最大且恆定

因此,電容器在穩態下充當恆壓源

流過電容器的電流為

$$i_c = C\frac{dv_c}{dt} = 0A$$

因此,電容器在穩態下充當開路

尋找串聯 RL 電路的響應

考慮以下串聯 RL 電路圖。

Series RL Circuit

在上圖中,開關一直保持開啟狀態,直到 t = 0,並在 t = 0 時閉合。因此,電壓為 V 的直流電壓源直到此時都未連線到串聯 RL 電路。因此,沒有初始電流流過電感器。

開關處於閉合位置時的電路圖如下所示。

Switch Closed

現在,由於電壓為V的直流電壓源已連線到串聯 RL 電路,電流i流過整個電路。

現在,對迴路應用KVL

$$V = Ri + L \frac{di}{dt}$$

$\frac{di}{dt} + \lgroup \frac{R}{L} \rgroup i = \frac{V}{L}$公式 1

上述公式是一階微分方程,其形式為

$\frac{dy}{dt} + Py = Q$公式 2

透過比較公式 1 和公式 2,我們將得到以下關係。

$$x = t$$

$$y = i$$

$$P = \frac{R}{L}$$

$$Q = \frac{V}{L}$$

公式 2 的將為

$ye^{\int p dx} = \int Q e^{\int p dx} dx + k$公式 3

其中,k 為常數。

將 x、y、P 和 Q 的值代入公式 3。

$ie^{\int {\lgroup \frac{R}{L} \rgroup}dt} = \int (\frac{V}{L}) \lgroup e^{\int {\lgroup \frac{R}{L} \rgroup}dt} \rgroup dt + k$

$\Rightarrow ie^{\lgroup \frac{R}{L} \rgroup t} = \frac{V}{L} \int e^{\lgroup \frac{R}{L} \rgroup t} dt + k$

$\Rightarrow ie^{\lgroup \frac{R}{L} \rgroup t} = \frac{V}{L} \lbrace \frac{e^{\lgroup \frac{R}{L} \rgroup}t}{\frac{R}{L}} \rbrace + k$

$\Rightarrow i = \frac{V}{R} + k e^{-\lgroup \frac{R}{L} \rgroup}t$公式 4

我們知道電路中沒有初始電流。因此,為了找到常數k的值,將t = 0 和𝑖 = 0 代入公式 4。

$$0 = \frac{V}{R} + ke^{-\lgroup \frac{R}{L} \rgroup(0)}$$

$$0 = \frac{V}{R} + k(1)$$

$$k = - \frac{V}{R}$$

將 k 的值代入公式 4。

$$i = \frac{V}{R} + \lgroup - \frac{V}{R} \rgroup e^{-\lgroup \frac{R}{L} \rgroup t}$$

$$i = \frac{V}{R} - \frac{V}{R}e^{-\lgroup \frac{R}{L} \rgroup t}$$

因此,流過電路的電流

$i = - \frac{V}{R}e^{-\lgroup \frac{R}{L} \rgroup t} + \frac{V}{R}$公式 5

因此,當串聯 RL 電路受到直流電壓源激勵時的響應具有以下兩項。

  • 第一項 $-\frac{V}{R}e^{-\lgroup \frac{R}{L} \rgroup t}$ 對應於暫態響應

  • 第二項 $\frac{V}{R}$ 對應於穩態響應。這兩個響應如下圖所示。

Steady State Response

我們可以如下重寫公式 5 -

$i = \frac{V}{R} \lgroup 1 - e^{-\lgroup \frac{R}{L} \rgroup t} \rgroup$

$\Rightarrow i = \frac{V}{R} \lgroup 1 - e^{-\lgroup \frac{t}{\tau} \rgroup} \rgroup$公式 6

其中,τ時間常數,其值為 $\frac{L}{R}$。

公式 5 和公式 6 是相同的。但是,透過將t的一些值(如 0、τ、2τ、5τ 等)代入公式 6,我們可以很容易地理解上述流過電路的電流波形。

在上圖中,流過電路的電流波形中,暫態響應從零開始存在到五個時間常數,而穩態響應從五個時間常數開始存在。

網路理論 - 交流電路的響應

在上一章中,我們討論了直流電路的暫態響應和穩態響應。在本章中,讓我們討論交流電路的響應。我們在上一章中討論的暫態響應和穩態響應的概念在這裡也同樣適用。

尋找串聯 RL 電路的響應

考慮以下串聯 RL 電路圖。

RL Series Circuit

在上圖中,開關一直保持開啟狀態,直到t = 0,並在t = 0時閉合。因此,峰值電壓為Vm的交流電壓源直到此時都未連線到串聯 RL 電路。因此,沒有初始電流流過電感器。

開關處於閉合位置時的電路圖如下所示。

Closed Series RL Circuit

現在,由於峰值電壓為Vm的交流電壓源已連線到串聯 RL 電路,電流i(t)流過整個電路。

我們知道流過上述電路的電流i(t)將包含兩項,一項表示暫態部分,另一項表示穩態部分。

在數學上,它可以表示為

$i(t) = i_{Tr}(t) + i_{ss}(t)$公式 1

其中,

  • $i_{Tr}(t)$ 是流過電路的電流的暫態響應。

  • $i_{ss}(t)$ 是流過電路的電流的穩態響應。

在上一章中,我們得到了流過串聯 RL 電路的電流的暫態響應。它採用 $Ke^{-\lgroup \frac{t}{\tau} \rgroup}$ 的形式。

將 $i_{Tr}(t) = Ke^{-\lgroup \frac{t}{\tau} \rgroup}$ 代入公式 1。

$i(t) = Ke^{-\lgroup \frac{t}{\tau} \rgroup} + i_{ss}(t)$公式 2

穩態電流的計算

如果將正弦訊號作為輸入施加到線性電迴路,則它會產生一個穩態輸出,該輸出也是正弦訊號。輸入和輸出正弦訊號將具有相同的頻率,但幅度和相位角不同。

當正弦電壓源激勵電迴路時,我們可以使用拉普拉斯變換方法計算其穩態響應。

開關處於閉合位置時的 s 域電路圖如下所示。

Open Series RL Circuit

在上圖中,所有量和引數都在s 域中表示。這些是時域量和引數的拉普拉斯變換。

上述電路的傳遞函式

$$H(s) = \frac{I(s)}{V(s)}$$

$$\Rightarrow H(s) = \frac{1}{Z(s)}$$

$$\Rightarrow H(s) = \frac{1}{R + sL}$$

在上述等式中代入 $s = j \omega$。

$$H(j \omega) = \frac{1}{R + j \omega L}$$

幅值 $\mathbf{\mathit{H(j \omega)}}$ 為

$$|H(j \omega)| = \frac{1}{\sqrt{R^2 + {\omega}^2}L^2}$$

相位角 $\mathbf{\mathit{H(j \omega)}}$ 為

$$\angle H(j \omega) = -tan^{-1} \lgroup \frac{\omega L}{R} \rgroup$$

我們將透過以下兩個步驟得到穩態電流 $i_{ss}(t)$ −

  • 將輸入正弦電壓的峰值電壓與 $H(j \omega)$ 的幅值相乘。

  • 將輸入正弦電壓和 $H(j \omega)$ 的相位角相加。

穩態電流 $i_{ss}(t)$ 將為

$$i_{ss}(t) = \frac{V_m}{\sqrt{R^2 +{\omega}^2 L^2}} sin \lgroup \omega t + \varphi - tan^{-1} \lgroup \frac {\omega L}{R}\rgroup \rgroup$$

將 $i_{ss}(t)$ 的值代入公式 2。

$i(t) = Ke^{-\lgroup \frac{t}{\tau} \rgroup} + \frac{V_m}{\sqrt{R^2 +{\omega}^2 L^2}} sin \lgroup \omega t + \varphi - tan^{-1} \lgroup \frac {\omega L}{R}\rgroup \rgroup$公式 3

我們知道電路中沒有初始電流。因此,在公式 3 中代入 t = 0i(t) = 0 以找到常數 K 的值。

$$0 = Ke^{-\lgroup \frac{0}{\tau} \rgroup} + \frac{V_m}{\sqrt{R^2 +{\omega}^2 L^2}} sin \lgroup \omega (0) + \varphi - tan^{-1} \lgroup \frac {\omega L}{R}\rgroup \rgroup$$

$$\Rightarrow 0 = K + \frac{V_m}{\sqrt{R^2 +{\omega}^2 L^2}} sin \lgroup \varphi - tan^{-1} \lgroup \frac {\omega L}{R}\rgroup \rgroup$$

$$\Rightarrow K = - \frac{V_m}{\sqrt{R^2 +{\omega}^2 L^2}} sin \lgroup \varphi - tan^{-1} \lgroup \frac {\omega L}{R}\rgroup \rgroup$$

K 的值代入公式 3。

$i(t) = - \frac{V_m}{\sqrt{R^2 +{\omega}^2 L^2}} sin \lgroup \varphi - tan^{-1} \lgroup \frac {\omega L}{R}\rgroup \rgroup e^{-\lgroup \frac{t}{\tau} \rgroup} + \frac{V_m}{\sqrt{R^2 +{\omega}^2 L^2}} sin \lgroup \omega t + \varphi - tan^{-1} \lgroup \frac {\omega L}{R}\rgroup \rgroup$公式 4

公式 4 表示當串聯 RL 電路受正弦電壓源激勵時流過電路的電流。它有兩個項。第一項和第二項分別表示電流的瞬態響應和穩態響應。

我們可以忽略公式 4 的第一項,因為它的值遠小於 1。因此,流過電路的合成電流將為

$$i(t) = \frac{V_m}{\sqrt{R^2 +{\omega}^2 L^2}} sin \lgroup \omega t + \varphi - tan^{-1} \lgroup \frac {\omega L}{R}\rgroup \rgroup$$

它只包含穩態項。因此,我們只能找到交流電路的穩態響應,而忽略其瞬態響應。

網路理論 - 串聯諧振

由於存在電感和電容等儲能元件,共振會發生在電路中。它是無線電和電視接收機設計的根本概念,使它們能夠選擇所需的電臺頻率。

兩種型別的共振,即串聯共振和並聯共振。這些是根據串聯或並聯連線的網路元件進行分類的。在本章中,讓我們討論串聯共振。

串聯共振電路圖

如果共振發生在串聯 RLC 電路中,則稱為串聯共振。考慮以下串聯 RLC 電路,它在相量域中表示。

Series Resonance Circuit

這裡,電阻、電感和電容等無源元件串聯連線。整個組合串聯連線到輸入正弦電壓源。

在迴路中應用KVL

$$V - V_R - V_L - V_C = 0$$

$$\Rightarrow V - IR - I(j X_L) - I(-j X_C) = 0$$

$$\Rightarrow V = IR + I(j X_L) + I(-j X_C)$$

$\Rightarrow V = I[R + j(X_L - X_C)]$公式 1

上述等式為V = IZ的形式。

因此,串聯 RLC 電路的阻抗 Z

$$Z = R + j(X_L - X_C)$$

共振時的引數和電氣量

現在,讓我們逐一推匯出串聯 RLC 電路共振時引數和電氣量的值。

諧振頻率

發生共振的頻率稱為諧振頻率 fr。在串聯 RLC 電路中,當阻抗 Z 的虛部為零時發生共振,即 $X_L - X_C$ 的值應等於零。

$$\Rightarrow X_L = X_C$$

在上述等式中代入 $X_L = 2 \pi f L$ 和 $X_C = \frac{1}{2 \pi f C}$。

$$2 \pi f L = \frac{1}{2 \pi f C}$$

$$\Rightarrow f^2 = \frac{1}{(2 \pi)^2 L C}$$

$$\Rightarrow f = \frac{1}{(2 \pi) \sqrt{LC}}$$

因此,串聯 RLC 電路的諧振頻率 fr

$$f_r = \frac{1}{(2 \pi) \sqrt{LC}}$$

其中,L 是電感器的電感,C 是電容器的電容。

串聯 RLC 電路的諧振頻率 fr 僅取決於電感L 和電容C。但是,它與電阻R 無關。

阻抗

我們得到串聯 RLC 電路的阻抗 Z

$$Z = R + j(X_L - X_C)$$

在上述等式中代入 $X_L = X_C$。

$$Z = R + j(X_C - X_C)$$

$$\Rightarrow Z = R + j(0)$$

$$\Rightarrow Z = R$$

在共振時,串聯 RLC 電路的阻抗 Z 等於電阻R 的值,即Z = R

流過電路的電流

在公式 1 中代入 $X_L - X_C = 0$。

$$V = I[R + j(0)]$$

$$\Rightarrow V = IR$$

$$\Rightarrow I = \frac{V}{R}$$

因此,串聯 RLC 電路在共振時的電流為 $\mathbf{\mathit{I = \frac{V}{R}}}$。

在共振時,串聯 RLC 電路的阻抗達到最小值。因此,在共振時,最大電流流過該電路。

電阻兩端的電壓

電阻兩端的電壓為

$$V_R = IR$$

在上述等式中代入I 的值。

$$V_R = \lgroup \frac{V}{R} \rgroup R$$

$$\Rightarrow V_R = V$$

因此,共振時電阻兩端的電壓VR = V

電感兩端的電壓

電感兩端的電壓為

$$V_L = I(jX_L)$$

在上述等式中代入I 的值。

$$V_L = \lgroup \frac{V}{R} \rgroup (jX_L)$$

$$\Rightarrow V_L = j \lgroup \frac{X_L}{R} \rgroup V$$

$$\Rightarrow V_L = j QV$$

因此,共振時電感兩端的電壓為 $V_L = j QV$。

因此,共振時電感兩端的電壓幅值

$$|V_L| = QV$$

其中Q品質因數,其值等於 $\frac{X_L}{R}$

電容兩端的電壓

電容兩端的電壓為

$$V_C = I(-j X_C)$$

在上述等式中代入 I 的值。

$$V_C = \lgroup \frac{V}{R} \rgroup (-j X_C)$$

$$\Rightarrow V_C = -j \lgroup \frac{X_C}{R} \rgroup V$$

$$\Rightarrow V_C = -jQV$$

因此,共振時電容兩端的電壓為 $\mathbf{\mathit{V_C = -jQV}}$。

因此,共振時電容兩端的電壓幅值

$$|V_C| = QV$$

其中Q品質因數,其值等於 $\frac{X_{C}}{R}$

注意 - 串聯共振 RLC 電路稱為電壓放大電路,因為電感和電容兩端的電壓幅值等於輸入正弦電壓 VQ 倍。

網路理論 - 並聯共振

在上一章中,我們討論了串聯共振的重要性。現在,讓我們討論 RLC 電路中的並聯共振。

並聯共振電路圖

如果共振發生在並聯 RLC 電路中,則稱為並聯共振。考慮以下並聯 RLC 電路,它在相量域中表示。

Parallel Resonance Circuit

這裡,電阻、電感和電容等無源元件並聯連線。整個組合並聯連線到輸入正弦電流源。

在節點 P 處寫出節點方程

$$- I + I_R + I_L + I_C = 0$$

$$\Rightarrow - I + \frac{V}{R} + \frac{V}{j X_L} + \frac{V}{-j X_C} = 0$$

$$\Rightarrow I = \frac{V}{R} - \frac{jV}{X_L} + \frac{jV}{X_C}$$

$\Rightarrow I = V[\frac{1}{R} + j \lgroup \frac{1}{X_C} - \frac{1}{X_L} \rgroup]$公式 1

上述等式為I = VY的形式。

因此,並聯 RLC 電路的導納 Y

$$Y = \frac{1}{R} + j \lgroup \frac{1}{X_C} - \frac{1}{X_L} \rgroup$$

共振時的引數和電氣量

現在,讓我們逐一推匯出並聯 RLC 電路共振時引數和電氣量的值。

諧振頻率

我們知道諧振頻率 fr 是發生共振的頻率。在並聯 RLC 電路中,當導納 Y 的虛部為零時發生共振。即 $\frac{1}{X_C} - \frac{1}{X_L}$ 的值應等於零

$$\Rightarrow \frac{1}{X_C} = \frac{1}{X_L}$$

$$\Rightarrow X_L = X_C$$

上述共振條件與串聯 RLC 電路的共振條件相同。因此,諧振頻率 fr 在串聯 RLC 電路和並聯 RLC 電路中都相同。

因此,並聯 RLC 電路的諧振頻率 fr

$$f_r = \frac{1}{2 \pi \sqrt{LC}}$$

其中,

  • L 是電感器的電感。
  • C 是電容器的電容。

並聯 RLC 電路的諧振頻率 fr 僅取決於電感L 和電容C。但是,它與電阻R 無關。

導納

我們得到並聯 RLC 電路的導納 Y

$$Y = \frac{1}{R} + j \lgroup \frac{1}{X_C} - \frac{1}{X_L} \rgroup$$

在上述等式中代入 $X_L = X_C$。

$$Y = \frac{1}{R} + j \lgroup \frac{1}{X_C} - \frac{1}{X_C} \rgroup$$

$$\Rightarrow Y = \frac{1}{R} + j(0)$$

$$\Rightarrow Y = \frac{1}{R}$$

在共振時,並聯 RLC 電路的導納 Y 等於電阻 R 的倒數,即 $\mathbf{\mathit{Y = \frac{1}{R}}}$

每個元件兩端的電壓

在公式 1 中代入 $\frac{1}{X_C} - \frac{1}{X_L} = 0$

$$I = V [\frac{1}{R} + j(0)]$$

$$\Rightarrow I = \frac{V}{R}$$

$$\Rightarrow V = IR$$

因此,並聯RLC電路在諧振時所有元件上的**電壓**為**V = IR**。

在諧振時,並聯RLC電路的導納達到最小值。因此,在諧振時,每個元件上都存在**最大電壓**。

流過電阻的電流

流過電阻的電流為

$$I_R = \frac{V}{R}$$

V的值代入上式。

$$I_R = \frac{IR}{R}$$

$$\Rightarrow I_R = I$$

因此,諧振時**流過電阻的電流**為$\mathbf{\mathit{I_R = I}}$。

流過電感的電流

流過電感的電流為

$$I_L = \frac{V}{j X_L}$$

V的值代入上式。

$$I_L = \frac{IR}{j X_L}$$

$$\Rightarrow I_L = -j \lgroup \frac{R}{X_L} \rgroup I$$

$$\Rightarrow I_L = -jQI$$

因此,諧振時**流過電感的電流**為$I_L = -jQI$。

所以,諧振時流過電感的電流**幅值**為

$$|I_L| = QI$$

其中,Q為**品質因數**,其值等於$\frac{R}{X_L}$

流過電容的電流

流過電容的電流為

$$I_C = \frac{V}{-j X_C}$$

V的值代入上式。

$$I_C = \frac{IR}{-j X_C}$$

$$\Rightarrow I_C = j \lgroup \frac{R}{X_C} \rgroup I$$

$$\Rightarrow I_C = jQI$$

因此,諧振時**流過電容的電流**為$I_C = jQI$

所以,諧振時流過電容的電流**幅值**為

$$|I_C| = QI$$

其中,Q為**品質因數**,其值等於$\frac{R}{X_C}$

**注意** - 並聯諧振RLC電路稱為**電流放大**電路。因為,流過電感和電容的電流幅值等於輸入正弦電流IQ倍。

網路理論 - 耦合電路

當電路中存在的線圈(或電感器)之間存在互感時,該電路被稱為**耦合電路**。線圈不過是電阻和電感串聯的組合。在沒有電阻的情況下,線圈就變成了電感器。有時,線圈和電感這兩個術語可以互換使用。

在本章中,我們首先討論點約定,然後討論耦合的分類。

點約定

點約定是一種技術,它提供了有關帶點端子上電壓極性的詳細資訊。此資訊在編寫KVL方程時非常有用。

  • 如果電流進入一個線圈(或電感器)的帶點端子,則它會在另一個線圈(或電感器)上感應出一個電壓,該電壓在帶點端子上具有**正極性**。

  • 如果電流從一個線圈(或電感器)的帶點端子離開,則它會在另一個線圈(或電感器)上感應出一個電壓,該電壓在帶點端子上具有**負極性**。

耦合的分類

我們可以將**耦合**分為以下兩類。

  • 電耦合
  • 磁耦合

現在,讓我們逐一討論每種型別的耦合。

電耦合

當兩個線圈(或電感器)之間存在**物理連線**時,就會發生電耦合。這種耦合可以是互助型或對立型。它取決於電流是進入帶點端子還是從帶點端子離開。

互助型耦合

考慮以下電氣電路,該電路有兩個串聯連線的電感器。

Coupling Aiding

由於這兩個電感器是串聯連線的,因此**相同的電流I**流過兩個自感分別為L1和L2的電感器。

在這種情況下,電流I進入每個電感器的帶點端子。因此,由於另一個線圈中的電流,每個電感器中的感應電壓在其帶點端子上將具有**正極性**。

在上述電氣電路或網路的迴路周圍應用**KVL**。

$$V - L_1 \frac{dI}{dt} - M \frac{dI}{dt} - L_2 \frac{dI}{dt} - M \frac{dI}{dt} = 0$$

$$V = L_1 \frac{dI}{dt} + L_2 \frac{dI}{dt} + 2M \frac{dI}{dt}$$

$$V = (L_1 + L_2 + 2M)\frac{dI}{dt}$$

上式為$\mathbf{\mathit{V = L_{Eq} \frac{dI}{dt}}}$的形式

因此,上圖所示的電感器串聯組合的**等效電感**為

$$L_{Eq} = L_1 + L_2 + 2M$$

在這種情況下,等效電感增加了2M。因此,上述電路是**電**耦合的一個例子,它是**互助**型的。

對立型耦合

考慮以下電氣電路,該電路有兩個串聯連線的電感器。

Coupling Opposing

在上圖電路中,電流I進入自感為L1的電感的帶點端子。因此,它在另一個自感為L2的電感中感應出一個電壓。因此,該電感器帶點端子上存在感應電壓的**正極性**。

在上圖電路中,電流I從自感為L2的電感的帶點端子離開。因此,它在另一個自感為L1的電感中感應出一個電壓。因此,該電感器帶點端子上存在感應電壓的**負極性**。

在上述電氣電路或網路的迴路周圍應用**KVL**。

$$V - L_1 \frac{dI}{dt} + M \frac{dI}{dt} - L_2 \frac{dI}{dt} + M \frac{dI}{dt} = 0$$

$$\Rightarrow V = L_1 \frac{dI}{dt} + L_2 \frac{dI}{dt} - 2M \frac{dI}{dt}$$

$$\Rightarrow V = (L_1 + L_2 - 2M)\frac{dI}{dt}$$

上式為$\mathbf{\mathit{V = L_{Eq} \frac{dI}{dt}}}$的形式

因此,上圖所示的電感器串聯組合的**等效電感**為

$$L_{Eq} = L_1 + L_2 - 2M$$

在這種情況下,等效電感減少了2M。因此,上述電路是**電**耦合的一個例子,它是**對立**型的。

磁耦合

當兩個線圈(或電感器)之間**沒有物理連線**時,就會發生磁耦合。這種耦合可以是互助型或對立型。它取決於電流是進入帶點端子還是從帶點端子離開。

互助型耦合

考慮以下變壓器的電等效**電路**。它有兩個線圈,分別稱為初級線圈和次級線圈。

Magnetic Coupling Aiding

流過初級和次級線圈的電流分別為i1和i2。在這種情況下,這些電流**進入**各自線圈的帶點端子。因此,由於另一個線圈中的電流,每個線圈中的感應電壓在其帶點端子上將具有正極性。

在初級線圈周圍應用**KVL**。

$$v_1 - L_1 \frac{d i_1}{dt} - M \frac{d i_2}{dt} = 0$$

$\Rightarrow v_1 = L_1 \frac{d i_1}{dt} + M \frac{d i_2}{dt}$方程1

在次級線圈周圍應用**KVL**。

$$v_2 - L_2 \frac{d i_2}{dt} - M \frac{d i_1}{dt} = 0$$

$\Rightarrow v_2 = L_2 \frac{d i_2}{dt} + M \frac{d i_1}{dt}$方程2

在方程1和方程2中,自感電壓和互感電壓具有相同的極性。因此,上述變壓器電路是**磁耦合**的一個例子,它是**互助**型的。

對立型耦合

考慮以下變壓器的電等效**電路**。

Magnetic Coupling Opposing

流過初級和次級線圈的電流分別為i1和i2。在這種情況下,電流i1進入初級線圈的帶點端子。因此,它在次級線圈中感應出一個電壓。因此,該次級線圈帶點端子上存在感應電壓的**正極性**。

在上圖電路中,電流i2從次級線圈的帶點端子離開。因此,它在初級線圈中感應出一個電壓。因此,該初級線圈帶點端子上存在感應電壓的**負極性**。

在初級線圈周圍應用**KVL**。

$$v_1 - L_1 \frac{d i_1}{dt} + M \frac{d i_2}{dt} = 0$$

$\Rightarrow v_1 = L_1 \frac{d i_1}{dt} - M \frac{d i_2}{dt}$方程3

在次級線圈周圍應用**KVL**。

$$v_2 - L_2 \frac{d i_2}{dt} + M \frac{d i_1}{dt} = 0$$

$\Rightarrow v_2 = L_2 \frac{d i_2}{dt} - M \frac{d i_1}{dt}$方程4

在方程3和方程4中,自感電壓和互感電壓具有相反的極性。因此,上述變壓器電路是**磁耦合**的一個例子,它是**對立**型的。

網路理論 - 二埠網路

通常,如果用一個等效模型表示任何電網路,則很容易分析該網路,該模型給出了輸入和輸出變數之間的關係。為此,我們可以使用**二埠網路**表示。顧名思義,二埠網路包含兩個埠。其中一個埠用作輸入埠,另一個埠用作輸出埠。第一個和第二個埠分別稱為埠1和埠2。

**單埠網路**是一個二端電網路,其中電流透過一個端子進入,透過另一個端子離開。電阻、電感和電容是單埠網路的例子,因為每個都具有兩個端子。單埠網路表示如下圖所示。

One Port

這裡,端子對1 & 1’表示一個埠。在這種情況下,我們只有一個埠,因為它是一個單埠網路。

類似地,**二埠網路**是一對二端電網路,其中電流透過一個端子進入,透過每個埠的另一個端子離開。二埠網路表示如下圖所示。

Two Port

這裡,一組端子1 & 1’表示一個埠,稱為**埠1**,另一組端子2 & 2’表示另一個埠,稱為**埠2**。

二埠網路中有**四個變數**V1、V2、I1和I2,如圖所示。其中,我們可以選擇兩個變數作為自變數,另外兩個變數作為因變數。因此,我們將得到六種可能的方程對。這些方程用自變量表示因變數。自變數的係數稱為**引數**。因此,每對方程將給出四組引數。

二埠網路引數

二埠網路的引數稱為**二埠網路引數**,或簡稱為二埠引數。以下是二埠網路引數的型別。

  • Z引數
  • Y引數
  • T引數
  • T'引數
  • h引數
  • g引數

現在,讓我們逐一討論這些二埠網路引數。

Z引數

透過將變數V1 & V2視為因變數,將I1 & I2視為自變數,我們將得到以下兩對方程。自變數I1和I2的係數稱為**Z引數**。

$$V_1 = Z_{11} I_1 + Z_{12} I_2$$

$$V_2 = Z_{21} I_1 + Z_{22} I_2$$

Z 引數

$$Z_{11} = \frac{V_1}{I_1}, \: 當 \: I_2 = 0時$$

$$Z_{12} = \frac{V_1}{I_2}, \: 當 \: I_1 = 0時$$

$$Z_{21} = \frac{V_2}{I_1}, \: 當 \: I_2 = 0時$$

$$Z_{22} = \frac{V_2}{I_2}, \: 當 \: I_1 = 0時$$

Z 引數被稱為阻抗引數,因為它們只是電壓和電流的比值。Z 引數的單位為歐姆 (Ω)。

我們可以透過開路埠 2 來計算兩個 Z 引數,Z11 和 Z21。類似地,我們可以透過開路埠 1 來計算另外兩個 Z 引數,Z12 和 Z22。因此,Z 引數也被稱為開路阻抗引數

Y引數

如果將變數 I1 和 I2 視為因變數,V1 和 V2 視為自變數,我們將得到以下兩組方程。自變數 V1 和 V2 的係數稱為Y 引數

$$I_1 = Y_{11} V_1 + Y_{12} V_2$$

$$I_2 = Y_{21} V_1 + Y_{22} V_2$$

Y 引數

$$Y_{11} = \frac{I_1}{V_1}, \: 當 \: V_2 = 0時$$

$$Y_{12} = \frac{I_1}{V_2}, \: 當 \: V_1 = 0時$$

$$Y_{21} = \frac{I_2}{V_1}, \: 當 \: V_2 = 0時$$

$$Y_{22} = \frac{I_2}{V_2}, \: 當 \: V_1 = 0時$$

Y 引數被稱為導納引數,因為它們只是電流和電壓的比值。Y 引數的單位為姆歐。

我們可以透過短路埠 2 來計算兩個 Y 引數,Y11 和 Y21。類似地,我們可以透過短路埠 1 來計算另外兩個 Y 引數,Y12 和 Y22。因此,Y 引數也被稱為短路導納引數

T引數

如果將變數 V1 和 I1 視為因變數,V2 和 I2 視為自變數,我們將得到以下兩組方程。V2 和 -I2 的係數稱為T 引數

$$V_1 = A V_2 - B I_2$$

$$I_1 = C V_2 - D I_2$$

T 引數

$$A = \frac{V_1}{V_2}, \: 當 \: I_2 = 0時$$

$$B = -\frac{V_1}{I_2}, \: 當 \: V_2 = 0時$$

$$C = \frac{I_1}{V_2}, \: 當 \: I_2 = 0時$$

$$D = -\frac{I_1}{I_2}, \: 當 \: V_2 = 0時$$

T 引數被稱為傳輸引數或ABCD 引數。引數 A 和 D 沒有單位,因為它們是無量綱的。引數 B 和 C 的單位分別為歐姆和姆歐。

我們可以透過開路埠 2 來計算兩個引數 A 和 C。類似地,我們可以透過短路埠 2 來計算另外兩個引數 B 和 D。

T’ 引數

如果將變數 V2 和 I2 視為因變數,V1 和 I1 視為自變數,我們將得到以下兩組方程。V1 和 -I1 的係數稱為T’ 引數

$$V_2 = A' V_1 - B' I_1$$

$$I_2 = C' V_1 - D' I_1$$

T’ 引數

$$A' = \frac{V_2}{V_1}, \: 當\: I_1 = 0時$$

$$B' = -\frac{V_2}{I_1}, \: 當\: V_1 = 0時$$

$$C' = \frac{I_2}{V_1}, \: 當\: I_1 = 0時$$

$$D' = -\frac{I_2}{I_1}, \: 當 \: V_1 = 0時$$

T’ 引數被稱為逆傳輸引數或A’B’C’D’ 引數。引數 A’ 和 D’ 沒有單位,因為它們是無量綱的。引數 B’ 和 C’ 的單位分別為歐姆和姆歐。

我們可以透過開路埠 1 來計算兩個引數 A’ 和 C’。類似地,我們可以透過短路埠 1 來計算另外兩個引數 B’ 和 D’。

h引數

如果將變數 V1 和 I2 視為因變數,I1 和 V2 視為自變數,我們將得到以下兩組方程。自變數 I1 和 V2 的係數稱為h 引數

$$V_1 = h_{11} I_1 + h_{12} V_2$$

$$I_2 = h_{21} I_1 + h_{22} V_2$$

h 引數為

$$h_{11} = \frac{V_1}{I_1},\: 當\: V_2 = 0時$$

$$h_{12} = \frac{V_1}{V_2},\: 當\: I_1 = 0時$$

$$h_{21} = \frac{I_2}{I_1},\: 當\: V_2 = 0時$$

$$h_{22} = \frac{I_2}{V_2},\: 當\: I_1 = 0時$$

h 引數被稱為混合引數。引數 h12 和 h21 沒有單位,因為它們是無量綱的。引數 h11 和 h22 的單位分別為歐姆和姆歐。

我們可以透過短路埠 2 來計算兩個引數 h11 和 h21。類似地,我們可以透過開路埠 1 來計算另外兩個引數 h12 和 h22

h 引數或混合引數在電晶體建模電路(網路)中很有用。

g引數

如果將變數 I1 和 V2 視為因變數,V1 和 I2 視為自變數,我們將得到以下兩組方程。自變數 V1 和 I2 的係數稱為g 引數

$$I_1 = g_{11} V_1 + g_{12} I_2$$

$$V_2 = g_{21} V_1 + g_{22} I_2$$

g 引數

$$g_{11} = \frac{I_1}{V_1},\: 當\: I_2 = 0時$$

$$g_{12} = \frac{I_1}{I_2},\: 當\: V_1 = 0時$$

$$g_{21} = \frac{V_2}{V_1},\: 當\: I_2 = 0時$$

$$g_{22} = \frac{V_2}{I_2},\: 當 \: V_1 = 0時$$

g 引數被稱為逆混合引數。引數 g12 和 g21 沒有單位,因為它們是無量綱的。引數 g11 和 g22 的單位分別為姆歐和歐姆。

我們可以透過開路埠 2 來計算兩個引數 g11 和 g21。類似地,我們可以透過短路埠 1 來計算另外兩個引數 g12 和 g22

二埠引數轉換

在上一章中,我們討論了六種型別的二埠網路引數。現在,讓我們將一組二埠網路引數轉換為另一組二埠網路引數。這種轉換被稱為二埠網路引數轉換,或簡稱為二埠引數轉換

有時,很容易找到給定電網路的一組引數。在這些情況下,我們可以將這些引數轉換為所需的引數集,而不是更困難地直接計算這些引數。

現在,讓我們討論一些二埠引數轉換。

二埠引數轉換的過程

在將一組二埠網路引數轉換為另一組二埠網路引數時,請遵循以下步驟。

  • 步驟 1 - 以所需引數的形式寫出二埠網路的方程。

  • 步驟 2 - 以給定引數的形式寫出二埠網路的方程。

  • 步驟 3 - 以與步驟 1 的方程類似的方式重新排列步驟 2 的方程。

  • 步驟 4 - 透過比較步驟 1 和步驟 3 中的類似方程,我們將得到以給定引數表示的所需引數。我們可以用矩陣形式表示這些引數。

Z 引數到 Y 引數

在這裡,我們必須用 Z 引數表示 Y 引數。因此,在這種情況下,Y 引數是所需引數,Z 引數是給定引數。

步驟 1 - 我們知道以下兩組方程,它們用Y 引數表示二埠網路。

$$I_1 = Y_{11} V_1 + Y_{12} V_2$$

$$I_2 = Y_{21} V_1 + Y_{22} V_2$$

我們可以用矩陣形式表示上述兩個方程為

$\begin{bmatrix}I_1 \\I_2 \end{bmatrix} = \begin{bmatrix}Y_{11} & Y_{12} \\Y_{21} & Y_{22} \end{bmatrix} \begin{bmatrix}V_1 \\V_2 \end{bmatrix}$方程 1

步驟 2 - 我們知道以下兩組方程,它們用Z 引數表示二埠網路。

$$V_1 = Z_{11} I_1 + Z_{12} I_2$$

$$V_2 = Z_{21} I_1 + Z_{22} I_2$$

我們可以用矩陣形式表示上述兩個方程為

$$\begin{bmatrix}V_1 \\V_2 \end{bmatrix} = \begin{bmatrix}Z_{11} & Z_{12} \\Z_{21} & Z_{22} \end{bmatrix} \begin{bmatrix}I_1 \\I_2 \end{bmatrix}$$

步驟 3 - 我們可以將其修改為

$\begin{bmatrix}I_1 \\I_2 \end{bmatrix} = \begin{bmatrix}Z_{11} & Z_{12} \\Z_{21} & Z_{22} \end{bmatrix}^{-1} \begin{bmatrix}V_1 \\V_2 \end{bmatrix}$方程 2

步驟 4 - 透過比較方程 1 和方程 2,我們將得到

$$\begin{bmatrix}Y_{11} & Y_{12} \\Y_{21} & Y_{22} \end{bmatrix} = \begin{bmatrix}Z_{11} & Z_{12} \\Z_{21} & Z_{22} \end{bmatrix}^{-1} $$

$$\Rightarrow \begin{bmatrix}Y_{11} & Y_{12} \\Y_{21} & Y_{22} \end{bmatrix} = \frac{\begin{bmatrix}Z_{22} & -Z_{12} \\-Z_{21} & Z_{11} \end{bmatrix}}{\Delta Z}$$

其中,

$$\Delta Z = Z_{11} Z_{22} - Z_{12} Z_{21}$$

因此,只需對Z 引數矩陣求逆,我們就可以得到 Y 引數矩陣。

Z 引數到 T 引數

在這裡,我們必須用 Z 引數表示 T 引數。因此,在這種情況下,T 引數是所需引數,Z 引數是給定引數。

步驟 1 - 我們知道以下兩組方程,它們用T 引數表示二埠網路。

$$V_1 = A V_2 - B I_2$$

$$I_1 = C V_2 - D I_2$$

步驟 2 - 我們知道以下兩組方程,它們用Z 引數表示二埠網路。

$$V_1 = Z_{11} I_1 + Z_{12} I_2$$

$$V_2 = Z_{21} I_1 + Z_{22} I_2$$

步驟 3 - 我們可以將上述方程修改為

$$\Rightarrow V_2 - Z_{22} I_2 = Z_{21} I_1$$

$$\Rightarrow I_1 = \lgroup \frac{1}{Z_{21}} \rgroup V_2 - \lgroup \frac{Z_{22}}{Z_{21}} \rgroup I_2$$

步驟 4 - 上述方程的形式為 $I_1 = CV_2 − DI_2$。這裡,

$$C = \frac{1}{Z_{21}}$$

$$D = \frac{Z_{22}}{Z_{21}}$$

步驟 5 - 將步驟 3 中的 $I_1$ 值代入步驟 2 中的 $V_1$ 方程。

$$V_1 = Z_{11} \lbrace \lgroup \frac {1}{Z_{12}} \rgroup V_2 - \lgroup \frac {Z_{22}}{Z_{21}} \rgroup I_2 \rbrace + Z_{12} I_2$$

$$\Rightarrow V_1 = \lgroup \frac {Z_{11}}{Z_{21}} \rgroup V_2 - \lgroup \frac{Z_{11} Z_{22} - Z_{12} Z_{21}}{Z_{21}} \rgroup I_2$$

步驟 6 - 上述方程的形式為 $V_1 = AV_2 − BI_2$。這裡,

$$A = \frac{Z_{11}}{Z_{21}}$$

$$B = \frac{Z_{11} Z_{22} - Z_{12} Z_{21}}{Z_{21}}$$

步驟 7 - 因此,T 引數矩陣

$$\begin{bmatrix}A & B \\C & D \end{bmatrix} = \begin{bmatrix}\frac{Z_{11}}{Z_{21}} & \frac{Z_{11}Z_{22} - Z_{12}Z_{21}}{Z_{21}} \\\frac{1}{Z_{21}} & \frac{Z_{22}}{Z_{21}} \end{bmatrix}$$

Y 引數到 Z 引數

在這裡,我們必須用 Y 引數表示 Z 引數。因此,在這種情況下,Z 引數是所需引數,Y 引數是給定引數。

步驟 1 - 我們知道以下二埠網路的矩陣方程,將 Z 引數作為

$\begin{bmatrix}V_1 \\V_2 \end{bmatrix} = \begin{bmatrix}Z_{11} & Z_{12} \\Z_{21} & Z_{22} \end{bmatrix} \begin{bmatrix}I_1 \\I_2 \end{bmatrix}$方程 3

步驟 2 - 我們知道以下二埠網路的矩陣方程,將 Y 引數作為

$$\begin{bmatrix}I_1 \\I_2 \end{bmatrix} = \begin{bmatrix}Y_{11} & Y_{12} \\Y_{21} & Y_{22} \end{bmatrix} \begin{bmatrix}V_1 \\V_2 \end{bmatrix}$$

步驟 3 - 我們可以將其修改為

$\begin{bmatrix}V_1 \\V_2 \end{bmatrix} = \begin{bmatrix}Y_{11} & Y_{12} \\Y_{21} & Y_{22} \end{bmatrix}^{-1} \begin{bmatrix}I_1 \\I_2 \end{bmatrix}$公式 4

步驟 4 − 透過將公式 3 和公式 4 等價,我們將得到

$$\begin{bmatrix}Z_{11} & Z_{12} \\Z_{21} & Z_{22} \end{bmatrix} = \begin{bmatrix}Y_{11} & Y_{12} \\Y_{21} & Y_{22} \end{bmatrix}^{-1}$$

$$\Rightarrow \begin{bmatrix}Z_{11} & Z_{12} \\Z_{21} & Z_{22} \end{bmatrix} = \frac{\begin{bmatrix}Y_{22} & - Y_{12} \\- Y_{21} & Y_{11} \end{bmatrix}}{\Delta Y}$$

其中,

$$\Delta Y = Y_{11} Y_{22} - Y_{12} Y_{21}$$

所以,只需對Y 引數矩陣求逆,我們就可以得到 Z 引數矩陣。

Y 引數到 T 引數

這裡,我們必須用 Y 引數表示 T 引數。因此,在這種情況下,T 引數是目標引數,Y 引數是給定引數。

步驟 1 - 我們知道以下兩組方程,它們用T 引數表示二埠網路。

$$V_1 = A V_2 - B I_2$$

$$I_1 = C V_2 - D I_2$$

步驟 2 − 我們知道以下關於 Y 引數的二埠網路的兩組方程。

$$I_1 = Y_{11} V_1 + Y_{12} V_2$$

$$I_2 = Y_{21} V_1 + Y_{22} V_2$$

步驟 3 - 我們可以將上述方程修改為

$$\Rightarrow I_2 - Y_{22} V_2 = Y_{21} V_1$$

$$\Rightarrow V_1 = \lgroup \frac{- Y_{22}}{Y_{21}} \rgroup V_2 - \lgroup \frac{-1}{Y_{21}} \rgroup I_2$$

步驟 4 − 上述方程的形式為 $V_1 = AV_2 − BI_2$。這裡,

$$A = \frac{- Y_{22}}{Y_{21}}$$

$$B = \frac{-1}{Y_{21}}$$

步驟 5 − 將步驟 3 中的 $V_1$ 值代入步驟 2 中的 $I_1$ 方程。

$$I_1 = Y_{11} \lbrace \lgroup \frac{- Y_{22}}{Y_{21}} \rgroup V_2 - \lgroup \frac{-1}{Y_{21}} \rgroup I_2 \rbrace + Y_{12} V_2$$

$$\Rightarrow I_1 = \lgroup \frac {Y_{12} Y_{21} - Y_{11} Y_{22}}{Y_{21}} \rgroup V_2 - \lgroup \frac{- Y_{11}} {Y_{21}} \rgroup I_2$$

步驟 6 − 上述方程的形式為 $I_1 = CV_2 − DI_2$。這裡,

$$C = \frac {Y_{12} Y_{21} - Y_{11} Y_{22}}{Y_{21}}$$

$$D = \frac{- Y_{11}} {Y_{21}}$$

步驟 7 - 因此,T 引數矩陣

$$\begin{bmatrix}A & B \\C & D \end{bmatrix} = \begin{bmatrix}\frac{-Y_{22}}{Y_{21}} & \frac{-1}{Y_{21}} \\\frac{Y_{12}Y_{21} - Y_{11}Y_{22}}{Y_{21}} & \frac{-Y_{11}}{Y_{21}} \end{bmatrix}$$

T 引數到 h 引數

這裡,我們必須用 T 引數表示 h 引數。因此,在這種情況下,h 引數是目標引數,T 引數是給定引數。

步驟 1 − 我們知道,以下為二埠網路的h 引數

$$h_{11} = \frac{V_1}{I_1}, \: 當 \: V_2 = 0$$

$$h_{12} = \frac{V_1}{V_2}, \: 當 \: I_1 = 0$$

$$h_{21} = \frac{I_2}{I_1}, \: 當 \: V_2 = 0$$

$$h_{22} = \frac{I_2}{V_2}, \: 當 \: I_1 = 0$$

步驟 2 − 我們知道以下關於T 引數的二埠網路的兩組方程。

$V_1 = A V_2 - B I_2$公式 5

$I_1 = C V_2 - D I_2$公式 6

步驟 3 − 將 $V_2 = 0$ 代入上述方程以找到兩個 h 引數,$h_{11}$ 和 $h_{21}$。

$$\Rightarrow V_1 = -B I_2$$

$$\Rightarrow I_1 = -D I_2$$

將 $V_1$ 和 $I_1$ 值代入 h 引數 $h_{11}$。

$$h_{11} = \frac{-B I_2}{-D I_2}$$

$$\Rightarrow h_{11} = \frac{B}{D}$$

將 $I_1$ 值代入 h 引數 $h_{21}$。

$$h_{21} = \frac{I_2}{- D I_2}$$

$$\Rightarrow h_{21} = - \frac{1}{D}$$

步驟 4 − 將 $I_1 = 0$ 代入步驟 2 的第二個方程以找到 h 引數 $h_{22}$。

$$0 = C V_2 - D I_2$$

$$\Rightarrow C V_2 = D I_2$$

$$\Rightarrow \frac{I_2}{V_2} = \frac{C}{D}$$

$$\Rightarrow h_{22} = \frac{C}{D}$$

步驟 5 − 將 $I_2 = \lgroup \frac{C}{D} \rgroup V_2$ 代入步驟 2 的第一個方程以找到 h 引數 $h_{12}$。

$$V_1 = A V_2 - B \lgroup \frac{C}{D} \rgroup V_2$$

$$\Rightarrow V_1 = \lgroup \frac{AD - BC}{D} \rgroup V_2$$

$$\Rightarrow \frac{V_1}{V_2} = \frac{AD - BC}{D}$$

$$\Rightarrow h_{12} = \frac{AD - BC}{D}$$

步驟 6 − 因此,h 引數矩陣為

$$\begin{bmatrix}h_{11} & h_{12} \\h_{21} & h_{22} \end{bmatrix} = \begin{bmatrix}\frac{B}{D} & \frac{AD - BC}{D} \\-\frac{1}{D} & \frac{C}{D} \end{bmatrix}$$

h 引數到 Z 引數

這裡,我們必須用 h 引數表示 Z 引數。因此,在這種情況下,Z 引數是目標引數,h 引數是給定引數。

步驟 1 − 我們知道,以下為關於Z 引數的二埠網路的兩組方程。

$$V_1 = Z_{11} I_1 + Z_{12} I_2$$

$$V_2 = Z_{21} I_1 + Z_{22} I_2$$

步驟 2 − 我們知道,以下為關於h 引數的二埠網路的兩組方程。

$$V_1 = h_{11} I_1 + h_{12} V_2$$

$$I_2 = h_{21} I_1 + h_{22} V_2$$

步驟 3 - 我們可以將上述方程修改為

$$\Rightarrow I_2 - h_{21} I_1 = h_{22} V_2$$

$$\Rightarrow V_2 = \frac{I_2 - h_{21} I_1}{h_{22}}$$

$$\Rightarrow V_2 = \lgroup \frac{-h_{21}}{h_{22}} \rgroup I_1 + \lgroup \frac{1}{h_{22}} \rgroup I_2$$

上述方程的形式為 $V_2 = Z_{21} I_1 + Z_{22} I_2$。這裡,

$$Z_{21} = \frac{-h_{21}}{h_{22}}$$

$$Z_{22} = \frac{1}{h_{22}}$$

步驟 4 − 將 V2 值代入步驟 2 的第一個方程。

$$V_1 = h_{11} I_1 + h_{21} \lbrace \lgroup \frac{-h_{21}}{h_{22}} \rgroup I_1 + \lgroup \frac{1}{h_{22}} \rgroup I_2 \rbrace$$

$$\Rightarrow V_1 = \lgroup \frac{h_{11}h_{22} - h_{12}h_{21}}{h_{22}} \rgroup I_1 + \lgroup \frac{h_{12}}{h_{22}} \rgroup I_2$$

上述方程的形式為 $V_1 = Z_{11}I_1 + Z_{12}I_2$。這裡,

$$Z_{11} = \frac{h_{11}h_{22} - h_{12}h_{21}}{h_{22}}$$

$$Z_{12} = \frac{h_{12}}{h_{22}}$$

步驟 5 − 因此,Z 引數矩陣為

$$\begin{bmatrix}Z_{11} & Z_{12} \\Z_{21} & Z_{22} \end{bmatrix} = \begin{bmatrix}\frac{h_{11}h_{22} - h_{12}h_{21}}{h_{22}} & \frac{h_{12}}{h_{22}} \\\frac{-h_{21}}{h_{22}} & \frac{1}{h_{22}} \end{bmatrix}$$

透過這種方式,我們可以將一組引數轉換為另一組引數。

網路理論 - 濾波器

顧名思義,濾波器可以濾除頻率成分。這意味著,它們允許某些頻率成分和/或抑制其他一些頻率成分。

在本章中,讓我們討論一下無源濾波器。它們是具有無源元件(如電阻、電感和電容)的電路或網路。

濾波器的型別

濾波器主要根據允許和/或抑制的頻率帶分為四種類型。以下是濾波器的型別。

  • 低通濾波器
  • 高通濾波器
  • 帶通濾波器
  • 帶阻濾波器

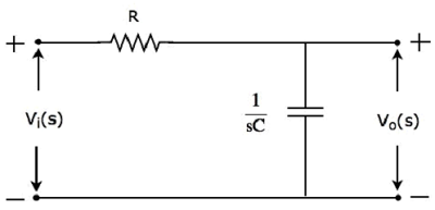
低通濾波器

顧名思義,低通濾波器只允許低頻成分透過。這意味著,它抑制(阻擋)所有其他高頻成分。

低通濾波器的 s 域電路圖(網路)如下圖所示。

Low Pass Filter

它由兩個無源元件電阻和電容組成,它們串聯連線。輸入電壓施加到整個組合上,輸出被認為是電容兩端的電壓。

這裡,$V_i(s)$ 和 $V_o(s)$ 分別是輸入電壓 $v_i(t)$ 和輸出電壓 $v_o(t)$ 的拉普拉斯變換。

上述網路的傳遞函式

$$H(s) = \frac{V_o(s)}{V_i(s)} = \frac{\frac{1}{sC}}{R + \frac{1}{sC}}$$

$$\Rightarrow H(s) = \frac{1}{1 + sCR}$$

將 $s = j \omega$ 代入上述方程。

$$H(j \omega) = \frac{1}{1 + j \omega CR}$$

傳遞函式的幅值為

$$|H(j \omega)| = \frac{1}{\sqrt{(1 + (\omega CR)^2}}$$

  • ω = 0 時,傳遞函式的幅值為 1。

  • 在 $\omega = \frac{1}{CR}$ 時,傳遞函式的幅值為 0.707。

  • ω = ∞ 時,傳遞函式的幅值為 0。

因此,低通濾波器的傳遞函式幅值將隨著 ω 從 0 變到 ∞ 而從 1 變到 0。

高通濾波器

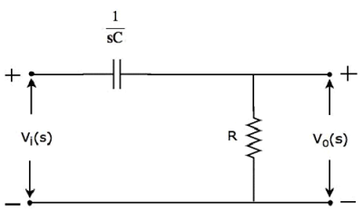
顧名思義,高通濾波器只允許高頻成分透過。這意味著,它抑制(阻擋)所有低頻成分。

高通濾波器的 s 域電路圖(網路)如下圖所示。

High Pass Filter

它由兩個無源元件電容和電阻組成,它們串聯連線。輸入電壓施加到整個組合上,輸出被認為是電阻兩端的電壓。

這裡,$V_i(s)$ 和 $V_o(s)$ 分別是輸入電壓 $v_i(t)$ 和輸出電壓 $v_o(t)$ 的拉普拉斯變換。

上述網路的傳遞函式

$$H(s) = \frac{V_o(s)}{V_i(s)} = \frac{R}{R + \frac{1}{sC}}$$

$$\Rightarrow H(s) = \frac{sCR}{1 + sCR}$$

將 $s = j \omega$ 代入上述方程。

$$H(j \omega) = \frac{j \omega CR}{1 + j \omega CR}$$

傳遞函式的幅值為

$$|H(j \omega)| = \frac{\omega CR}{\sqrt{(1 + (\omega CR)^2}}$$

  • ω = 0 時,傳遞函式的幅值為 0。

  • 在 $\omega = \frac{1}{CR}$ 時,傳遞函式的幅值為 0.707。

  • ω = ∞ 時,傳遞函式的幅值為 1。

因此,高通濾波器的傳遞函式幅值將隨著 ω 從 0 變到 ∞ 而從 0 變到 1。

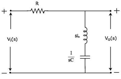
帶通濾波器

顧名思義,帶通濾波器只允許一個頻帶透過。通常,此頻率帶位於低頻範圍和高頻範圍之間。這意味著,此濾波器抑制(阻擋)低頻和高頻成分。

帶通濾波器的 s 域電路圖(網路)如下圖所示。

Band Pass Filter

它由三個無源元件電感、電容和電阻組成,它們串聯連線。輸入電壓施加到整個組合上,輸出被認為是電阻兩端的電壓。

這裡,$V_i(s)$ 和 $V_o(s)$ 分別是輸入電壓 $v_i(t)$ 和輸出電壓 $v_o(t)$ 的拉普拉斯變換。

上述網路的傳遞函式

$$H(s) = \frac{V_o(s)}{V_i(s)} = \frac{R}{R + \frac{1}{sC} + sL}$$

$$\Rightarrow H(s) = \frac{s CR}{s^2 LC + sCR + 1}$$

在上述等式中代入 $s = j \omega$。

$$H(j \omega) = \frac{j \omega CR}{1 - \omega^2 LC + j \omega CR}$$

傳遞函式的幅值為

$$|H(j \omega)| = \frac{\omega CR}{\sqrt{(1 - \omega^2 LC)^2 + (\omega CR)^2}}$$

  • ω = 0 時,傳遞函式的幅值為 0。

  • 在 $\omega = \frac{1}{\sqrt{LC}}$ 時,傳遞函式的幅值為 1。

  • ω = ∞ 時,傳遞函式的幅值為 0。

因此,帶通濾波器的傳遞函式幅值將隨著 ω 從 0 變到 ∞ 而從 0 變到 1 和 1 變到 0。

帶阻濾波器

顧名思義,帶阻濾波器只抑制(阻擋)一個頻帶。通常,此頻率帶位於低頻範圍和高頻範圍之間。這意味著,此濾波器允許(透過)低頻和高頻成分。

電路圖和帶阻濾波器的 s 域(網路)如下圖所示。

Band Stop Filter

它由三個無源元件電阻、電感和電容組成,它們串聯連線。輸入電壓施加到整個組合上,輸出被認為是電感和電容組合兩端的電壓。

這裡,$V_i(s)$ 和 $V_o(s)$ 分別是輸入電壓 $v_i(t)$ 和輸出電壓 $v_o(t)$ 的拉普拉斯變換。

上述網路的傳遞函式

$$H(s) = \frac{V_o(s)}{V_i(s)} = \frac{sL + \frac{1}{sC}}{R + sL + \frac{1}{sC}}$$

$$\Rightarrow H(s) = \frac{s^2 LC + 1}{s^2 LC + sCR + 1}$$

將 $s = j \omega$ 代入上述方程。

$$H(j \omega) = \frac{1 - \omega^2 LC}{1 - \omega^2 LC + j \omega CR}$$

傳遞函式的幅值為

$$|H(j \omega)| = \frac{1 - \omega^2 LC}{\sqrt{(1 - \omega^2 LC)^2 + (\omega CR)^2}}$$

  • ω = 0 時,傳遞函式的幅值為 1。

  • 在 $\omega = \frac{1}{\sqrt{LC}}$ 時,傳遞函式的幅值為 0。

  • ω = ∞ 時,傳遞函式的幅值為 1。

因此,帶阻濾波器的傳遞函式幅值將隨著 ω 從 0 變到 ∞ 而從 1 變到 0 和 0 變到 1。

廣告
© . All rights reserved.