• Microsoft Visio 教程

Microsoft Visio 快速指南



Microsoft Visio - 概述

計算機繪圖是在PC上建立可縮放圖表的流程,這些圖表可用於各種應用程式,例如佈局設計、組織結構圖、時間軸、平面圖,甚至原型軟體使用者介面。圖表由形狀、物件和樣板組成,正確組合在一起可以幫助展現許多有用的資訊。

現代計算機繪圖依賴於使用基於向量的形狀而不是光柵形狀。光柵形狀或點陣圖的縮放效果不佳,其解析度和質量在每次編輯時都會下降。但是,向量形狀是形狀的數學表示,因此縮放效果很好。向量形狀不受編輯的影響,並且在需要精確測量時最適合使用。

計算機繪圖可以是基於形狀的藝術作品,也可以是更復雜的繪圖,這在CAD(計算機輔助設計)程式中經常看到。CAD包含更多資訊,例如材料、流程和圖表的具體約定。基於形狀的藝術作品更常用於描繪技術含量較低的資訊。

流行的繪圖軟體

Microsoft Visio是最流行的繪圖軟體,但是,還有其他一些替代方案也同樣出色,有些甚至免費。對於簡單的繪圖需求,以下工具應該可以很好地工作。

Gliffy

Gliffy是一款流行的線上繪圖工具。Gliffy支援平面圖、維恩圖、流程圖、網路圖等,並與大多數現代網路瀏覽器相容。Gliffy可以匯入Microsoft Visio文件並與Google Drive整合,以便在雲中儲存文件並輕鬆協作。

Gliffy

有許多主題和模板可供選擇,使Gliffy成為Visio可靠的線上替代方案。Gliffy最多可免費使用5個圖表或2 MB的檔案大小。可以根據所需的圖表數量購買月度套餐。

yEd

yEd是一個開源免費繪圖工具,幾乎可以在任何支援Java的平臺上執行。它可以匯入Visio文件並處理非常複雜的圖表,例如生物途徑。

yEd具有自動佈局功能,並支援大多數圖形標準,使其成為任何想要免費建立圖表的使用者的可行Visio替代方案。還有一個名為yEd Live的線上版本,可在任何現代HTML5相容的網路瀏覽器中執行。

yEd

CADE

CADE非常適合網路圖表,並且是Windows的2D向量圖形編輯器。CADE可免費下載,並支援Visio的大部分基本功能。它針對大型CAD圖紙進行了最佳化,並允許輕鬆協作和共享。CADE可以匯出為流行的格式,例如EMF、JPG、PDF和XAML。還有許多示例圖表和模板可以幫助您入門。

CADE

OmniGraffle

Visio不適用於Mac OS,因此OmniGraffle成為Mac使用者的唯一高階替代方案。OmniGraffle是一款功能全面的繪圖軟體,可以建立視覺上吸引人的設計,價格遠低於Visio。它支援匯入Visio文件並匯出到大量流行的格式,包括SVG。它提供了廣泛的樣板、畫布、模板和物件選項,可以輕鬆建立線框圖、樹狀圖、平面圖等等。

OmniGraffle

最新版本支援AppleScript或JavaScript指令碼編寫,可以自動化軟體的幾乎所有方面。它還支援最新Macbook上的Touch Bar。OmniGraffle標準版零售價為99.99美元,專業版零售價為199.99美元。

Microsoft Visio 簡介

Microsoft Visio是最流行的繪圖軟體之一,它在一個熟悉的介面中增強了繪圖、資料視覺化和流程建模功能。Visio帶有大量模板和內建形狀,可以建立幾乎任何複雜程度的圖表。Visio還允許使用者定義自己的形狀並將它們匯入到繪圖中。

Visio更多的是企業級軟體,因為家庭使用者很少需要使用Visio中的高階繪圖功能。但是,許多家庭使用者正在購買Visio標準版,以便更好地視覺化簡單的圖表,例如家譜或平面圖。

Visio在企業中的成功歸功於其與其他Microsoft Office產品(例如Word、Excel和Access)的緊密整合。可以直接從這些軟體匯入資料並將其轉換為有意義的圖表,這些圖表會根據資料即時變化。例如,Excel電子表格可能包含有關電流流過電線的當前資訊。Visio可用於圖解表示此資訊,並且每當Excel資料更新時,Visio圖表中也會反映出來。

從Visio 2013開始的較新版本的Visio支援.vsdx格式,與Visio 2010及更早版本支援的舊版.vsd格式相比,它允許增強壓縮和許多其他功能。Visio可以單獨購買兩個版本——標準版,零售價為299美元,專業版,零售價為589.99美元。最新的Visio版本也可以作為Office 365訂閱的一部分購買,還可以訪問線上Visio檢視器。將Visio作為Office 365的一部分是最好的選擇,以便隨時瞭解最新的功能和增強功能。

MS Visio - 新功能

Visio作為Office 365套件的一部分,全年都在不斷更新。如果您有符合條件的Office 365訂閱,則有權自動定期更新。但是,購買Visio獨立版本的使用者不會收到功能更新,必須在釋出時單獨升級到更高版本。

Visio 2016專業版(Office 365版本)的最新更新具有以下新功能:

資料視覺化工具

資料視覺化工具有助於根據Excel資料自動建立流程圖。包含適合圖表的預製或自定義Excel模板可以直接使用資料視覺化工具匯入到Visio中,並轉換為Visio圖表。對原始Excel檔案所做的任何更改也會反映在Visio圖表中。

從源資料視覺化資料庫結構

最新版本的Visio支援資料庫的反向工程,以建立資料庫的視覺化表示。Visio可以連線到各種資料庫,例如MySQL、SQL Server、Oracle等,並且可以根據資料庫中的更改同步更新圖表。

行業專用圖表模板

Office 365版Visio的最新更新附帶了許多新的標準化模板,可滿足業務流程、軟體開發、IT和教育等行業的需要。這些模板由Microsoft和其他第三方提供,擴充套件了Visio 2016的功能。

Visio Online和iPad上的Visio

儲存在SharePoint或OneDrive for Business上的Visio圖表現在可以在任何現代網路瀏覽器中開啟以供檢視,可以使用Office 365提供的Visio Online或iPad上的免費Visio Viewer應用程式開啟。

Microsoft Visio - 使用者介面

在本章中,我們將學習Visio中的使用者介面。正確理解使用者介面對於充分利用此工具非常重要。

啟動螢幕

Visio的使用者介面與Office套件中的其他程式類似。您將看到一個啟動頁面,其中列出了一些您最近開啟的文件以及用於建立常見圖表型別的特色模板。

您還可以直接從啟動螢幕搜尋Microsoft網站上的模板。

User Interface

如果您是Office 365訂戶,則右上角會顯示您連線到的Microsoft帳戶。

除了特色模板外,您還可以單擊“模板”以瀏覽模板類別。

文件介面

單擊上述任何模板都會開啟模板文件。

Visio的文件介面與其他Office程式(如Word或Excel)類似。頂部是快速訪問工具欄,其中包含常見的命令,例如“儲存”、“撤消”和“重做”。可以根據需要自定義此工具欄。

快速訪問工具欄下方是熟悉的Office功能區。“開始”選項卡列出了用於處理文件的常用命令。我們將在學習過程中瞭解其他選項卡。

在左側窗格中,“形狀”列出了與模板匹配的常用形狀。要插入形狀,只需單擊並將形狀拖放到畫布上即可。Visio中有很多形狀,隨著我們學習的深入,我們將更加熟悉它們。

當然,如果需要,您也可以使用內建搜尋工具線上搜尋更多形狀。

Template Document

Document Interface

將形狀放置到畫布上時,您會看到一些輔助線,幫助您將形狀與畫布上已有的物件對齊。您在畫布的頂部和左側還有一個標尺。這提供了透視感,並允許您建立完美對齊的圖表。

Visio 中的形狀基本上是向量圖形,因此您可以根據需要放大或縮小尺寸,而不會損失質量。當您嘗試更改任何形狀的尺寸時,您還可以瞭解所有其他形狀的相對尺寸(由綠色箭頭指示)。

Microsoft Visio - 開啟檔案

要在 Visio 中開啟檔案,請轉到“檔案”選單,這將開啟後臺檢視,然後單擊“開啟”。“最近使用”部分允許您直接訪問您最近開啟或儲存的繪圖。

根據您的設定,“開啟”選單列出了一些您可以瀏覽 Visio 繪圖的檔案位置。單擊“新增位置”以新增 Office 365 SharePoint 或 OneDrive 位置以實現快速訪問。或者,單擊“瀏覽”並從本地或網路資料夾中選擇 Visio 繪圖。Visio 檔案的副檔名為.vsdx

Open

開啟 Visio 繪圖後,您會看到使用者介面會根據繪圖進行更改。

在下面的示例中,我們打開了一個組織結構圖,您可以看到現在在“形狀”窗格中提供了與組織結構圖相對應的形狀模板。對於此檔案,您還會注意到功能區中有一個“組織結構圖”選項卡,該選項卡為您提供了處理圖表中形狀的其他選項,還允許將形狀連結到來自外部資料來源(如 Excel)的資料。

Shapes to Data

您可以調整各個形狀之間的間距,也可以一鍵更改所有形狀的高度和寬度。

Org Chart

您可以根據需要自定義此組織結構圖的佈局並新增其他形狀。

“組織結構圖”選項卡的“組織資料”部分中的“比較”命令允許您將此組織結構圖的內容與 Visio 中開啟的另一個組織結構圖或圖表進行比較。輸出將生成一個 HTML 檔案,其中列出了兩個圖表之間的異同。

Microsoft Visio - 自定義 UI

Visio 的 UI 完全可自定義。您可以顯示或隱藏 UI 中的元素,以最適合您的方式進行操作。

快速訪問工具欄

快速訪問工具欄允許您輕鬆新增常用命令,以便它們始終觸手可及。除了標準的“撤消”、“重做”和“儲存”命令外,您還可以新增其他按鈕,例如根據您的顯示器在觸控模式和滑鼠模式之間切換的按鈕,方法是單擊快速訪問工具欄中的箭頭圖示。您還可以透過單擊“更多命令...”選項來新增更多命令。

Quick Access Toolbar

功能區

功能區可以摺疊以騰出更多畫布空間。您可以透過單擊並分別向內或向外拖動窗格邊緣來減小或擴大“形狀”窗格。

功能區可以像快速訪問工具欄一樣進行自定義,但要執行此操作,您需要導航到“檔案”選單並單擊“選項”。然後單擊“自定義功能區”。您可以選擇要在工作區中顯示的選項卡。您還可以透過單擊“新建選項卡”或“新建組”來建立新的選項卡或組,以容納您經常使用的命令。

您可以匯出這些自定義設定並將它們匯入 Visio 的新例項,方法是單擊“匯入/匯出”下拉選單並選擇“匯出自定義設定”。

Ribbon

Microsoft Visio - 更改檢視模式

Visio 提供了一些選項來更改您檢視繪圖的方式。“檢視”選項卡列出了您可以在畫布上使用的所有可能的檢視選項。我們將瞭解一些在更改檢視模式時有用的命令。

Changing View Modes

幻燈片片段

幻燈片片段窗格僅在最新版本的 Office 365 Visio 中可用。基本上,幻燈片片段允許您直接將 Visio 圖表匯出為 PowerPoint 幻燈片。

要獲取幻燈片片段,請單擊“檢視”選項卡中的“幻燈片片段窗格”將其開啟。然後,選擇要匯出到 PowerPoint 幻燈片的繪圖區域,然後單擊“幻燈片片段窗格”中的“新增”按鈕。在“在此處輸入標題...”欄位中新增標題,然後單擊“匯出”將捕獲的繪圖匯出到 PowerPoint 幻燈片。

Slide Snippets Pane

演示模式

演示模式顯示繪圖的全屏檢視,沒有任何干擾。此模式也可以透過按鍵盤上的 F5 鍵來切換。

標尺、網格和輔助線

您可以透過切換“檢視”選項卡“顯示”區域中的相應複選框來切換顯示垂直和水平標尺、網格和輔助線。標尺和網格的縮放比例也可以進行調整。網格允許輕鬆捕捉物件,以便它們正確放置在畫布上。

縮放

“縮放”部分包含允許您更改畫布縮放級別的命令。您還可以將內容調整為視窗或調整內容以填充頁面寬度。

視窗

“視窗”部分列出了允許您在螢幕上排列多個視窗的命令。您可以直接開啟新視窗或並排排列視窗。您還可以層疊視窗以方便在它們之間切換。

建立和排列智慧形狀

智慧形狀提供與所選形狀相關的上下文形狀。智慧形狀連線到原始形狀,並且無論何時移動智慧形狀,聯結器也會移動。

建立智慧形狀

從空白文件(在本例中為流程圖)開始。您會注意到“形狀”窗格包含適用於流程圖的不同形狀。單擊並將形狀拖動到空畫布上。您可以根據需要調整形狀的大小或旋轉形狀。您甚至可以在輔助線的幫助下對齊形狀。

Shapes

將形狀拖動到畫布上時,您會注意到形狀上有四個箭頭。將滑鼠懸停在任何一個箭頭上方都會顯示可以建立並連結到此形狀的可能形狀。

Placement Of Shape

單擊所需的形狀以建立形狀。您還會注意到該形狀會自動連線到初始形狀。如果您要手動拖動形狀,則也需要手動連線它。形狀之間的連線是動態的,它們會根據形狀的位置而移動。

排列智慧形狀

智慧形狀箭頭列出了在“形狀”窗格中看到的圖表的前四個形狀。您可能希望根據您的工作流程自定義哪些形狀出現在四個智慧形狀選項中。要將您喜歡的形狀設定為智慧形狀,首先在“形狀”窗格中選擇所需的形狀,然後將其拖動到窗格內前四個形狀之一。

在這個例子中,讓我們假設“資料庫”形狀需要在前四個形狀中。單擊並將“資料庫”形狀拖動到前四個位置之一。

Arranging SmartShapes

現在,當您建立智慧形狀時,您會發現“資料庫”形狀可用。

Search Shapes

Microsoft Visio - 連線智慧形狀

智慧形狀允許自動連線形狀。如果您想連線不直接相關的形狀,您可以手動連線它們。

要手動連線形狀,請單擊“開始”選項卡“工具”部分中的“聯結器”工具。滑鼠指標現在將變為聯結器。

Connecting Smartshapes

從起始形狀繪製連線線到目標形狀。您會看到一條表示聯結器的虛線。您可以將此聯結器貼上到連線點或貼上到目標形狀。將其貼上到形狀上將使您能夠將形狀與聯結器一起移動到畫布上的不同位置。

Glue to Connection Point

單擊“開始”選項卡“工具”部分中的“指標工具”以將滑鼠指標恢復為正常狀態。

Microsoft Visio - 已連線的智慧形狀

較新版本的 Visio 具有內建智慧,可幫助您將形狀放置在其他形狀之間。Visio 會自動新增所需的間距和聯結器,以確保新形狀插入正確的位置。

要在兩個形狀之間插入形狀,請將新形狀拖動到所需形狀之間,直到您在聯結器上看到綠色正方形,然後釋放滑鼠。新形狀將以相等的間距和適當的連線插入。

如果您刪除插入的形狀,聯結器將一直延伸到下一個形狀。

Connected SmartShapes

Microsoft Visio - 對齊智慧形狀

通常,插入和刪除形狀可能會擾亂圖表的對齊。它還會使圖表的元素間距不均勻。為解決此問題,Visio 提供了自動對齊和排列圖表中形狀的工具,使其看起來完美無缺。

對齊和排列形狀

要自動對齊和排列圖表中的形狀,請轉到“開始”選項卡“排列”部分的“位置”下拉選單。根據需要單擊“自動間距”或“自動對齊和間距”。您還可以將滑鼠懸停在這些命令上以預覽對齊後圖表的顯示效果。

Aligning SmartShapes

對齊後,如果您想要更自定義的外觀,您仍然可以移動圖表中的形狀。

Microsoft Visio - 重新佈局頁面

Visio 提供了使用“重新佈局頁面”命令自動更改圖表佈局的選項。“重新佈局頁面”命令提供常用的佈局。您還可以根據需要自定義佈局的某些方面。

更改圖表佈局

開啟圖表並導航到功能區上的“設計”選項卡。單擊“重新佈局頁面”下拉選單並根據需要選擇佈局。您會看到圖表現在更改為所選佈局。您也可以在懸停滑鼠在佈局樣式上時預覽外觀。

Design

自定義佈局

您可以透過單擊“重新佈局頁面”下拉選單中的“更多佈局選項…”來進一步自定義佈局。這將開啟一個對話方塊,您可以在其中配置佈局屬性。

您可以透過手動更改“間距”欄位中的值來更改形狀之間的間距。

Configure Layout

您也可以透過在“外觀”下拉選單中選擇“曲線”來更改聯結器的外觀為曲線。請記住,要更改聯結器的外觀,必須選中“將路由樣式應用於聯結器”複選框。

Microsoft Visio - 插入文字

Visio 允許在形狀內或文件中插入文字。您還可以像其他任何文字編輯器一樣進行文字格式設定。

在形狀中插入文字

在形狀內插入文字很容易。只需雙擊形狀內即可輸入文字。文字會根據形狀自動換行,但是,如果您想要自己的換行方式,也可以按回車鍵。請注意,Visio 會自動放大形狀以啟用鍵入,並在單擊形狀外部時縮小。

Inserting Text

在文件中插入文字

要在文件中插入文字(例如圖表標題),請單擊功能區“插入”選項卡上的“文字框”下拉選單,然後選擇水平或垂直文字框。

Inserting Text in a Document

然後將游標放置在文件上,並繪製一個文字框開始鍵入。

Microsoft Visio - 插入背景

背景使用稱為背景頁的頁面插入。背景頁可以包含圖形或文字,例如版權資訊和其他資訊。背景頁始終是分開的,但會疊加在主頁面上顯示。

插入背景頁

您可以透過從預設背景中選擇或使用您自己的背景模板來更改文件的背景。要插入背景,請單擊功能區“設計”選項卡上的“背景”下拉選單,然後選擇背景預設。

這會在圖表頁面之外建立一個新頁面。您可以右鍵單擊新建立的背景頁面來重新命名它。新的背景將自動應用於文件中所有新建立的頁面。

Trial Communication Process

Microsoft Visio - 插入圖形

除了圖表中的一部分形狀外,您還可以將自己的影像新增到文件中。影像可以來自任何線上或離線來源。如果您將影像新增到背景頁,則該影像將顯示在文件中的所有頁面上。

向文件新增圖形

要插入影像或圖形,請轉到功能區上的“插入”選項卡,然後從“插圖”部分中的任何命令中選擇。它可以是您本地驅動器上的圖片、線上資源、圖表甚至是 CAD 繪圖。

Pictures

您還可以透過在背景頁中插入圖片來複制所有頁面上的圖片。為此,請選擇背景頁並按上述方式插入圖片。根據需要拖動和調整圖片大小。

Picture in Background Page

現在,導航到包含圖表的頁面,您會發現該圖片顯示在該頁面以及任何其他隨後新增的頁面上。

Inserting Graphics

插入容器和標註

有時,您可能希望將圖表中的兩個或多個元素組合在一起。您可以使用容器來組合相互依賴的形狀。標註有助於在形狀外部插入更多文字。標註始終連線到形狀並隨其一起移動。

插入容器

首先透過選擇“開始”選項卡“排列”部分中的“組合”來組合形狀。

Inserting a Container

要插入容器,請轉到功能區上的“插入”選項卡,然後單擊“圖表部件”部分中的“容器”下拉選單。您將看到許多可供選擇的容器設計。

選擇設計後,您可以將容器拖動到組合形狀周圍。鬆開滑鼠以鎖定容器。容器還包含一個用於鍵入文字的區域。雙擊標題區域以鍵入文字。在下面的示例中,我們將容器標記為“結束流程”。

每當您拖動容器時,容器的內容都會一起移動。

End Process

插入標註

選擇要使用標註的形狀。要插入標註,請轉到功能區上的“插入”選項卡,然後單擊“圖表部件”部分中的“標註”下拉選單。您將看到許多可供選擇的標註設計。

Inserting a Callout

選擇適合標註的設計。標註將顯示為連線到所選形狀。

在此示例中,我們為名為“廣泛研究”的“返回研究”流程添加了一個標註。標註連結到形狀,可以在繪圖中的任何位置移動,但它將始終連線到形狀。

當您單擊標註以啟用鍵入時,Visio 將放大;當單擊標註外部時,Visio 將縮小。

Extensive Research

Microsoft Visio - 插入超連結

在本章中,我們將學習如何建立網站、檔案和頁面的超連結。

網站超連結

要插入超連結,首先建立一個文字框,方法是轉到功能區中的“插入”選項卡,然後繪製一個代表超連結的文字(例如“網站”或“單擊此處訪問我們”)的水平文字框。現在需要將此文字轉換為超連結。

為此,請選擇文字框中的文字,然後再次選擇“插入”選項卡。單擊“連結”以開啟“超連結”對話方塊。

您可以指定指向網站或計算機上本地檔案的連結。單擊“確定”將所選文字轉換為超連結。

Hyperlinks

檔案超連結

您可以直接將文字或形狀連結到檔案。雙擊文字或形狀將開啟超連結檔案。該過程類似於建立網站超連結。

選擇要為其建立超連結的形狀或文字,然後單擊功能區“插入”選項卡上的“連結”按鈕。

在“超連結”對話方塊中,單擊“地址”欄位旁邊的“瀏覽…”,然後單擊“本地檔案…”以瀏覽到檔案的位置。

Hyperlink Files

確保選中“對超連結使用相對路徑”複選框,以確保在更改檔案位置時自動更新檔案路徑。

頁面超連結

Visio 還允許您在多頁文件中建立頁面超連結,以便單擊連結將直接跳轉到連結的頁面。

要建立頁面超連結,請選擇要連結到的文字或形狀,然後單擊功能區“插入”選項卡上的“連結”。在“超連結”對話方塊中,確保單擊“子地址”欄位旁邊的“瀏覽…”。在“頁面”欄位中選擇目標頁面。您還可以在“縮放”下拉選單中設定預設縮放級別,以便以所需的縮放比例開啟連結頁面。

單擊“確定”兩次以設定超連結。

Hyperlink Pages

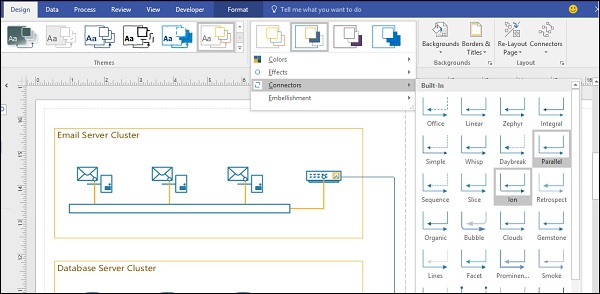
Microsoft Visio - 主題

在本章中,我們將學習如何在 Visio 中應用主題。

選擇主題

您不必滿足於預設主題。Visio 允許您自定義主題和文件的整體外觀。要應用主題,請轉到“設計”選項卡,然後從許多可用的主題選項中選擇。您可以從專業、手繪、時尚和現代主題中進行選擇。

單擊任何可用的主題後,該主題將應用於文件。您可以透過從“變體”部分中的許多選項中選擇一個來進一步個性化它。

Selecting Theme

更改主題顏色

“變體”部分允許您根據需要自定義主題顏色。單擊“變體”部分中的下拉選單,可以自定義主題顏色、效果和聯結器。

要自定義主題顏色,請轉到“變體”部分中的“顏色”子選單,然後單擊“建立新的主題顏色…”。

Changing Theme Colors

它將開啟“新的主題顏色”對話方塊,允許您自定義主題中的每個強調色。確定顏色方案後,命名主題,然後單擊“應用”或“確定”以儲存主題顏色方案並將其應用於圖表。

New Theme Colors

Microsoft Visio - 文字格式設定

如果您熟悉 Microsoft Word,那麼在 Visio 中進行文字格式設定應該很容易上手。您可以格式化形狀內的標題和文字。您還可以使用“格式刷”命令複製格式並將其貼上到另一個形狀或文字框中。

要設定文字格式,請選擇包含文字的文字框或突出顯示文字本身。然後,從“開始”選項卡的“字型”和“段落”部分中可用的選項中選擇。

您可以更改字型、大小、顏色和段落對齊方式。如果要更改形狀中的字型樣式,只需雙擊形狀以選擇形狀內的文字並根據需要更改字型樣式。

Text Formatting

Microsoft Visio - 形狀格式設定

您還可以格式化形狀,以根據需要使其看起來更專業或更隨意。要格式化形狀,請選擇圖表中的形狀,然後使用“形狀樣式”部分中可用的選項進行格式設定。

Shape Formatting

您可以選擇預定義的形狀樣式,也可以使用“填充”下拉選單自定義形狀。要調整形狀邊框的顏色,請從“線條”下拉選單中選擇一種顏色。“效果”選單允許您向形狀新增特殊效果,例如投影或 3D 旋轉。

Microsoft Visio - 格式化形狀線條

Visio 使格式化形狀輪廓和聯結器變得很容易。您可能希望格式化形狀輪廓以使其從其他形狀中脫穎而出或突出顯示重要內容。

格式化形狀輪廓

要格式化形狀輪廓,請單擊形狀或按住鍵盤上的 Ctrl 鍵並選擇多個形狀。然後,從“開始”選項卡的“形狀樣式”部分中,單擊“線條”,然後選擇“線條選項…”。這將開啟“設定形狀格式”浮出控制元件。在“線條”部分中,選擇您需要自定義形狀輪廓的選項。

Formatting Shape Lines

您可以更改形狀輪廓的顏色,增加寬度以增加重量,更改圓角等等。您還可以為線條建立漸變以適應圖表。

格式化聯結器

與形狀輪廓一樣,聯結器也可以根據需要進行格式設定。要格式化聯結器,請選擇圖表中的聯結器,然後透過轉到“線條”下拉選單並單擊“線條選項…”來調出“設定形狀格式”窗格。

在“設定形狀格式”窗格的“線條”部分中,選擇您選擇的“虛線型別”以更改聯結器圖案。您還可以更改聯結器的顏色並根據需要調整透明度級別。

Formatting Connectors

Microsoft Visio - 標尺、網格和參考線

Visio 提供了視覺輔助工具,可幫助您對齊和組織圖表中的元素,使其在螢幕上和列印時都看起來很棒。主要可用的視覺輔助工具包括標尺、網格和參考線。

標尺

標尺有助於提供圖表中元素的視角。它們有助於將形狀定向以獲得一致且簡潔的外觀。可以透過“檢視”選項卡“顯示”部分中的簡單複選框來開啟或關閉標尺。

Rulers

移動圖形時,您會注意到垂直和水平標尺上都有三條虛線(如下例紅色矩形所示)。這三條虛線表示圖形的左、中、右部分。垂直或水平拖動圖形時,這三條虛線有助於將圖形精確地定位到您需要的位置。

如果您需要一些螢幕空間,可以取消選中“標尺”複選框。

參考線

與標尺一樣,參考線也有助於正確地定點陣圖形的不同形狀。您可以從垂直和水平標尺建立任意數量的參考線。要建立參考線,只需從垂直或水平標尺拖動一條線即可。

Guides

參考線以線條表示,選中時會顯示較粗。您可以透過選擇參考線並按鍵盤上的 Delete 鍵將其刪除。取消選中“檢視”選項卡中的“參考線”複選框,即可從檢視中刪除所有參考線。

將圖形拖動到參考線上,可以將圖形吸附到參考線上。當圖形吸附到參考線上時,它會隨參考線一起移動。

Glue to Guide

網格不僅有助於對齊圖形內的形狀,還可以作為重要的測量工具。網格由定義區域的方形框組成,這些區域可以調整。因此,網格可以幫助您估計形狀可能佔據的區域,從而允許您根據需要調整形狀大小。

要啟用或停用網格,只需選中或取消選中“檢視”選項卡中的“網格”複選框。

Ruler and Grid

您還可以透過調整網格之間的間距來自定義每個網格的大小。為此,請單擊“檢視”選項卡“顯示”部分右下角的小向下箭頭。

這將開啟“標尺和網格”對話方塊,您可以在其中調整引數,例如網格中的細分、水平和垂直間距等。

Microsoft Visio - 使用視覺輔助工具

除了標尺、參考線和網格等常用視覺輔助工具外,Visio 還提供了一些其他視覺輔助工具,以幫助您更好地組織圖表。這些包括自動連線、動態網格和連線點。

自動連線

使用智慧圖形的優點之一是可以快速輕鬆地將圖形連線到前四個最喜歡的圖形。自動連線有助於快速選擇前四個圖形中的一個,並立即建立與新圖形的連線。有時,您可能不需要此功能。在這種情況下,您可以透過簡單地取消選中“檢視”選項卡“視覺輔助工具”部分中的“自動連線”複選框來停用自動連線功能。

AutoConnect

取消選中“自動連線”複選框後,選擇圖形時不會出現智慧圖形和連線箭頭。

AutoConnect Checkbox

動態網格

插入新圖形時,動態網格提供相對對齊提示。啟用動態網格選項後,您將看到相對於圖形的參考線和指示器。

動態網格可以與實際網格結合使用。實際網格更像是一種絕對測量,在確定形狀放置時,如果需要精確測量,則應考慮實際網格。動態網格更像是一種相對測量。

Dynamic Grid

在上面的示例中,我們看到啟用動態網格允許我們看到新圖形相對於現有圖形的相對距離。

連線點

連線點有助於將形狀連線到形狀表面上的特定點。例如,形狀在其周邊可能有四個連線點,聯結器可以連線到這些點。啟用連線點有助於將形狀精確地連線到定義的連線點。

Connection Points

連線點可以通過出現在形狀所有側面的綠色方塊來識別。如果您想直接連線到形狀而不是連線到形狀上的連線點,請取消選中功能區“檢視”選項卡中的“連線點”複選框。

Microsoft Visio - 任務窗格

任務窗格為使用者介面提供了附加功能。您可以使用任務窗格自定義或向物件新增引數。預設情況下存在的“形狀”窗格就是一個任務窗格的示例。

任務窗格可以是浮動的或停靠的,並且可以根據需要調整大小。除了“形狀”任務窗格外,還有許多其他窗格,可以從功能區“檢視”選項卡的任務窗格下拉選單中訪問這些窗格。

Task Panes

形狀資料窗格

形狀資料窗格允許輸入其他形狀元資料。此元資料是上下文相關的,取決於所選形狀。

Shape Data Pane

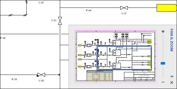
平移和縮放窗格

平移和縮放窗格允許輕鬆導航並縮放至圖形的任何部分。“平移和縮放”滑塊使您可以輕鬆地精確縮放至圖表的特定部分。這在處理複雜圖表時尤其有用。

Pan and Zoom Pane

大小和位置窗格

大小和位置窗格允許您更改所選形狀的尺寸。這允許設定形狀的精確測量值。您還可以更改形狀的方向角以及從中考慮測量的固定點位置。

Size Position Pane

導航窗格

導航窗格僅在 Office 365 版本的 Visio 中可用。它基本上列出了圖表的全部元素,並使導航到每個元素變得很容易。如果圖表包含各種形狀,並且您想要導航到特定形狀型別,這將尤其有用。在導航窗格中選擇形狀的名稱將在畫布中選擇它。

Navigation Pane

Microsoft Visio - 使用視窗

在 Visio 中使用多個視窗或文件的多個版本很容易。您可以輕鬆地在視窗之間切換,或將它們並排排列以進行比較檢視。視窗重新排列選項位於“檢視”選項卡的“視窗”部分。

Windows

新視窗

新視窗基本上允許建立現有視窗的新副本。新副本不會直接顯示模板,但是可以透過單擊“形狀”窗格中的“更多形狀”箭頭來選擇它們。

新視窗可以透過視窗標題欄中的數字來識別。在下面的示例中,原始檔名是 **BlkDiagm.vsd**。使用“新視窗”命令會建立一個新視窗,標題欄中顯示 **BlkDiagm: 2**。

New Window

全部排列

此功能允許您將所有視窗並排排列。此功能對於比較兩個視窗很有用,但是,如果您有高解析度顯示器,則可能能夠並排容納更多視窗。“形狀”窗格和其他窗格可以最小化以提供更多螢幕空間。

Arrange All

層疊

此功能允許層疊視窗以提供開啟視窗的整體檢視。活動視窗位於前臺,非活動視窗位於後臺,標題欄可見。層疊檢視有助於一眼看出哪些文件已開啟。

Cascade

Microsoft Visio - 列印圖表

要列印圖形,只需轉到“檔案”選單並單擊“列印”,或按鍵盤快捷鍵 Ctrl+P。“列印”選單提供多個選項來選擇列印頁面的佈局以及您想要將文件傳送到列印的印表機。

Printing Diagrams

“列印”選單的右側顯示輸出預覽。您可以更改頁面的方向、頁面大小,並僅選擇需要列印的頁面。

根據您的印表機,您還可以彩色列印或灰度列印。請記住,黑白列印可能無法產生良好的輸出。如果您想節省印表機的墨水,最好以灰度列印。

Microsoft Visio - 釋出到 PDF

Visio 包含幾種建立圖形 PDF 的方法,這對於與他人共享非常有用。您可以直接將文件另存為 PDF、列印到 PDF 或直接透過電子郵件將圖形傳送為 PDF。

另存為 PDF

您可以預設將圖形另存為 Visio 圖形 **(.vsd 或 .vsdx)**,也可以將其另存為 PDF,然後可以使用任何免費提供的 PDF 閱讀器(例如 Adobe Reader)開啟它。要另存為 PDF,請轉到“檔案”選單,單擊“另存為”,然後單擊“瀏覽”。這將開啟“另存為”對話方塊。在“儲存型別”欄位中選擇 PDF,即可將文件儲存為 PDF。

Save as PDF

列印到 PDF

如果您安裝了相容的軟體印表機(例如 Adobe PDF 或 Microsoft 列印到 PDF),您也可以直接列印到 PDF。如果您需要對 PDF 文件進行細粒度控制(例如 PDF 版本或相容性屬性),則可能需要使用此方法。

Print to PDF

電子郵件 PDF

您還可以直接透過電子郵件將圖表傳送給收件人。為此,請轉到“檔案”選單,單擊“共享”,然後單擊“傳送為 PDF”。這將在您的預設電子郵件客戶端中建立一個新的電子郵件,其中已準備好附加 PDF 檔案。只需輸入收件人的電子郵件地址即可傳送附件。

Email PDF

將圖表匯出為JPG或GIF

與 PDF 類似,Visio 還可以匯出影像格式,例如 JPG、GIF、TIFF、PNG 和點陣圖。匯出影像格式在輕鬆地與他人共享圖形或將其放在網頁上時很有用。

要匯出圖形,請轉到“檔案”選單,單擊“另存為”,然後在“儲存型別”欄位中,從支援的格式列表中選擇。您可以從上述任何圖形格式中選擇。

一旦您選擇要匯出的圖形格式,您將獲得一些選項可供選擇,具體取決於圖形格式的功能。在下面的示例中,我們看到選擇 JPEG 檔案交換格式會顯示許多自定義輸出的選項。

“操作”和“顏色格式”欄位中的選項是特定於格式的。您可以將它們大部分保留為預設值。如果圖形有背景,請將背景顏色設定為白色。根據需要設定質量。您還可以旋轉圖形或將其水平或垂直翻轉。

JPG Output Options

輸出圖表的解析度和大小可以與螢幕、印表機或源匹配。您還可以輸入自定義解析度或大小。單擊“確定”。

使用HTML匯出到網頁

您還可以將圖形匯出到可以在網站上託管的網頁。Visio 允許自定義網頁中的內容。從“檔案”選單轉到“另存為”對話方塊,然後在“儲存型別”欄位中選擇“網頁”。然後,在同一對話方塊中,單擊“釋出...”以開啟 HTML 釋出選項。

您可以選擇要釋出的圖表元件以及要釋出的頁數。您還可以提供頁面標題。

HTML 檔案將與包含支援檔案的資料夾一起建立在選定位置。HTML 檔案和資料夾相互連結。

Save as Webpage

使用智慧圖形建立圖層

新增智慧圖形會自動建立圖層。圖層基本上是疊加層,可以單獨自定義和啟用或停用。圖表中的每個形狀和聯結器都形成一個圖層,其屬性可以自定義。

要了解圖表中的圖層列表,請在“開始”選項卡的“編輯”部分中,單擊“圖層”下拉選單,然後單擊“圖層屬性...”

General

這將開啟“圖層屬性”對話方塊,您可以使用它來自定義圖表中的不同圖層。

Layer Properties

“圖層屬性”對話方塊列出了文件中的不同圖層,並允許更改圖層的各個屬性。

Microsoft Visio - 使用圖層

形狀會自動分配到圖層。但是,Visio 允許根據需要將圖層分配給形狀。您也可以建立自己的圖層。讓我們從建立一個新圖層開始,然後將一些形狀分配到新圖層。

建立新圖層

在“開始”選項卡的“編輯”部分中,轉到“圖層”下拉選單中的“圖層屬性…”對話方塊,然後單擊“新建…”。輸入新圖層名稱。

New layer

新圖層將在“圖層屬性”對話方塊中建立,並且最初將包含零個形狀,因為它們尚未分配。單擊“確定”。

將形狀分配到圖層

形狀可以分配到任何圖層。要將形狀分配到圖層,請單擊圖表中的形狀或連線線,然後單擊“開始”選項卡“編輯”部分的“圖層”下拉選單中的“分配到圖層”。

Assigning Shapes to Layers

它將開啟“圖層”對話方塊,從中可以將形狀分配到現有圖層或新建立的圖層。

Pipelines

請注意,前面建立的“新圖層”現在已在列表中。形狀也可以分配到多個圖層。要將形狀分配到文件中的所有圖層,請單擊“全部”,然後單擊“確定”。

Microsoft Visio - 圖層設定

“圖層屬性”對話方塊允許更改各個圖層的屬性。它包含幾個複選框,例如“名稱”、“#”、“可見”、“列印”、“活動”、“鎖定”、“捕捉”、“貼上”和“顏色”。

“名稱”欄位列出圖層型別,“#”欄位列出該型別中的形狀數量。在下面的示例中,我們看到該圖表中有九個裝置形狀。

Annotations

每種圖層型別都有一行復選框,可以選擇或取消選擇。取消選中“可見”複選框將使形狀在繪圖中不可見。如果選中“列印”複選框,則該形狀將與其他形狀一起列印。取消選中“列印”複選框將不會列印圖層中的形狀。

同樣,可以使圖層處於活動狀態或鎖定狀態。可以操作活動圖層中的形狀,而不會影響其他形狀或圖層。鎖定形狀後,Visio 將阻止對形狀進行任何更改。您不能拖動形狀或更改其內容。如果允許形狀捕捉到網格,則“捕捉”和“貼上”將被選中。您還可以用顏色表示圖層,以便於識別。

當您用顏色表示圖層時,屬於該圖層的形狀也將在圖表中著色。如果您想區分一組形狀與另一組形狀,這將非常有用。

Microsoft Visio - 主題和樣式

主題和樣式可用於為圖表進行設計改造並使其脫穎而出。Visio 提供一組標準的主題和樣式,這些主題和樣式是可自定義的。

主題

主題應用於整個圖表。主題包含一組顏色和效果,這些顏色和效果通常很好地融合在一起。它們是快速為圖表提供精緻外觀的好方法。主題還會影響文件的其他部分,例如標題、標題、文字等。

要應用主題,請轉到“設計”選項卡,然後從“主題”部分選擇一個主題。下拉箭頭提供按主題型別分類的更多選擇。單擊主題時,圖表的所有方面和文件的其他部分都會反映主題設定。

Themes

一個主題可以有多個變體,可以從“設計”選項卡的“變體”部分中選擇。

樣式

樣式與主題的不同之處在於,樣式適用於選定的形狀或一組形狀。樣式有助於自定義特定樣式的各個方面。

要更改形狀的樣式,請選擇形狀,然後從“開始”選項卡中,從“形狀樣式”部分選擇一個樣式。樣式可以應用於圖表中的形狀元素以及各個文字框。您可以選擇多個形狀以將樣式同時應用於所有形狀。

Styles.

在將樣式應用於形狀後更改主題時,形狀將採用主題的特性,但仍將與其他形狀區分開來。當然,即使在應用主題後,您也可以繼續自定義樣式。

應用主題顏色和效果

主題可用於自定義文件的外觀。Visio 更進一步,允許自定義主題本身。

主題帶有可以根據需要進一步自定義的變體。可以從“設計”選項卡的“變體”部分訪問主題變體。您可以使用庫存變體,也可以單擊下拉選單來自定義許多其他方面。

在“顏色”選單中,您會發現有很多顏色組合可供選擇。

Color Combinations

“效果”選單顯示可以應用於所選形狀的一些效果。

Effects

您還可以從一系列連線線中進行選擇。

Range of Connectors

阻止主題影響圖形

有時,需要防止主題影響一個形狀或一組形狀,尤其是在它們包含必須以特定方式呈現的重要資訊時。Visio 允許保護形狀,從而防止任何主題更改影響形狀的預期設計。

要啟用形狀保護,請單擊一個形狀或一組形狀。轉到功能區的“開發工具”選項卡,單擊“形狀設計”部分中的“保護”。(注意 - 您可能需要首先透過自定義功能區啟用“開發工具”選項卡)。

Developer

這將開啟“保護”對話方塊,允許您選擇要保護哪些形狀元件不被覆蓋。

現在,我們將重點關注保護形狀的主題。因此,請選中“文字”、“格式”、“來自主題顏色”、“來自主題效果”、“來自主題字型”和“來自主題索引”複選框。單擊“確定”。

Protection

如果您現在從“設計”選項卡中選擇任何主題,您會注意到受保護的形狀不受主題更改的影響。

要撤消更改,只需再次轉到“保護”對話方塊,單擊“無”,最後單擊“確定”。

自定義主題配色方案

Visio 提供了大量主題和變體,幾乎可以滿足任何需求。但是,有時您可能需要建立反映您組織的特定配色方案。

為此,請從“設計”選項卡中選擇一個主題,然後從“變體”部分中選擇一個與您打算建立的內容非常匹配的變體。然後,在“變體”部分的“顏色”選單中,單擊“建立新的主題顏色…”。

在“新的主題顏色”對話方塊中,在“名稱”欄位中為主題命名。有 5 種強調色可供自定義。根據您要自定義的顏色,為每個強調色選擇一種顏色。單擊“應用”以檢視效果預覽。一旦您對配色方案滿意,請單擊“確定”以儲存配色方案。

Theme Colors 1

新的配色方案可以在“顏色”選單的“自定義”部分找到。您可以隨時透過右鍵單擊自定義方案並單擊“編輯”來編輯此配色方案。

Colors Menu

Microsoft Visio - 使用組織結構圖

組織結構圖或組織結構圖是描繪組織中層次結構的好方法。Visio 提供現成的模板來幫助您開始建立組織結構圖。在接下來的章節中,我們將學習建立和使用組織結構圖的不同方面。

使用組織結構圖模板

最簡單的入門方法是使用內建的組織結構圖模板並在其基礎上進行構建。在 Visio 2016 中,可以透過轉到“新建”選單找到組織結構圖模板。單擊“開始”按鈕,單擊“新建”,然後選擇“模板”選項卡。在“模板”選項卡中,轉到“商務”類別,然後單擊“組織結構圖”。

New

它將開啟一個對話方塊,您可以在其中選擇以公制單位或美國單位建立的圖表。選擇您習慣使用的單位,然後單擊“建立”以在新圖表中載入組織結構圖形狀。

Organization Chart

插入頂級主管形狀

建立圖表後,您會注意到功能區中出現了一個新的“組織結構圖”選項卡,其中列出了您可以使用的形狀樣式。

Org Chart Tab

“形狀”窗格包含組織結構圖中使用的所有必要形狀。形狀會根據功能區“組織結構圖”選項卡中選擇的形狀樣式而變化。在此示例中,當前選擇的形狀樣式為“腰帶”。

Belt Organization Chart Shapes

要插入頂級形狀,請將“主管腰帶”形狀拖到畫布上,並將其與頁面中心對齊。

Top Level Shape

插入主管子圖形

建立頂級主管形狀後,很容易建立經理子形狀。“主管腰帶”形狀不會提供智慧形狀,因為這是一個具有已定義職位的分層圖表。

要插入經理,只需將“經理腰帶”形狀拖到“主管腰帶”形狀上。您會注意到 Visio 會自動連線這兩個形狀。您可以向“主管腰帶”形狀新增更多“經理腰帶”形狀,Visio 將自動連線、間隔和對齊所有形狀。

Sub-shapes

然後,您可以透過放大並雙擊形狀來啟用文字框,從而將詳細資訊輸入形狀中。與“主管腰帶”形狀不同,“經理”形狀將提供使用智慧形狀的選擇。

Microsoft Visio - 下屬佈局

我們可以繼續構建前面建立的組織結構圖。根據組織層次結構,可以將相應的形狀新增到現有形狀中。然後,Visio 將自動建立連線並在圖表中對齊新形狀。

新增職位腰帶

職位腰帶用於指示主管下的職位。在下面的示例中,已向三個經理子形狀中的每一個添加了幾個職位腰帶。要新增職位形狀,只需將“職位腰帶”形狀從“形狀”窗格拖到任何經理子形狀上。Visio 會自動建立“職位腰帶”形狀並將其連線到上方的經理形狀。

Adding Position Belt

新增空缺腰帶

在一個組織中,並非所有職位都會始終被填滿。將有一些空缺職位需要填補。您可以透過將“空缺腰帶”形狀拖到任何經理形狀上來指示空缺。空缺形狀與其他形狀不同,易於識別。

Vacancy Belt

新增顧問和秘書形狀

同樣,您還可以將顧問和助理形狀新增到組織結構圖中。在下面的示例中,已向 CTO 添加了一個顧問,向 CEO 添加了一個助理。將“顧問”形狀拖到 CTO 形狀的頂部,將“助理”形狀拖到 CEO 形狀的頂部。Visio 將自動調整形狀之間的間距和連線。

Adding Consultant and Assistant Shapes

Microsoft Visio - 團隊成員重新排序

可能需要重新排序組織結構圖中的團隊成員。可以將形狀向左和向右移動,也可以向上和向下移動,具體取決於您希望如何排序它們。由於這是一個組織結構圖,因此功能區中將有一個“組織結構圖”選項卡。單擊該選項卡,然後在“排列”部分中,單擊“移動”命令中的任一箭頭。

Move Command

根據形狀在繪圖中的位置,向左和向右移動也可能意味著向上和向下移動。移動形狀時,所有子形狀也會隨之移動。在下面的示例中,COO 形狀向右移動,其下方的所有職位也隨之移動。

COO Shape

向圖表中新增團隊框架

團隊框架用於標註在同一個專案中工作的不同團隊成員。要新增團隊框架,請從“形狀”窗格中拖動團隊框架形狀到您要包含的團隊。

Team Frames

團隊框架可以沿其控制柄調整,以適應所需數量的成員。團隊框架邊框線和標籤可以根據需要進行格式設定。要設定團隊框架邊框的格式,請單擊團隊框架,然後轉到“開始”選項卡,在“形狀樣式”部分中選擇所需的形狀格式。

Shape Stles

Microsoft Visio - 建立彙報指示器

虛線彙報有助於識別向多人彙報的單個團隊成員。要新增虛線,請從“形狀”窗格中將“虛線彙報”形狀拖到畫布上。

Move End Point

您會看到虛線有兩個端點。將一個端點拖到第一個形狀,另一個端點拖到另一個形狀,即可建立一條虛線,指示團隊成員向多個職位彙報。

Dotted-Line

建立三職和多職智慧形狀

雖然您可以透過從“形狀”窗格中拖動所需的形狀來建立單個形狀,但 Visio 還可以一次建立多個形狀。所有新增在一起的形狀都將自動連線和對齊。

建立三職智慧形狀

要建立三職智慧形狀,請將“三職”形狀拖到任何高階經理形狀上。

Three-Position SmartShape

這會在高階形狀正下方建立三個形狀。您會注意到,形狀可能會溢位到下一頁。可以透過單擊“組織結構圖”選項卡的“佈局”部分中的“重新佈局”按鈕來糾正此問題。

Re-Layout Button

建立多職智慧形狀

與三職智慧形狀類似,Visio 還可幫助建立多職智慧形狀,您可以在其中選擇任意數量的職位。要建立多職智慧形狀,請從“形狀”窗格中單擊並拖動“多個形狀”到畫布上的選定形狀。

Multiple Shapes

這將開啟一個“新增多個形狀”對話方塊,您可以在其中選擇形狀型別和要新增的形狀數量。單擊“確定”將形狀新增到選定形狀。

Microsoft Visio - 新增高管圖片

您可以將圖片新增到組織結構圖的不同級別,使其更具視覺吸引力。要新增高管圖片,請雙擊形狀以放大,然後單擊形狀內的圖片欄位。

Picture Tools

然後單擊“插入”按鈕選擇要新增到形狀中的圖片。要防止影像顯示在形狀中,請單擊“顯示/隱藏”按鈕。

新增影像後,您可以使用常用的圖片格式化工具調整亮度和對比度或裁剪影像。

File

如果您想自動將高管圖片匯入其各自的層級,只需確保高管圖片的檔名與其在形狀中的名稱匹配即可。然後匯入整個資料夾,Visio 將自動將其放置在相應的高管層級。

使用同步副本分解結構

可能需要分解組織結構圖,以便每個高管都有自己的頁面,以避免圖表過於擁擠。同步允許對其他頁面中的高管所做的任何更改與主頁面保持同步。

要同步形狀,請單擊形狀,然後單擊“組織結構圖”選項卡中的“同步”按鈕。

Synchronize Button

這將開啟“建立同步副本”對話方塊,允許在新的或現有的頁面上建立形狀及其下屬的副本。

如果您想摺疊主頁面上的形狀,請選中“隱藏原始頁面上的下屬”複選框。在同步形狀頁面上所做的任何更改都將在主頁面上顯示。

Synchronize Copy

Microsoft Visio - 彙報結構檢視

可以根據需要摺疊和顯示各個經理形狀。摺疊形狀有助於減少圖表中的雜亂。

要摺疊形狀下的層級,請右鍵單擊形狀,轉到“下屬”選單,然後單擊“隱藏下屬”。

Subordinates

然後,下屬形狀將在經理形狀下摺疊。這由經理形狀下的樹形圖示指示。

Tree Icon

如果形狀已同步,則對它們在其他位置所做的任何更改都將自動反映在主形狀中。

要再次顯示下屬,請右鍵單擊經理形狀,轉到“下屬”選單,然後單擊“顯示下屬”。

Show Subordinates

Microsoft Visio - 使用組織結構圖嚮導

雖然您可以使用“形狀”窗格中的不同形狀手動建立組織結構圖,但 Visio 還提供了一種從外部資源自動匯入有關組織資訊的方法。在本節中,我們將研究如何從 Excel 電子表格中的資訊匯入資料。

在 Excel 電子表格中建立資訊

建立一個 Excel 電子表格或使用現有的電子表格,其中包含建立組織結構圖的標題行中的一些重要資訊。重要資訊包括員工、職稱、經理和部門。員工和經理欄位是必填欄位,其他欄位是可選欄位。

此外,您還可以包含一個名為 Master_Shape 的欄位,該欄位指示要為特定員工使用的確切形狀。請注意,Visio 需要使用名稱 Master_Shape 欄位才能為員工指定特定形狀。

Excel Spreadsheet

啟動組織結構圖嚮導

啟動組織結構圖嚮導有兩種方法。第一種方法是從“新建”選單的“模板”部分使用組織結構圖嚮導。

Organization Chart Wizard

另一種方法是,如果您已經建立了組織結構圖,則可以使用功能區中“組織結構圖”選項卡的“組織資料”部分中的“匯入”命令。

Organization Data Section

如果您需要將背景格式應用於組織結構圖中的所有頁面,建議使用第二種方法。第一種方法會建立所有必需的頁面,但您需要單獨設定每個頁面的格式,如果您的組織很大,這可能會很繁瑣。

無論哪種方式,組織結構圖嚮導都會出現,您可以在其中指定組織結構圖的功能。

使用組織結構圖嚮導

組織結構圖嚮導的第一個螢幕提供了從檔案選擇現有資訊或手動輸入資訊的選擇。在本例中,我們將選擇第一個選項。單擊“下一步”繼續到嚮導中的下一個螢幕。

Organization Chart Form

在以下螢幕中,您可以選擇儲存組織資訊的源。它可以是 Microsoft Exchange Server 上的位置、本地文字、CSV 或 Excel 檔案或符合 ODBC 的資料來源。選擇第二個選項,然後單擊“下一步”。

ORG Plus

現在,輸入 Excel 檔案的位置或路徑,然後單擊“下一步”。

Next

在此螢幕的“名稱”欄位下拉列表中,選擇 Excel 電子表格中包含員工名稱的欄位。在“向…彙報”欄位下拉列表中,選擇 Excel 電子表格中表示彙報經理的欄位。如果姓名和名字在不同的欄位中,請在“名字”下拉列表中指定包含員工名字的欄位。

Visio 將組合姓名和名字欄位以生成員工的全名。單擊“下一步”繼續。

First Name

“資料檔案列”框列出了 Excel 檔案標題中存在的所有資料欄位。您可以透過選擇所需的欄位並將它們新增到“顯示的欄位”部分來選擇需要顯示的欄位。新增所需的欄位後,單擊“下一步”。

Columns

在下一個螢幕中,您可以選擇形狀資料應基於的欄位。形狀資料欄位將類似於上一步中選擇的欄位,因此在大多數情況下,您可以保留其原樣。您也可以根據需要新增任何其他欄位。

Additional Fields

在以下螢幕中,您可以選擇是否包含員工的圖片。如果您以與員工姓名相同的格式標記了圖片,則可以指向包含所有員工圖片的資料夾的位置。或者,您可以選擇不包含任何圖片。

Import Pictures

在此螢幕中,您可以選擇如果有很多跨越多個頁面的員工,在一個頁面上可以顯示多少組織資訊。您還可以選擇允許 Visio 自動跨頁面分解組織結構圖。確保選中“跨頁面連結員工形狀”和“跨頁面同步員工形狀”。單擊“完成”以最終建立組織結構圖。

Finish to Create ORG Chart

單擊“完成”後,Visio 將開始處理 Excel 電子表格中的資訊,並根據嚮導中指定的引數建立組織結構圖。您將看到一個進度指示器,顯示建立的狀態。

Status

釋出組織結構圖

可以透過轉到“檔案”選單並單擊“另存為”來將已完成的組織結構圖儲存為 PDF 或任何影像格式。從“另存為型別”欄位中的任何檔案型別中選擇。

JPEG File Interchange Format

如果您將圖形儲存為 JPG 或 GIF 檔案,則會看到另一個對話方塊,該對話方塊允許您進一步指定輸出選項。

Color Format

頭腦風暴圖的結構

頭腦風暴圖類似於組織結構圖,但更多地用於傳達關於某個主題的不同想法。要建立頭腦風暴圖,請單擊“檔案”,然後轉到“新建”選單。在“模板”部分中,選擇“商務”,然後在模板列表中選擇“頭腦風暴圖”,選擇所需的單位,然後單擊“建立”。

Brainstorming Diagram

您會注意到,頭腦風暴圖文件已建立並可以使用。這與組織結構圖相比有一些顯著的區別。首先,形狀數量少於組織結構圖。其次,圖形中出現了一個“大綱”視窗,顯示圖形的大綱。第三,功能區中添加了一個“頭腦風暴”選項卡,其中包含使用頭腦風暴圖所需的工具。

Brainstorming Tab

要建立頭腦風暴圖的中心主題,請將“主主題”形狀拖到畫布上。與您必須雙擊形狀才能輸入文字的組織結構圖不同,您可以在將形狀拖到畫布上後立即開始鍵入文字。

Main Topic

新增、編輯和放置子主題

在本節中,我們將學習如何使用 Visio 在頭腦風暴圖中新增、編輯和放置子主題。

新增子主題

在頭腦風暴圖中,子形狀不會直接插入到主形狀的頂部。子形狀作為子主題插入。要插入子主題,請首先單擊“主主題”形狀,然後單擊功能區上的“頭腦風暴”選項卡。在“新增主題”部分中,單擊“子主題”。

Adding Subtopics

它會為“主主題”形狀建立一個子主題,您可以在此主題上鍵入文字。

Main Topic Shape

您也可以透過點選“新增主題”部分中的“多個子主題”來一次建立多個子主題。這將開啟“新增多個主題”對話方塊,您可以在其中輸入每個子主題的名稱。

Add Multiple Topics

每個子主題都會自動連線到主主題形狀。

Subtopic Connected to Main Topic

子主題的編輯和放置

只需單擊子主題的標題並鍵入即可編輯子主題。您也可以在“大綱視窗”中雙擊子主題名稱來編輯它。“大綱視窗”表示頭腦風暴的主題層次結構。子主題可以透過其聯結器拖動並放置在畫布上的任何位置。它們將始終連結到主主題形狀。

Editing Placement Of Subtopics

在輪廓視窗中編輯主題

“大綱視窗”使您可以輕鬆編輯圖表中主題或主題名稱的順序。在“大綱視窗”中進行的任何更改都將立即反映在實際圖表中。

Outline Window

可以透過單擊視窗左下角的圖釘圖示來固定或取消固定“大綱視窗”。這使得視窗在不使用時可以自動隱藏。

可以透過雙擊視窗中主題名稱並鍵入來編輯主題。也可以透過單擊並拖動主題從一個子主題到另一個子主題來更改主題的順序。您也可以右鍵單擊主題,然後選擇“上移”或“下移”來更改主題的順序。

要刪除主題,請右鍵單擊主題,然後單擊“刪除主題”,或者只需選擇一個主題並按鍵盤上的 Delete 鍵。

自定義主題形狀、樣式和佈局

您可以透過更改形狀、樣式和佈局來以類似於其他型別的圖表的方式自定義頭腦風暴圖表。

自定義主題形狀

各個主題的形狀可以自定義為各種內建形狀。按住 Shift 鍵,依次選擇主題,然後在“頭腦風暴”選項卡的“排列”部分中單擊“更改主題”。

這將開啟“更改形狀”對話方塊,其中列出了您可以更改到的形狀型別。選擇一種形狀型別,然後單擊“確定”。

Change Shape

自定義主題樣式

可以透過選擇不同的主題和主題變體來自定義頭腦風暴圖表。要選擇主題,請轉到功能區上的“設計”選項卡並選擇一個主題。您還可以透過在“變體”部分中選擇變體來選擇不同的主題變體。“變體”部分有一個下拉選單,您可以使用它進一步自定義顏色和效果,例如投影。

自定義主題佈局

您還可以自定義圖表的樣式,使其看起來更優雅和專業。在“頭腦風暴”選項卡中,單擊“圖表樣式”以開啟“頭腦風暴樣式”對話方塊。您可以從各種頭腦風暴樣式以及幾個馬賽克選項中進行選擇,其中包括所有樣式的混合。選擇一種樣式並單擊“應用”以檢視結果。單擊“確定”關閉對話方塊。

Brainstorming Style

您還可以透過單擊“頭腦風暴”選項卡中的“佈局”來自定義佈局。從“選擇佈局”部分中選擇一個佈局。您也可以在“聯結器”部分中選擇聯結器的型別。選擇一個佈局並單擊“應用”以檢視結果。單擊“確定”關閉對話方塊。

OK Button

將資料傳送到 Word 和 Excel

您可以將頭腦風暴資料直接傳送到 Word 和 Excel,實際上,可以傳送到任何接受 XML 輸入的程式。“大綱視窗”中的資料將匯出到 Word 或 Excel 文件,並以 XML 檔案的形式開啟。任何更改都可以儲存到此 XML 檔案,然後可以將其匯入回 Visio。

要將資料匯出為 XML 檔案,請在“頭腦風暴”選項卡的“管理”部分中單擊“匯出資料”,然後選擇“Microsoft Word”或“Microsoft Excel”。請注意,只有在您的計算機上安裝了 2016 版本的 Word 和 Excel 時,這些選項才可用。對於其他版本的 Word 和 Excel 或使用任何其他相容程式,請選擇“匯出為 XML…”。

Export_data

例如,當您將資料匯出到 Excel 時,Visio 會在您儲存 XML 檔案後自動開啟 Excel。在 Excel 中,資料按主題級別組織。例如,T1 代表主主題,T1.1 代表主主題下的第一個子主題,T1.1.1 代表子主題下的進一步子主題,依此類推。您可以在此處新增或刪除主題層次結構並儲存 XML 檔案,然後可以將其重新匯入回 Visio。

Excel

建立和配置時間軸

與組織結構圖和頭腦風暴圖表類似,您也可以在 Visio 中建立時間軸來描述日程安排或一系列事件。

建立時間軸

要建立時間軸,請轉到“檔案”選項卡中的“新建”選單並單擊“模板”。轉到“日程安排”類別,單擊“時間軸”,然後單擊“建立”以建立時間軸工作區。由於時間軸基本上是測量時間的,因此單位選擇無關緊要。

Creating Timeline

配置時間軸形狀

建立時間軸模板後,單擊並從“形狀”窗格中將“塊狀時間軸”形狀拖到畫布上。這將開啟“配置時間軸”對話方塊,您可以在其中選擇時間軸的持續時間和時間刻度。單擊“確定”。

Configure Timeline

它將建立一個時間軸塊,在所選日期之間具有相等的間隔。

Timeline Block

Microsoft Visio - 添加里程碑

里程碑代表某個時間點,在此期間發生或計劃發生重要事件。要添加里程碑,請單擊並拖動“線條里程碑”形狀到時間軸上的選定間隔。它不需要精確地放在特定間隔上,因為您可以手動配置事件的確切日期和時間。

Configure Milestone

當您將里程碑拖到時間軸上時,將出現“配置里程碑”對話方塊,您可以在其中指定里程碑的確切日期和時間以及事件的描述。您還可以從標準日期格式中選擇以更好地表示時間和日期。單擊“確定”以在時間軸上建立里程碑。里程碑可以沿著時間軸拖動,里程碑的日期和時間將相應更新。

Microsoft Visio - 處理衝突

新增許多里程碑時,里程碑的描述文字可能會相互重疊,從而造成凌亂的外觀。可以透過更改里程碑文字的位置來避免衝突。

如果您碰巧有文字衝突,只需抓住里程碑的黃色端並將其拖動到另一個位置,例如底部或更高位置。您也可以透過將滑鼠旋轉到所需的角度來調整黃色端。其目的是確保文字不會衝突,並儘可能清晰地表示。

Markers to Timeline

拖動並釋放黃色端後,“線條里程碑”形狀會相應調整。您還可以使用參考線將多個里程碑的黃色端粘合在一起,以便它們全部對齊。

Indicators to Timeline

向時間軸新增區間

間隔表示一段時間,在此期間發生或計劃發生事件。要新增間隔,請將“塊狀間隔”形狀拖到時間軸上的某個位置。這將開啟“配置間隔”對話方塊。

Configure Interval

在“配置間隔”對話方塊中,您可以選擇間隔的持續時間、日期格式並新增描述。單擊“確定”將間隔新增到時間軸。間隔可以與里程碑或其他事件重疊。透過將間隔形狀格式化為透明,可以顯示其後面的任何其他形狀。

向時間軸新增標記和指示器

標記和指示器可用於表示特定事件,例如當前日期或經過時間。標記有助於瞭解您當前在當前時間軸中相對於目標的立場。

要新增例如當天的日期這樣的標記,請將“今日標記”形狀拖到時間軸上。您可能需要調整黃色端以確保標記文字不會與里程碑或其他資訊重疊。“今日標記”會隨著時間的推移而移動,讓您即時瞭解當前狀態。

Timeline Shapes

另一個可能有用的標記或指示器是“經過時間”。“經過時間”指示器有助於衡量自時間軸開始以來經過的時間。它由綠色矩形表示經過時間的持續時間。當然,就像任何其他形狀一樣,“經過時間”形狀的顏色也可以自定義。

要顯示經過的時間,請將“經過時間”形狀從“形狀”面板拖到時間軸上。

Elapsed Time

Microsoft Visio - 擴充套件時間軸

擴充套件時間軸有助於更詳細地檢視某個時間段的更細微方面。例如,擴充套件時間軸可以顯示特定時期內事件的許多細節,而這些細節在主時間軸上可能不可見。

要建立擴充套件時間軸,請將“擴充套件時間軸”形狀拖到主時間軸上。這將開啟熟悉的“配置時間軸”對話方塊,您可以在其中指定開始和結束日期。由於這是擴充套件時間軸,如果您有一週的日程安排很緊湊,您可以選擇較低的刻度,例如周而不是月。

Expanded Timelines

擴充套件時間軸透過兩個帶黃色端的虛線聯結器連線到主時間軸。黃色端可用於移動或更改擴充套件時間軸的方向。您還可以向擴充套件時間軸添加里程碑事件。但是,新增到擴充套件時間軸的任何事件或間隔都不會顯示在主時間軸中。

還可以根據現有擴充套件時間軸新增更多擴充套件時間軸。

Microsoft Visio - 設定時間軸格式

您可以應用通常的格式化技術,例如主題和變體到時間軸。您還可以選擇背景,以便所有後續時間軸都使用背景模板建立。

例如,在“設計”選項卡中,單擊“邊框和標題”以設定專業外觀的邊框,其中包含標題頁首,以便此時間軸中的所有頁面都具有相同的背景和頁首資訊。

它將建立一個背景頁面,該頁面疊加在文件中的所有其他頁面上。

Formatting Timelines

您還可以更改時間軸和其他形狀,使其看起來像塊、圓柱體或括號,方法是右鍵單擊形狀並從選單中選擇相應的型別。

Microsoft Visio - 共享時間軸

時間軸可以像其他 Visio 繪圖一樣共享為 PDF、Visio 繪圖或圖形檔案。Visio 還允許您讓其他人編輯繪圖(如果已提供訪問許可權)。這是透過 Microsoft OneDrive 進行的,您需要登入 Visio 才能訪問此功能。

要共享繪圖以進行編輯或稽核,請轉到“檔案”選單並單擊“共享”。文件必須首先儲存到雲端,因此請單擊“儲存到雲端”將文件儲存到您的個人或官方 OneDrive 資料夾。

將文件儲存到您的OneDrive資料夾後,您可以透過傳送共享繪圖的連結來邀請其他人。您可以定義其他人是隻能檢視還是也可以編輯。然後,您的協作者可以在雲端開啟共享繪圖,並直接在其Visio安裝中開啟繪圖。

Sharing Timelines

注意 − Visio Online 可供其雲訂閱中包含 Visio 的 Office 365 客戶使用。他們可以在瀏覽器中線上開啟和檢視繪圖;但是,任何對繪圖本身的更改都需要使用者安裝本地版本的 Visio。

Microsoft Visio - 建立日曆

您可以使用 Visio 建立日曆,以幫助您更好地組織和傳遞資訊。要建立日曆,請轉到“檔案”選項卡中的“新建”選單,然後單擊“模板”,然後單擊“日程安排”。在“日程安排”類別中,單擊“多周任務日曆”,然後單擊“建立”以建立日曆工作區。根據您的 Visio 版本,您可能只注意到名為“日曆”的模板。

Creating Calenders

您會看到已建立了一個預設日曆。但是,您可以透過將“月份”形狀拖動到空白畫布上來建立自己的日曆。這將開啟“配置”對話方塊,您可以在其中指定日曆月份。月份的天數會自動填充,週末與工作日有所區別。

Default Calender

向日歷新增約會

在本章中,我們將學習如何向日歷新增約會。

新增單日約會

要新增單日約會,請單擊“形狀”窗格中的“約會”形狀,然後將其拖動到日曆中的某個位置。

這將開啟“配置”對話方塊,您可以在其中輸入約會的詳細資訊。單擊“確定”以在指定日期新增約會。

 Calender Shapes

新增多日約會

有時,約會可能會持續多天。要新增多日約會,請單擊並從“形狀”窗格中將“多日事件”形狀拖動到日曆上。這同樣會開啟一個“配置”對話方塊,您可以在其中指定事件的詳細資訊以及開始和結束日期。建立多日約會後,如果需要,可以拖動約會控制代碼以覆蓋其他日期。

Multi Day Appointment

Microsoft Visio - 自定義日曆

可以透過應用主題和變體來自定義日曆,就像任何其他 Visio 繪圖一樣。日曆還可以自定義為顯示天氣狀況甚至月相。

要新增形狀(例如天氣圖示),請向下滾動“形狀”窗格中的形狀列表,然後將所需的圖示拖動到日曆中的日期上。當您嘗試將形狀彼此對齊時,可以使用出現的動態網格來對齊多個形狀。

您還可以透過從功能區中的“設計”選項卡中選擇主題和變體來更改日曆的外觀。

Customize Calender

Microsoft Visio - 新增其他月份

在 Visio 中新增其他月份很簡單。要新增其他月份,請首先透過單擊螢幕底部的“插入頁面”符號或按 Shift+F11 來新增新頁面。您可以透過雙擊頁面標題來重新命名頁面。

Additional Months

新增新頁面後,透過單擊並將“月份”形狀拖動到新頁面上來建立新的日曆。為新月份配置日曆。

要新增其他月份,只需透過複製當前頁面來建立新頁面即可。要複製頁面,請右鍵單擊頁面的名稱,然後單擊“複製”。這將建立當前日曆頁面的副本。

Duplicate

現在,只需透過轉到功能區中的“日曆”選單並單擊“配置”來重新配置新頁面上的日曆。更改月份時,您會收到一條警告訊息,指出所有日程安排資訊都將丟失。單擊“確定”以重新配置新頁面上的日曆。

Reconfigure the Calendar

從Outlook匯入日曆

您可以直接將 Outlook 中的現有日曆匯入 Visio。注意 − 要匯入 Outlook 資料,您需要安裝 Microsoft Outlook 並使用相同的 Microsoft 帳戶進行配置。

要匯入 Outlook 日曆資料,請轉到功能區中的“日曆”選項卡,然後單擊“匯入 Outlook 資料”。

Import Calendars

按照嚮導中的步驟將日曆匯入 Visio。您可以匯入到現有的 Visio 日曆中,也可以使用 Outlook 資料建立新的日曆。

如果要匯入到現有的 Visio 日曆中,請確保選擇正確的日期範圍進行匯入,否則資料將不會顯示在 Visio 日曆中。

Microsoft Visio - 建立平面圖

平面圖有助於視覺化房間或建築物樓層的佈局。平面圖幫助建築師瞭解物體在地板上的放置位置,以及門窗以及其他房間的設計。

Visio 提供了廣泛的資源,用於處理各種平面圖和地圖。要建立平面圖,請轉到“檔案”選單,然後單擊“新建”。在“模板”部分中,單擊“地圖和平面圖”。從可用模板列表中選擇“平面圖”。選擇所需的單位,然後單擊“建立”以建立平面圖。

您會注意到平面圖的選項多種多樣。標尺現在以英尺而不是英寸為單位進行測量。“形狀”窗格顯示不同形狀,這些形狀按平面圖的各個元件下的各種標題進行分類,如下面的螢幕截圖所示。

Walls,Shell and Structure

縮放和向平面圖新增結構元素

在向平面圖新增元素之前,務必正確設定比例。設定正確的比例可確保平面圖內的元素根據輸出紙張的尺寸按比例縮放。

要更改比例的尺寸,請單擊“設計”選項卡,然後在“頁面設定”部分中,單擊向下箭頭以開啟“頁面設定”對話方塊,或按 Shift+F5。

Scaling

在“頁面設定”對話方塊中,單擊“繪圖比例”選項卡以設定定義的比例。您可以使用預定義的比例或輸入自定義值。您可以將“頁面大小”(以測量單位表示)欄位設定為適當的頁面大小。

單擊“應用”以檢視標尺尺寸的變化,然後單擊“確定”以關閉“頁面設定”對話方塊。

Drawing Scale

向平面圖新增尺寸

在建築圖紙中,瞭解正確的測量值非常重要。Visio 可幫助您精確測量平面圖中各種形狀的尺寸。為了獲得精確的尺寸,務必正確設定圖表比例。

要檢視尺寸形狀,請單擊“形狀”窗格中的“標註 - 建築”類別以顯示測量工具。在本例中,我們將測量牆壁的垂直尺寸。

Dimesioning Architectural

測量牆壁的垂直尺寸

要測量垂直尺寸,請單擊並拖動“標註 - 建築”形狀類別中的“垂直”形狀,然後將其釋放到要測量的牆壁上。您會看到“垂直”形狀現在有兩個黃點和兩個白點。

白點用於將“垂直”形狀的兩端貼上到牆壁的頂部和底部長度上。第一個黃點有助於將“垂直”形狀與實際牆壁區分開來。第二個黃點有助於清晰地顯示尺寸值。

Vertical

將白點貼上到牆壁的頂部和底部。然後,根據需要拖動黃點以正確顯示尺寸。

如果比例正確,您將看到所需形狀的精確尺寸。

Document Stencil

向平面圖新增傢俱

您可以新增物件(例如傢俱和辦公裝置)到平面圖中,以獲得完整的視角。Visio 提供了許多形狀,這些形狀可以根據平面圖的尺寸進行縮放。

首先,我們需要確保“形狀”窗格中顯示了傢俱和辦公裝置所需的形狀。為此,請單擊“形狀”窗格中的“更多形狀”,然後在選單中轉到“地圖和平面圖”,然後轉到“建築平面圖”。

在子選單中,確保選中“辦公傢俱”以及(如果需要)“辦公裝置”選項。然後,您可以選擇“形狀”窗格中的“辦公傢俱”類別以顯示常用傢俱的列表。

Adding Furniture to Floor

您現在可以選擇“形狀”窗格中的“辦公傢俱”類別以顯示常用傢俱的列表。將所需的傢俱形狀拖動到平面圖中,並根據需要調整位置。

確保“形狀資料”窗格可見,以便您可以根據比例調整形狀的長度和深度。

Shape Data Cube Work

新增標題和其他資訊

您可以向平面圖新增標題和其他文字資訊以傳達資訊,例如圖表的比例、設計公司的名稱等。

向平面圖新增文字

要向平面圖新增文字資訊,請從功能區中的“插入”選項卡中選擇“文字框”,然後在圖表中的空白區域繪製文字框。

Insert

然後,文字框可用於輸入資訊,例如圖表的比例,以便讀者瞭解實際物件的大小。比例資訊可以從“設計”選項卡中“頁面設定”對話方塊的“繪圖比例”選項卡中獲取。

Design Tab

新增頁面標題和背景

您還可以新增頁面標題和背景作為背景頁面,以便它反映在圖表的每一頁中。在下面的示例中,我們將新增背景標題資訊。轉到“設計”選項卡,然後在“背景”部分中,單擊“邊框和標題”。在設計的下拉列表中,選擇一個與您的主題匹配的設計。

Titles and background

它建立一個應用於文件所有頁面的背景層。雙擊文字區域以放大並鍵入文件的標題。您還可以根據需要更改日期,甚至可以將主題和變體應用於平面圖,以獲得更精細的外觀。

Background layer

使用線框圖製作軟體原型

線框圖通常由軟體開發人員用於建立軟體使用者介面的設計原型。線框圖有助於在部署軟體之前視覺化 UI 中各種元素的位置和行為。

開啟線框圖模板

單擊“檔案”選單,然後單擊“新建”。在“模板”部分中,單擊“軟體和資料庫”類別,然後向下滾動以選擇“線框圖”模板。

Wireframe Template

它將開啟“線框圖”模板,“形狀”窗格列出了軟體 UI 中常用的所有控制元件和按鈕,如下面的螢幕截圖所示。

Toolbars

建立線框對話方塊

在下面的示例中,我們將為“列印”命令建立一個線框對話方塊。單擊“形狀”窗格中的“對話方塊”類別,然後將“對話方塊表單”形狀拖動到畫布上。您可以根據需要調整預設形狀的大小。雙擊對話方塊中的標題文字,然後鍵入“列印”。現在我們有了對話方塊的外框。

Wireframe Dialog Box

向線框新增元素和控制元件

建立線框對話方塊的綱要後,您可以新增元素,例如文字框和下拉選單。我們正在為列印對話方塊建立線框,因此第一個下拉選單應該是使用者可以從中選擇印表機列表的選單。

新增下拉選單

首先將“標籤”形狀拖到對話方塊中。您可以使用水平和垂直參考線來幫助您定位形狀。接下來,將“下拉”形狀拖到“標籤”形狀的最右邊,使其貼上到“標籤”形狀上。雙擊“標籤”形狀輸入文字。在本例中,是印表機的名稱。注意 − 這只是一個視覺化對話方塊和選單的原型,選單實際上並不工作。

Drop Down

新增其他按鈕和控制元件

添加了一個下拉選單後,您可以繼續新增另一個下拉選單以指示印表機預設。您還可以將一個框拖到對話方塊中以指定文件預覽區域。

大多數列印對話方塊還具有頁面設定按鈕,用於設定頁面的各種屬性,在此處包含一個也是有意義的。要新增按鈕,請單擊“形狀”窗格中的“控制元件”類別,然後從形狀列表中將“按鈕”形狀拖到頁面上的合適區域。雙擊該形狀以輸入文字並將其命名為“頁面設定”。

您還可以將向後和向前箭頭新增為文件預覽窗格下的導航指南。

Controls

您可以繼續新增任意數量的元素,以瞭解原型的效果。只需記住不要線上框中新增太多按鈕。

列出圖表中使用的形狀

Visio 內建了強大的審計和庫存工具,可以幫助快速檢視圖表中的各個元件。您可以將圖表中使用的每個形狀的數量、形狀的屬性、形狀上的文字等資訊提取為表格,這可以幫助您快速檢視並確保文件符合規定的規範。在本例中,我們將提取一個示例報告,其中顯示了使用的形狀名稱及其數量。

要獲取文件的庫存,請轉到功能區的“審閱”選項卡,然後在“報告”部分中單擊“形狀報告”。

Review

它將開啟“報告”對話方塊。您可以透過單擊“新建…”建立新的報告定義,或者透過單擊“修改…”修改現有的報告樣式。

選擇報告所需的特性後,單擊“執行…”開始建立報告。

Reports

編譯報告後,將開啟“執行報告”對話方塊,允許選擇報告的格式。通常,最好將報告匯出為 Excel 檔案,以便更容易對資料欄位進行排序,但您也可以選擇匯出為 HTML、XML 或 Visio 形狀。在“將報告儲存為”部分中選擇“報告定義的副本”,以在文件中儲存報告的副本,然後單擊“確定”。

Visio Shape

Visio 將建立一個報告表,詳細說明我們選擇的特性。在本例中,是形狀的名稱和數量。如果您在上一步中選擇將報告儲存為 Excel 檔案,則單擊該報告將在 Visio 中開啟一個 Excel 視窗,您可以在其中處理報告的內容。

Inventory
廣告
© . All rights reserved.