
- 放大器
- 基本放大器
- 放大器的分類
- 基於配置
- 多級電晶體放大器
- RC耦合放大器
- 變壓器耦合放大器
- 直耦放大器
- 功率放大器
- 功率放大器的分類
- A類功率放大器
- 變壓器耦合A類功率放大器
- 推輓A類功率放大器
- B類功率放大器
- AB類和C類功率放大器
- 調諧放大器
- 調諧放大器的型別
- 反饋放大器
- 負反饋放大器
- 射極跟隨器和達林頓放大器
- 放大器中的噪聲
- 放大器有用資源
- 放大器 - 快速指南
- 放大器 - 有用資源
- 放大器 - 討論
RC耦合放大器
電阻-電容耦合簡稱為RC耦合。這是放大器中最常用的耦合技術。
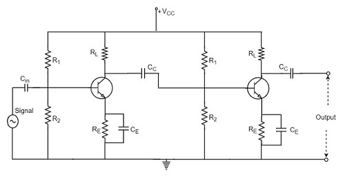
兩級RC耦合放大器的構造
兩級RC耦合電晶體放大器電路的結構細節如下。兩級放大器電路有兩個電晶體,以共射極配置連線,並使用一個公共電源VCC。分壓網路R1和R2以及電阻Re構成偏置和穩定網路。發射極旁路電容Ce為訊號提供低阻抗路徑。
電阻RL用作負載阻抗。放大器初始階段存在的輸入電容Cin將交流訊號耦合到電晶體的基極。電容CC是連線兩個級的耦合電容,它可以防止級之間出現直流乾擾並控制工作點的偏移。下圖顯示了RC耦合放大器的電路圖。

RC耦合放大器的操作
當交流輸入訊號施加到第一個電晶體的基極時,它會被放大並出現在集電極負載RL上,然後透過耦合電容CC傳遞到下一級。這成為下一級的輸入,其放大的輸出再次出現在其集電極負載上。因此,訊號在逐級作用中被放大。
這裡需要注意的重要一點是,總增益小於各個級增益的乘積。這是因為,當第二級跟隨第一級時,由於第二級的輸入電阻的並聯效應,第一級的**有效負載電阻**降低。因此,在多級放大器中,只有最後一級的增益保持不變。
由於我們這裡考慮的是兩級放大器,因此輸出相位與輸入相位相同。因為兩級共射極配置的放大器電路進行了兩次相位反轉。
RC耦合放大器的頻率響應
頻率響應曲線是表示電壓增益與頻率函式之間關係的圖表。RC耦合放大器的頻率響應如下圖所示。

從上圖可以看出,對於低於50Hz的頻率和高於20KHz的頻率,頻率衰減或下降。而50Hz到20KHz頻率範圍內的電壓增益是恆定的。
我們知道,
$$X_C = \frac{1}{2 \pi f_c}$$
這意味著電容抗與頻率成反比。
在低頻(即低於50 Hz)
電容抗與頻率成反比。在低頻下,抗阻相當高。輸入電容Cin和耦合電容CC的抗阻非常高,以至於只允許輸入訊號的一小部分透過。發射極旁路電容CE的抗阻在低頻時也很高。因此,它不能有效地旁路發射極電阻。由於所有這些因素,電壓增益在低頻下衰減。
在高頻(即高於20 KHz)
再次考慮同一點,我們知道電容抗在高頻下很低。因此,電容在高頻下表現為短路。由此導致下一級的負載效應增加,從而降低了電壓增益。同時,隨著發射極二極體電容的減小,它會增加電晶體的基極電流,從而導致電流增益(β)降低。因此,電壓增益在高頻下衰減。
在中頻(即50 Hz至20 KHz)
在此頻率範圍內,電容的電壓增益保持恆定,如圖所示。如果頻率增加,電容CC的抗阻減小,這會增加增益。但是,這種較低的電容抗阻會增加下一級的負載效應,從而導致增益降低。
由於這兩個因素,增益保持恆定。
RC耦合放大器的優點
以下是RC耦合放大器的優點。
RC放大器的頻率響應在較寬的頻率範圍內提供恆定的增益,因此最適合音訊應用。
電路簡單且成本較低,因為它採用電阻和電容,這些元件價格低廉。
隨著技術的升級,它變得更加緊湊。
RC耦合放大器的缺點
以下是RC耦合放大器的缺點。
由於有效負載電阻,電壓和功率增益較低。
隨著時間的推移,它們會變得嘈雜。
由於阻抗匹配不良,功率傳輸會降低。
RC耦合放大器的應用
以下是RC耦合放大器的應用。
它們在較寬的頻率範圍內具有出色的音訊保真度。
廣泛用作電壓放大器
由於阻抗匹配不良,RC耦合很少用於最終級。