
- 放大器
- 基本放大器
- 放大器的分類
- 基於配置
- 多級電晶體放大器
- RC耦合放大器
- 變壓器耦合放大器
- 直耦放大器
- 功率放大器
- 功率放大器的分類
- A類功率放大器
- 變壓器耦合A類功率放大器
- 推輓A類功率放大器
- B類功率放大器
- AB類和C類功率放大器
- 調諧放大器
- 調諧放大器的型別
- 反饋放大器
- 負反饋放大器
- 射極跟隨器和達林頓放大器
- 放大器中的噪聲
- 放大器有用資源
- 放大器 - 快速指南
- 放大器 - 有用資源
- 放大器 - 討論
基於配置
任何電晶體放大器都使用電晶體放大訊號,該電晶體以三種配置之一連線。對於放大器來說,最好具有高輸入阻抗,以避免多級電路中的負載效應,並具有較低的輸出阻抗,以便向負載提供最大輸出。電壓增益和功率增益也應該很高,以產生更好的輸出。
現在讓我們研究不同的配置,以瞭解哪種配置更適合電晶體作為放大器工作。
共基放大器
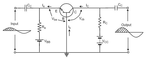
使用CB配置的電晶體組合形成的放大器電路稱為CB放大器。
結構
使用NPN電晶體的共基放大器電路如下所示,輸入訊號施加在發射極基極結上,輸出訊號從集電極基極結取出。

發射極基極結由VEE正向偏置,集電極基極結由VCC反向偏置。工作點藉助電阻Re和Rc進行調整。因此,Ic、Ib和Icb的值由VCC、VEE、Re和Rc決定。
操作
當沒有施加輸入時,形成靜止條件,並且沒有輸出。由於Vbe相對於地為負,因此對於輸入訊號的正半週期,正向偏置減小。因此,基極電流IB也減小。
下圖顯示了具有自偏置電路的CB放大器。

眾所周知,
$$I_C \cong I_E \cong \beta I_B$$
集電極電流和發射極電流都減小。
RC上的電壓降為
$$V_C = I_C R_C$$
此VC也減小。
由於ICRC減小,VCB增大。這是因為,
$$V_{CB} = V_{CC} - I_C R_C$$
因此,產生正半週期輸出。
在CB配置中,正輸入產生正輸出,因此輸入和輸出同相。因此,在CB放大器中,輸入和輸出之間沒有相位反轉。
如果將CB配置考慮用於放大,則它具有低輸入阻抗和高輸出阻抗。與CE配置相比,電壓增益也較低。因此,CB配置的放大器用於高頻應用。
共射放大器
使用CE配置的電晶體組合形成的放大器電路稱為CE放大器。
結構
使用NPN電晶體的共射放大器電路如下所示,輸入訊號施加在發射極基極結上,輸出訊號從集電極基極結取出。

發射極基極結由VEE正向偏置,集電極基極結由VCC反向偏置。工作點藉助電阻Re和Rc進行調整。因此,Ic、Ib和Icb的值由VCC、VEE、Re和Rc決定。
操作
當沒有施加輸入時,形成靜止條件,並且沒有輸出。當施加訊號的正半週期時,基極與發射極之間的電壓Vbe增大,因為它相對於地已經為正。
隨著正向偏置的增加,基極電流也相應增加。由於IC = βIB,集電極電流也增加。
以下電路圖顯示了具有自偏置電路的CE放大器。

當集電極電流流過RC時,電壓降增大。
$$V_C = I_C R_C$$
結果,集電極與發射極之間的電壓降低。因為,
$$V_{CB} = V_{CC} - I_C R_C$$
因此,放大電壓出現在RC上。
因此,在CE放大器中,由於正向訊號作為負向訊號出現,因此可以理解輸入和輸出之間存在180o的相移。
CE放大器的輸入阻抗高於CB放大器,輸出阻抗低於CB放大器。CE放大器的電壓增益和功率增益也較高,因此它主要用於音訊放大器。
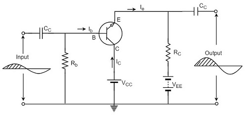
共集放大器
使用CC配置的電晶體組合形成的放大器電路稱為CC放大器。
結構
使用NPN電晶體的共集放大器電路如下所示,輸入訊號施加在基極集電極結上,輸出訊號從發射極集電極結取出。

發射極基極結由VEE正向偏置,集電極基極結由VCC反向偏置。Ib和Ie的Q值由Rb和Re調整。
操作
當沒有施加輸入時,形成靜止條件,並且沒有輸出。當施加訊號的正半週期時,正向偏置增大,因為Vbe相對於集電極或地為正。由此,基極電流IB和集電極電流IC增大。
以下電路圖顯示了具有自偏置電路的CC放大器。

因此,Re上的電壓降,即輸出電壓增大。結果,獲得正半週期。由於輸入和輸出同相,因此沒有相位反轉。
如果將CC配置考慮用於放大,儘管CC放大器的輸入阻抗高於CE放大器,輸出阻抗低於CE放大器,但CC的電壓增益非常小,這限制了其僅用於阻抗匹配的應用。
CB CE CC放大器之間的比較
讓我們比較CB、CE和CC放大器的特性細節。
特性 | CE | CB | CC |
---|---|---|---|
輸入電阻 | 低(1K至2K) | 非常低(30-150 Ω) | 高(20-500 KΩ) |
輸出電阻 | 大(≈ 50 K) | 高(≈ 500 K) | 低(50-1000 KΩ) |
電流增益 | B高 | α < 1 | 高(1 + β) |
電壓增益 | 高(≈ 1500) | 高(≈ 1500) | 小於一 |
功率增益 | 高(≈ 10,000) | 高(≈ 7500) | 低(250-500) |
輸入和輸出之間的相位 | 反相 | 同相 | 同相 |
由於相容性和特性,共射配置主要用於放大器電路。