
- 放大器
- 基本放大器
- 放大器的分類
- 基於組態
- 多級電晶體放大器
- RC耦合放大器
- 變壓器耦合放大器
- 直耦放大器
- 功率放大器
- 功率放大器的分類
- A類功率放大器
- 變壓器耦合A類功率放大器
- 推輓A類功率放大器
- B類功率放大器
- AB類和C類功率放大器
- 調諧放大器
- 調諧放大器的型別
- 反饋放大器
- 負反饋放大器
- 射極跟隨器和達林頓放大器
- 放大器中的噪聲
- 放大器有用資源
- 放大器 - 快速指南
- 放大器 - 有用資源
- 放大器 - 討論
基本放大器
我們希望您在上一章中已經獲得了關於工作點、其穩定性和補償技術的足夠知識。現在讓我們嘗試瞭解基本放大器電路的基本概念。
電子訊號包含一些資訊,如果強度不足,則無法利用。增加訊號強度的過程稱為放大。幾乎所有電子裝置都必須包含一些放大訊號的方法。我們在醫療裝置、科學儀器、自動化、軍事工具、通訊裝置,甚至家用裝置中都發現了放大器的應用。
實際應用中的放大是使用多級放大器完成的。將多個單級放大器級聯起來形成多級放大器。讓我們看看如何構建單級放大器,它是多級放大的基礎。
單級電晶體放大器
當僅使用一個電晶體及其相關電路來放大微弱訊號時,該電路稱為單級放大器。
分析單級放大器電路的工作原理,使我們更容易理解多級放大器電路的構成和工作原理。單級電晶體放大器有一個電晶體、偏置電路和其他輔助元件。下圖顯示了單級電晶體放大器的外觀。

當如圖所示向電晶體基極提供微弱的輸入訊號時,會有一小部分基極電流流過。由於電晶體的作用,電晶體集電極會流過更大的電流。(因為集電極電流是基極電流的β倍,這意味著IC = βIB)。現在,隨著集電極電流的增加,電阻RC上的壓降也增加,這被收集為輸出。
因此,基極的小輸入在集電極輸出端被放大為更大幅度和強度的訊號。因此,這個電晶體充當放大器。
電晶體放大器的實際電路
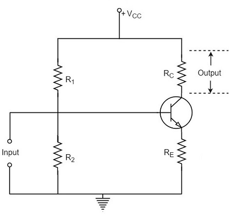
實際電晶體放大器的電路如下所示,它表示分壓偏置電路。

各種突出的電路元件及其功能如下所述。
偏置電路
電阻R1、R2和RE形成偏置和穩定電路,有助於建立合適的工作點。
輸入電容Cin
此電容將輸入訊號耦合到電晶體的基極。輸入電容Cin允許交流訊號透過,但將訊號源與R2隔離。如果沒有這個電容,輸入訊號將直接施加,這會改變R2處的偏置。
耦合電容CC
此電容位於一個級的末端,並將其連線到另一級。因為它耦合了兩級,所以稱為耦合電容。此電容阻止一個級的直流進入另一個級,但允許交流透過。因此,它也稱為隔直電容。
由於存在耦合電容CC,電阻RL上的輸出沒有集電極的直流電壓。如果沒有它,由於RC的分流效應,下一級的偏置條件將發生巨大變化,因為它將與下一級的R2並聯。
發射極旁路電容CE
此電容並聯於發射極電阻RE。放大的交流訊號透過它旁路。如果沒有它,該訊號將透過RE,這會在RE上產生壓降,該壓降會反饋輸入訊號,從而降低輸出電壓。
負載電阻RL
連線在輸出端的電阻RL稱為負載電阻。當使用多級時,RL表示下一級的輸入電阻。
各種電路電流
讓我們瞭解完整放大器電路中的各種電路電流。這些已經在上面的圖中提到了。
基極電流
當基極電路中沒有施加訊號時,由於偏置電路,直流基極電流IB流過。當施加交流訊號時,交流基極電流ib也會流過。因此,在施加訊號時,總基極電流iB由下式給出
$$i_B = I_B + i_b$$
集電極電流
當沒有施加訊號時,由於偏置電路,直流集電極電流IC流過。當施加交流訊號時,交流集電極電流ic也會流過。因此,總集電極電流iC由下式給出
$$i_C = I_C + i_c$$
其中
$I_C = \beta I_B$ = 零訊號集電極電流
$i_c = \beta i_b$ = 由訊號引起的集電極電流
發射極電流
當沒有施加訊號時,直流發射極電流IE流過。在施加訊號時,總髮射極電流iE由下式給出
$$i_E = I_E + i_e$$
應該記住
$$I_E = I_B + I_C$$
$$i_e = i_b + i_c$$
由於基極電流通常很小,因此需要注意
$I_E \cong I_C$ 和 $i_e \cong i_c$
這些是電晶體放大器實際電路的重要考慮因素。現在讓我們瞭解放大器的分類。