
- 放大器
- 基本放大器
- 放大器的分類
- 基於組態
- 多級電晶體放大器
- RC耦合放大器
- 變壓器耦合放大器
- 直耦放大器
- 功率放大器
- 功率放大器的分類
- A類功率放大器
- 變壓器耦合A類功率放大器
- 推輓式A類功率放大器
- B類功率放大器
- AB類和C類功率放大器
- 調諧放大器
- 調諧放大器的型別
- 反饋放大器
- 負反饋放大器
- 射極跟隨器和達林頓放大器
- 放大器中的噪聲
- 放大器有用資源
- 放大器 - 快速指南
- 放大器 - 有用資源
- 放大器 - 討論
工作點
當連線飽和點和截止點的一條線被畫出時,這樣的線可以被稱為負載線。這條線,當畫在輸出特性曲線上時,與一個被稱為工作點的點相接觸。
這個工作點也稱為靜態工作點或簡稱為Q點。可能有許多這樣的交點,但是Q點的選擇方式是這樣的:不管交流訊號擺動如何,電晶體都保持在放大區。
下圖顯示瞭如何表示工作點。

工作點不應受到干擾,因為它應該保持穩定以實現保真的放大。因此,靜態工作點或Q點是實現保真放大的值。
保真放大
提高訊號強度的方法稱為放大。這種放大在不損失訊號分量的情況下進行,稱為保真放大。
保真放大是透過提高訊號強度來獲得輸入訊號的完整部分的過程。這是在交流訊號施加到其輸入端時完成的。

在上圖中,施加的輸入訊號被完全放大並再現,沒有任何損失。這可以理解為保真放大。
工作點的選擇使其位於放大區,並有助於再現完整的訊號而不會有任何損失。
如果工作點靠近飽和點,則放大將如下所示。

如果工作點靠近截止點,則放大將如下所示。

因此,工作點的放置是實現保真放大的重要因素。但是,為了使電晶體能夠作為放大器正常工作,其輸入電路(即基極-發射極結)保持正向偏置,其輸出電路(即集電極-基極結)保持反向偏置。
因此,放大訊號包含與輸入訊號相同的資訊,而訊號強度增加。
保真放大的關鍵因素
為了確保保真放大,必須滿足以下基本條件。
- 適當的零訊號集電極電流
- 任何時刻的最小適當的基極-發射極電壓 (VBE)。
- 任何時刻的最小適當的集電極-發射極電壓 (VCE)。
滿足這些條件確保電晶體在輸入正向偏置和輸出反向偏置的放大區域工作。
適當的零訊號集電極電流
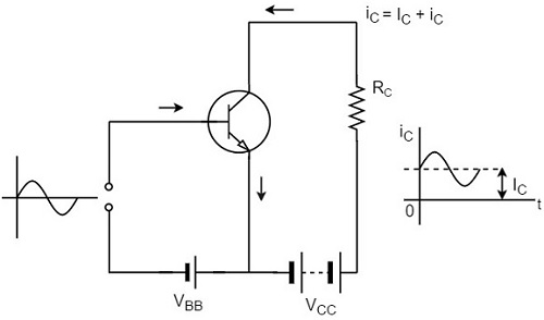
為了理解這一點,讓我們考慮一下下圖所示的NPN電晶體電路。基極-發射極結是正向偏置的,集電極-發射極結是反向偏置的。當在輸入端施加訊號時,NPN電晶體的基極-發射極結在輸入的正半周被正向偏置,因此它出現在輸出端。
對於負半周,相同的結被反向偏置,因此電路不導通。這導致失真放大,如下圖所示。

現在讓我們在基極電路中引入一個電池VBB。該電壓的大小應足以使電晶體的基極-發射極結即使在輸入訊號的負半周也保持正向偏置。當沒有施加輸入訊號時,由於VBB,電路中會流過直流電流。這被稱為零訊號集電極電流IC。
在輸入的正半周,基極-發射極結被更大地正向偏置,因此集電極電流增加。在輸入的負半周,輸入結被更小地正向偏置,因此集電極電流減小。因此,輸入的兩個週期都出現在輸出端,因此產生保真放大,如下圖所示。

因此,為了實現保真放大,必須流過適當的零訊號集電極電流。零訊號集電極電流的值應至少等於僅由於訊號引起的最大的集電極電流。
任何時刻的適當最小VBE
最小基極-發射極電壓VBE應大於結正向偏置的開啟電壓。矽電晶體導通所需的最小電壓為0.7v,鍺電晶體導通所需的最小電壓為0.5v。如果基極-發射極電壓VBE大於此電壓,則勢壘被克服,因此基極電流和集電極電流急劇增加。
因此,如果VBE在輸入訊號的任何部分下降,則由於產生的集電極電流較小,該部分將被放大到較小程度,這會導致失真放大。
任何時刻的適當最小VCE
為了實現保真放大,集電極-發射極電壓VCE不應低於開啟電壓,這稱為膝蓋電壓。如果VCE小於膝蓋電壓,則集電極-基極結將不會被正確反向偏置。然後集電極不能吸引由發射極發射的電子,它們將流向基極,從而增加基極電流。因此,β值下降。
因此,如果VCE在輸入訊號的任何部分下降,則該部分將被放大到較小程度,導致失真放大。因此,如果VCE大於VKNEE,則集電極-基極結被正確反向偏置,並且β值保持恆定,從而導致保真放大。