
- 電力電子教程
- 電力電子 - 首頁
- 電力電子 - 簡介
- 電力電子 - 開關器件
- 線性電路元件
- 直流-直流變換器
- 電力電子 - 斬波器
- 電力電子 - 控制方法
- 諧振開關
- 直流變換器解題示例
- 逆變器
- 電力電子 - 逆變器型別
- 脈寬調製
- 逆變器解題示例
- 交流-直流變換器
- 單相交流電壓控制器
- 電力電子 - 迴圈轉換器
- 積分週期控制
- 電力電子 - 矩陣變換器
- 解題示例
- 電力電子資源
- 電力電子 - 快速指南
- 電力電子 - 有用資源
- 電力電子 - 討論
電力電子 - 逆變器型別
逆變器是指一種電力電子裝置,它將直流電轉換為所需的頻率和電壓輸出的交流電。
逆變器可分為兩大類:
電壓源逆變器 (VSI) - 電壓源逆變器具有剛性的直流電源電壓,即直流電壓在逆變器輸入端具有有限或零阻抗。
電流源逆變器 (CSI) - 電流源逆變器由直流電源提供可變電流,該電源具有高阻抗。產生的電流波形不受負載影響。
單相逆變器
單相逆變器有兩種型別:全橋逆變器和半橋逆變器。
半橋逆變器
這種型別的逆變器是全橋逆變器的基本組成部分。它包含兩個開關,每個電容器的電壓輸出等於 $\frac{V_{dc}}{2}$。此外,開關互補,即一個開關接通時,另一個開關斷開。
全橋逆變器
該逆變器電路將直流電轉換為交流電。它透過以正確的順序閉合和開啟開關來實現這一點。它有四種不同的工作狀態,這些狀態基於哪些開關閉合。
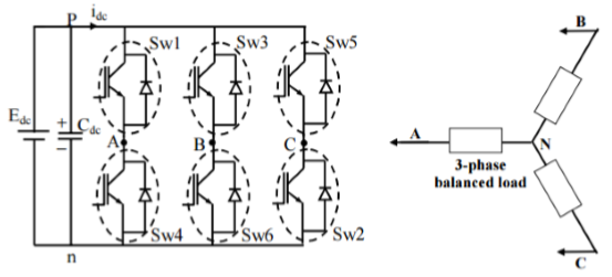
三相逆變器
三相逆變器將直流輸入轉換為三相交流輸出。它的三個臂通常延遲 120° 角,以產生三相交流電源。逆變器開關的每個開關的佔空比為 50%,並且每隔 T/6 的時間 T(60° 角間隔)發生切換。開關 S1 和 S4、開關 S2 和 S5 以及開關 S3 和 S6 互補。
下圖顯示了一個三相逆變器的電路。它只不過是三個單相逆變器跨接在同一直流電源上。三相逆變器中的極電壓等於單相半橋逆變器中的極電壓。

上述兩種型別的逆變器具有兩種導通模式:180° 導通模式和120° 導通模式。
180° 導通模式
在這種導通模式下,每個器件處於導通狀態 180°,它們以 60° 的間隔接通。端子 A、B 和 C 是橋的輸出端子,它們連線到負載的三相三角形或星形連線。
下面圖解說明了平衡星形連線負載的操作。在 0° - 60° 的時間段內,點 S1、S5 和 S6 處於導通模式。負載的端子 A 和 C 連線到電源的正極。端子 B 連線到電源的負極。此外,中性點和正極之間存在電阻 R/2,而中性點和負極之間存在電阻 R。

負載電壓如下: VAN = V/3, VBN = −2V/3, VCN = V/3 |
線電壓如下: VAB = VAN − VBN = V, VBC = VBN − VCN = −V, VCA = VCN − VAN = 0 |
180° 導通模式波形

120° 導通模式
在這種導通模式下,每個電子器件處於導通狀態 120°。它最適合負載中的三角形連線,因為它會導致其任何相位上的六步波形。因此,在任何時刻只有兩個器件導通,因為每個器件僅導通 120°。
負載上的端子 A 連線到電源的正極,而端子 B 連線到電源的負極。負載上的端子 C 處於稱為浮動狀態的狀態。此外,相電壓等於負載電壓,如下所示。
相電壓 = 線電壓
VAB = V
VBC = −V/2
VCA = −V/2
120° 導通模式波形
