- 電力電子教程
- 電力電子 - 首頁
- 電力電子 - 簡介
- 電力電子 - 開關器件
- 線性電路元件
- 直流-直流變換器
- 電力電子 - 斬波器
- 電力電子 - 控制方法
- 諧振開關
- 直流變換器例題解析
- 逆變器
- 電力電子 - 逆變器型別
- 脈寬調製
- 逆變器例題解析
- 交流-直流變換器
- 單相交流電壓控制器
- 電力電子 - 迴圈變換器
- 積分週期控制
- 電力電子 - 矩陣變換器
- 例題解析
- 電力電子資源
- 電力電子 - 快速指南
- 電力電子 - 有用資源
- 電力電子 - 討論
電力電子 - 脈衝變換器
相控整流器
相控整流器將交流電轉換為直流電(線控換相)。換句話說,它用於將固定頻率和固定電壓的交流電轉換為可變直流電壓輸出。其表達方式為
固定輸入 - 電壓、頻率和交流電
可變輸出 - 直流電壓輸出
輸入到整流器的交流輸入電壓通常為固定有效值(均方根值)和固定頻率。整流器中包含相控閘流體確保獲得可變的直流輸出電壓。這是透過改變觸發閘流體的相位角來實現的。因此,得到負載電流的脈動波形。
在輸入電源半週期內,閘流體處於正向偏置狀態,並透過施加足夠的柵極脈衝(觸發)而導通。一旦閘流體導通,即在 ωt=α 點到 ωt=β 點,電流開始流動。當負載電流降至零時,由於線(自然)換相,閘流體關斷。
許多功率變換器都利用自然換相。這些包括 -
- 交流-直流變換器
- 交流-交流變換器
- 交流電壓控制器
- 迴圈變換器
以上功率變換器將在本教程的後續章節中進行解釋。
2 脈衝變換器
2 相脈衝變換器,也稱為 2 級脈寬調製 (PWM) 生成器,用於為基於載波的脈寬調製變換器生成脈衝。它透過利用 2 級拓撲來實現這一點。此模組控制開關器件以進行控制,例如 IGBT 和 FET,它們存在於三種類型的變換器中,即 -
- 1 臂(單相半橋)
- 2 臂(單相全橋)
- 3 臂(三相橋)
在 2 脈衝變換器中,參考輸入訊號與載波進行比較。如果參考輸入訊號大於載波,則對於上器件脈衝等於 1,對於下器件脈衝等於 0。
為了控制具有單相全橋(2 臂)的器件,需要應用單極性或雙極性脈寬調製。在單極性調製中,兩個臂中的每一個都獨立控制。透過將初始參考點偏移 180°,在內部生成第二個參考輸入訊號。
當應用雙極性 PWM 時,第二個單相全橋中下開關器件的狀態類似於第一個單相全橋器件中的上開關。使用單極性調製可以得到平滑的交流波形,而雙極性調製會導致電壓變化較小。
3 脈衝變換器
考慮一個三相 3 脈衝變換器,其中每個閘流體在電源週期的三分之一時間內處於導通模式。閘流體最早被觸發導通的時間相對於相電壓為 30°。
其工作原理使用三個閘流體和三個二極體進行解釋。當閘流體 T1、T2 和 T3 被二極體 D1、D2 和 D3 替換時,導通將在相對於相電壓 uan、ubn 和 ucn 分別為 30° 的角度開始。因此,觸發角 α 最初在相對於其對應的相電壓的 30° 處測量。
電流只能透過閘流體單向流動,這類似於功率從直流側流向交流側的功能反相模式。此外,閘流體中的電壓透過控制觸發角來控制。當 α = 0(在整流器中可能)時,實現這一點。因此,3 脈衝變換器充當逆變器和整流器。
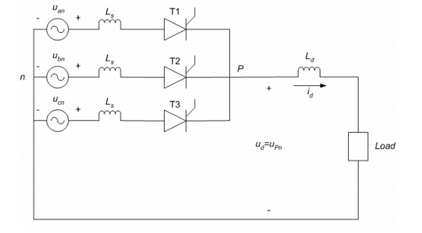
6 脈衝變換器
下圖顯示了一個連線到三相電源的六脈衝橋式可控整流器。在此變換器中,脈衝數是相數的兩倍,即p = 2m。使用相同的變換器配置,可以組合兩個六脈衝橋以獲得 12 個或更多脈衝變換器。
當換相不可用時,任何特定時間都會有兩個二極體導通。此外,為了在負載上獲得電壓降,必須將兩個二極體置於橋的相對支路。例如,二極體 3 和 6 不能同時導通。因此,跨直流負載的電壓降是來自三相電源的線電壓 VL 的組合。
需要注意的是,脈衝數越多,變換器的利用率越高。此外,脈衝數越少,變換器的利用率越低。