並聯電路:定義和示例
當電阻以一種方式連線,使得每個電阻的一端連線到一個公共點,而每個電阻的另一端連線到另一個公共點,電流流動的路徑數等於電阻數時,這被稱為並聯電路。
解釋
考慮三個電阻R1、R2和R3連線到電壓源V上,如圖所示。總電流(I)分為三部分——I1流過R1,I2流過R2,I3流過R3。可以看出,每個電阻上的電壓相同。

根據歐姆定律,每個電阻的電流由下式給出:
$$\mathrm{\mathit{I}_{1}=\frac{\mathit{V}}{\mathit{R}_{1}};\:\:\:\mathit{I}_{2}=\frac{\mathit{V}}{\mathit{R}_{2}}\:\:\:and\:\:\:I_{3}=\frac{\mathit{V}}{\mathit{R}_{3}};}$$
參考電路圖,總電流為:
$$\mathrm{\mathit{I}=\mathit{I}_{1}\:+\:\mathit{I}_{2}\:+\:\mathit{I}_{3}}$$
$$\mathrm{\Rightarrow\:\mathit{I}=\frac{\mathit{V}}{\mathit{R}_{1}}+\frac{\mathit{V}}{\mathit{R}_{2}}+\frac{\mathit{V}}{\mathit{R}_{3}}=\mathit{V}(\frac{1}{\mathit{R}_{1}}+\frac{1}{\mathit{R}_{2}}+\frac{1}{\mathit{R}_{3}})}$$
$$\mathrm{\Rightarrow\:\frac{\mathit{I}}{\mathit{V}}=(\frac{1}{\mathit{R}_{1}}+\frac{1}{\mathit{R}_{2}}+\frac{1}{\mathit{R}_{3}})}$$
$$\mathrm{∵\:\frac{\mathit{I}}{\mathit{V}}=\frac{1}{\mathit{R}_{p}}}$$
$$\mathrm{∵\:\frac{1}{\mathit{R}_{p}}=(\frac{1}{\mathit{R}_{1}}+\frac{1}{\mathit{R}_{2}}+\frac{1}{\mathit{R}_{3}})}$$
因此,當多個電阻並聯連線時,總電阻的倒數等於各個電阻倒數的和。
此外,
$$\mathrm{∵\:\frac{1}{\mathit{R}}=\mathit{G}(電導)}$$
$$\mathrm{∵\:\mathit{G}_{p}=\mathit{G}_{1}+\mathit{G}_{2}+\mathit{G}_{3}}$$
因此,並聯連線的電阻的總電導GP等於其各個電導的和。
電路中總功耗等於各個電阻功耗的總和。因此,
$$\mathrm{\frac{1}{\mathit{R}_{p}}=(\frac{1}{\mathit{R}_{1}}+\frac{1}{\mathit{R}_{2}}+\frac{1}{\mathit{R}_{3}})}$$
$$\mathrm{\Rightarrow\frac{\mathit{V}^{2}}{\mathit{R}_{p}}=\frac{\mathit{V}^{2}}{\mathit{R}_{1}}+\frac{\mathit{V}^{2}}{\mathit{R}_{2}}+\frac{\mathit{V}^{2}}{\mathit{R}_{3}}}$$
$$\mathrm{\Rightarrow\:\mathit{P}_{p}=\mathit{P}_{1}+\mathit{P}_{2}+\mathit{P}_{3}}$$
並聯電路的重要特徵
每條支路上的電壓相同。
隨著並聯支路數量的增加,電路的總電阻減小。
電路的總電阻小於最小的電阻值。
總電導等於各個電導的和。
電路的總功耗等於各個電阻功耗的和。
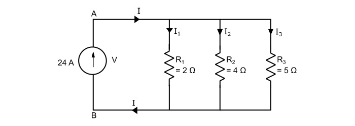
數值示例
如圖所示電路中,A點和B點之間的電位差是多少?求出三條支路的電流。

解答
三個並聯電阻的等效電阻(RP)為
$$\mathrm{\frac{1}{\mathit{R}_{p}}=\frac{1}{2}+\frac{1}{4}+\frac{1}{5}=\frac{19}{20}}$$
$$\mathrm{\Rightarrow\:{\mathit{R}_{p}}=1.053 \:Ω}$$
因此,A點和B點之間的電壓V為
$$\mathrm{\mathit{V}=I\mathit{R}_{p}=24×1.053=25.27\:伏特}$$
現在,支路電流為
$$\mathrm{電流\:\mathit{I}_{1}=\frac{\mathit{V}}{\mathit{R}_{1}}=\frac{25.27}{2}=12.64\:安培}$$
$$\mathrm{電流\:\mathit{I}_{2}=\frac{\mathit{V}}{\mathit{R}_{2}}=\frac{25.27}{4}=6.32\:安培}$$
$$\mathrm{電流\:\mathit{I}_{3}=\frac{\mathit{V}}{\mathit{R}_{3}}=\frac{25.27}{5}=5.05\:安培}$$
資料結構
網路
關係資料庫管理系統 (RDBMS)
作業系統
Java
iOS
HTML
CSS
Android
Python
C語言程式設計
C++
C#
MongoDB
MySQL
Javascript
PHP