8085 微處理器中的等待狀態生成
如今的儲存器和外圍晶片對於工作頻率為 3 MHz 的 8085 處理器來說非常快速。因此,我們不需要等待狀態。如果我們使用工作頻率為 5 MHz 的 8085AH-2,則需要在 T2 和 T3 之間插入一個等待狀態。
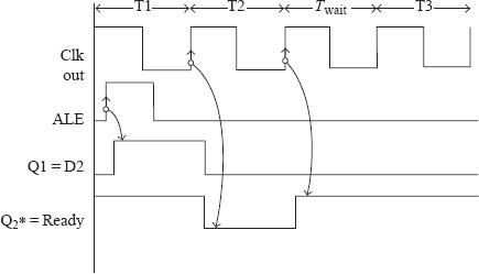
該電路由帶有活動低位重置輸入的 D 型正沿觸發器使用。在 T1 開始時,地址鎖存器使能變為非常高,並使 Q1 變高。由於 Q1 和 D2 連線,D2 在整個 T1 期間保持非常高。時鐘 T2 的正沿使 Q2* 變為 0。我們將它連線到 8085 的準備就緒輸入。因此,準備就緒輸入在整個 T2 狀態期間保持為 0。因此,在 T2 之後,8085 將進入T等待狀態而不是 T3。此外,當 Q2* 變為 0 時,Reset1* 變為 0,因此我們在整個 T2 狀態下將 Q1 輸出設為 0。T等待的正沿使 Q2* 變為 1。這樣使準備就緒輸入變為 1。

在 T2 和 T3 之間插入等待狀態的電路

指示等待狀態生成的波形
廣告
資料結構
網路
RDBMS
作業系統
Java
iOS
HTML
CSS
Android
Python
C 程式設計
C++
C#
MongoDB
MySQL
Javascript
PHP