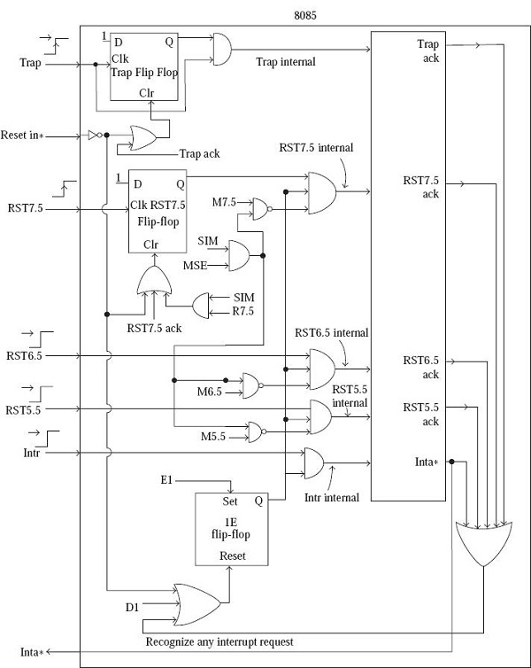
8085 中的 Reset_in* 和 Reset_out 引腳
英特爾 8085 包含一個 RESET_IN* 引腳,這根引腳是一個有效的低電平輸入引腳。我們在引腳上放置邏輯 0 至少 0.5μs,就可以透過這個引腳復位 8085,然後為 8085 的 Vcc 引腳供電。此外,在實踐中,我們在邏輯 0 狀態下放置 RESET_IN* 幾毫秒。下圖顯示了我們在 ALS 8085 套件中使用的典型復位電路。
當電源開啟時,Vcc 引腳獲得 +5V 電源,此時 RESET_IN* 引腳保持邏輯 0 狀態一段時間,該時間取決於 RC 時間常數。在下圖中的電路中,時間常數 RC 約為 50ms。因此,RESET_IN* 引腳保持邏輯 0 的時間比 0.5μs 的最小時間長。
當我們已經通電並且系統處於執行狀態時,有時我們需要復位 8085。我們不需要為 8085 關機然後開機。

當我們復位 8085 時,8085 會執行一些操作。
PC 的內容變為 0000H。
IR 的內容變為 00H。
除了 TRAP 外,所有中斷均透過復位觸發器 IE 停用。
廣告
資料結構
網路
RDBMS
作業系統
Java
iOS
HTML
CSS
Android
Python
C 程式設計
C++
C#
MongoDB
MySQL
Javascript
PHP