用同步燈法同步交流發電機
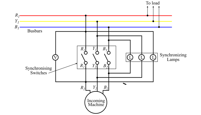
一套三盞同步燈可以用來檢查將新機與其他機器並聯的條件。圖中顯示了與同步電壓表一起使用的暗燈法。此方法用於同步低功率機器。

在這種方法中,一盞燈連線在相應的相之間,而另外兩盞燈則交叉連線在另外兩相之間,即 R1 連線到 R2,Y1 連線到 B2,B1 連線到 Y2,如圖所示。
現在,啟動新機的原動機,並將交流發電機提升到接近其額定速度。要調整新機的勵磁,直到新機的感應電壓$𝐸_{𝑅2}、𝐸_{𝑌2}、𝐸_{𝐵2}$ 等於母線電壓$𝑉_{𝑅1}、𝑉_{𝑌1}、𝑉_{𝐵1}$。
三盞燈以等於新機和母線頻率差的速率閃爍。調整新機的頻率,直到燈以非常慢的速率閃爍。
在直連燈變暗且交叉連線燈亮度相等時,即可關閉同步開關。如果相序不正確,則所有燈將同時變暗。
為了糾正相序,應互換新機線路的兩根導線。由於燈的暗區範圍跨越相當大的電壓範圍,因此電壓表 V 連線在直連燈的兩端,當電壓表讀數為零時關閉同步開關。新機現在浮在母線上,並準備作為發電機承擔負載。
暗燈法的優點
可以很容易地確定正確的相序。
這種同步方法成本較低。
暗燈法的缺點
暗燈法的缺點如下:
燈絲可能會燒壞。
燈可能在其額定電壓的一半左右變暗,因此有可能在機器與母線之間存在相當大的相位差時關閉同步開關。這可能會導致高迴圈電流損壞機器。
燈的閃爍並不指示哪臺機器的頻率更高。
廣告
資料結構
網路
關係資料庫管理系統 (RDBMS)
作業系統
Java
iOS
HTML
CSS
Android
Python
C語言程式設計
C++
C#
MongoDB
MySQL
Javascript
PHP