三繞組變壓器的短路試驗和開路試驗
短路試驗和開路試驗用於確定三繞組變壓器等效電路的引數。
短路試驗
可以透過執行以下三種短路試驗來確定參考公共基準的等效阻抗 Z1、Z2 和 Z3:

試驗 1
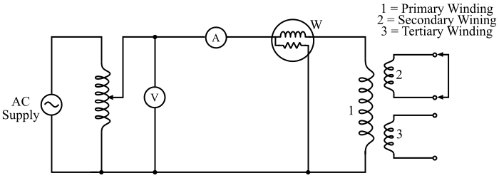
在第一次試驗中,次級繞組短路,三繞組開路,並在初級繞組施加低電壓,使次級繞組流過滿載電流(見上圖)。然後,測量初級繞組的電壓、電流和輸入功率。
設 V1、I1 和 P1 分別為電壓表、電流表和功率表的讀數。現在,如果 Z12 是初級和次級繞組在三級繞組開路時的短路阻抗,則:
$$\mathrm{等效阻抗,\:𝑍_{12} =\frac{𝑉_{1}}{𝐼_{1}}}$$
$$\mathrm{等效電阻,\:𝑅_{12} =\frac{𝑃_{1}}{{𝐼^2}_{1}}}$$
並且,
$$\mathrm{等效漏抗,\:𝑋_{12} =\sqrt{{𝑍^2}_{12} − {𝑅^2}_{12}}}$$

從等效電路可以看出,阻抗 Z12 是 Z1 和 Z2 的串聯組合,即:
$$\mathrm{𝑍_{12} = 𝑅_{12} + 𝑗𝑋_{12} = 𝑍_{1} + 𝑍_{2} … (1)}$$
試驗 2
在第二次試驗中,三繞組短路,次級繞組開路。在初級繞組施加低電壓,使三繞組流過滿載電流。如果 Z13 是初級和三繞組在次級繞組開路時的短路阻抗,則:
$$\mathrm{𝑍_{13} = 𝑍_{1} + 𝑍_{3} … (2)}$$
試驗 3
在第三次試驗中,三繞組短路,初級繞組開路。在次級繞組施加低電壓,使短路的三繞組流過滿載電流。如果 Z23 是次級和三繞組在初級繞組開路時的短路阻抗,則:
$$\mathrm{𝑍_{23} = 𝑍_{2} + 𝑍_{3} … (3)}$$
現在,根據公式 (1)、(2) 和 (3),可以得到阻抗 Z1、Z2 和 Z3(所有阻抗都應參考初級側):
$$\mathrm{𝑍_{1} =\frac{1}{2}(𝑍_{12} + 𝑍_{13} − 𝑍_{23}) … (4)}$$
$$\mathrm{𝑍_{2} =\frac{1}{2}(𝑍_{23} + 𝑍_{12} − 𝑍_{13}) … (5)}$$
$$\mathrm{𝑍_{3} =\frac{1}{2}(𝑍_{13} + 𝑍_{23} − 𝑍_{12}) … (6)}$$
其中,
$$\mathrm{𝑍_{1} = 𝑅_{1} + 𝑗𝑋_{1}; 𝑍_{2} = 𝑅_{2} + 𝑗𝑋_{2}; 𝑍_{3} = 𝑅_{3} + 𝑗𝑋_{3}}$$
注意 – 阻抗 Z12 和 Z13 參考初級側,因為儀器連線在初級側。阻抗 Z23 參考次級側。因此,它必須參考初級側,然後才能使用公式 (4)、(5) 和 (6) 計算 Z1、Z2 和 Z3。
開路試驗
三繞組變壓器的開路試驗用於確定鐵損、勵磁阻抗和匝數比。在開路試驗中,初級繞組通電,次級和三繞組開路。然後,我們得到:
$$\mathrm{初級與次級之間的電壓比,\:𝐾_{12} =\frac{𝑉_{1}}{𝑉_{2}}}$$
$$\mathrm{初級與三繞組之間的電壓比,\:𝐾_{13} =\frac{𝑉_{1}}{𝑉_{3}}}$$
$$\mathrm{次級與三繞組之間的電壓比,\:𝐾_{23} =\frac{𝑉_{2}}{𝑉_{3}}=\frac{𝑉_{2}/{𝑉_{1}}}{𝑉_{3}/{𝑉_{1}}}=\frac{𝐾_{13}}{𝐾_{12}}}$$
資料結構
網路
關係資料庫管理系統
作業系統
Java
iOS
HTML
CSS
Android
Python
C語言程式設計
C++
C#
MongoDB
MySQL
Javascript
PHP