
- 光網路有用資源
- 光網路 - 快速指南
- 光網路 - 有用資源
- 光網路 - 討論
光網路 - 快速指南
光網路 - 簡介
目前關於IP over WDM的思路,透過概述通往光資料網路的路徑,其中包括多個數據網路協議以及協議無關的光網路基礎設施,受到了挑戰。本教程討論了光資料網路中資料網路協議和網路架構的多樣性。
網際網路的普及帶來了頻寬爆炸,導致電信行業從以語音最佳化的電路交換服務轉向以資料最佳化的分組交換服務。支援“光纖直接傳輸資料”的概念,得益於消除不必要的網路層將大幅降低網路成本和複雜度的承諾。
在這種減少或摺疊網路層的觀點中,現有的TDM系統(如同步數字系列(SDH))的作用正在減弱,光傳輸網路成為由此產生的“網路的網路”的基礎傳輸基礎設施。
光網際網路
例如,光互聯論壇(OIF)定義的光網際網路工作,是一種資料最佳化的網路基礎設施,其中交換機和路由器集成了光介面,並透過光纖或光網路元件(如密集波分複用器(DWDM))直接連線。
然而,目前,IP直接在WDM上的概念只不過是巧妙偽裝的營銷手段。幾乎總是,IP over WDM是將IP資料包對映到SDH,並與基於SDH的點對點DWDM系統相結合。不需要獨立的SDH元素(通常稱為時分複用器(TDM)),但SDH仍然是資料網路裝置介面的組成部分。
對DWDM系統中SDH存在的日益依賴限制了技術創新。例如,它可能會抑制基於分組的光纖應用,例如非同步傳輸模式(ATM)、千兆乙太網(GbE)和10 GbE over DWDM。它也沒有讓我們更接近實現光傳輸網路的最終願景。
與目前對IP over WDM的看法相比,對資料/傳輸網路演進有更平衡的看法。這種平衡的觀點基於兩個基本原則:
在以差異化為主導的市場中,每個資料網路都是獨一無二的。
作為底層基礎設施“網路的網路”的光傳輸網路(OTN)應該能夠傳輸各種客戶端訊號,而與它們的格式無關。
這兩個基本原則共同構成了光資料網路概念的基礎。
融合網路
如今的基於TDM的傳輸網路旨在為主要的語音和基線服務提供可靠的效能和可靠性。成熟的技術(如SDH)已被廣泛部署,為語音和專線應用提供高容量傳輸,可擴充套件到千兆位每秒速率。SDH自愈環可在網路故障後幾十毫秒內實現服務級恢復。所有這些功能都得到完善的全球標準的支援,從而實現了高度的多廠商互操作性。
當今的網路
與當今基於TDM的傳輸網路(以及在某種程度上與ATM網路)相比,“盡力而為”的IP網路通常缺乏保證高可靠性和可預測效能的方法。大多數傳統IP網路提供的盡力而為的服務,具有不可預測的延遲、抖動和資料包丟失,這是透過統計複用實現最大鏈路利用率所付出的代價。鏈路利用率(例如,每單位頻寬的使用者數量)一直是資料網路的重要衡量指標,因為鏈路通常透過TDM傳輸網路上的租用電路承載。
鑑於資料流量固有的突發性,TDM傳輸的固定頻寬管道可能不是一個理想的有效解決方案。但是,傳統上,這種低效率的重要性不如TDM傳輸網路提供商的網路可靠性和擁塞隔離功能重要。
對高頻寬和差異化資料服務的需求激增,現在正在挑戰這種基於TDM的傳輸和盡力而為分組網路的雙重架構模型。透過過度配置網路頻寬並使網路保持輕載來擴充套件盡力而為網路的用途並不划算。
此外,由於需求增長不穩定,這種方法並非總是能夠實現或保證,並且對於對未充分利用設施的經濟約束最敏感的網路接入域來說尤其是一個問題。因此,總的來說,當今的資料服務提供商沒有網路基礎設施支援來提供客戶特定的差異化服務保證和相應的服務級別協議。
下一代網路
下一代網路架構將採用傳輸網路和增強的服務層,以經濟高效、可靠和可擴充套件的方式進行演進,它們以互補和互操作的方式協同工作。這些下一代網路將顯著提高並最大限度地共享骨幹網路基礎設施容量,併為新興的資料應用程式提供複雜的差異化服務。
傳輸網路使服務層能夠更有效地執行,使其免受物理拓撲的約束,專注於滿足服務需求這一足夠大的挑戰。因此,作為對許多服務層增強功能的補充,光傳輸網路將提供一個統一的、最佳化的、高容量、高可靠性頻寬管理層,併為具有保證質量的高容量資料服務建立所謂的“光資料網路”解決方案。
光傳輸網路:實用視角
自從WDM成功實現快速商業化以來,光網路的願景就一直吸引著研究人員和網路規劃人員的想象力。在最初的光傳輸網路願景中,一個靈活、可擴充套件和穩健的傳輸網路應運而生,滿足各種客戶端訊號不斷增長的服務需求(靈活性、可擴充套件性和生存能力以及位元率和協議獨立性)。
能夠滿足本世紀初不斷增長的頻寬需求的傳輸基礎設施的前景確實令人著迷,其中波長取代時隙成為在網路中提供可靠的高頻寬服務傳輸的媒介。但是什麼是光網路?答案多種多樣,並且實際上近年來一直在發展。早期嘗試的光網路側重於光透明性和在全球範圍內設計光透明網路。
實用解決方案
在缺乏可行的“全光”解決方案的情況下,光網路的更實用解決方案適應了光電子器件支援光訊號再生和光訊號效能監控的需求。在所謂的全光網路中,訊號完全在光域中穿過網路,沒有任何形式的光電處理。這意味著所有訊號處理——包括訊號再生、路由和波長交換——都完全在光域中進行。
由於模擬工程的侷限性(例如,在設計良好的數字系統中,限制因素是將原始模擬訊息波形轉換為數字形式的精度)以及考慮到當前全光處理技術的現狀,全球或甚至全國範圍的全光網路的概念在實踐中是無法實現的。
特別是,可能需要在光網路元件中進行光電轉換,以防止傳輸損傷的累積——這些損傷是由諸如光纖色散和非線性、非理想平坦增益放大器的級聯、光訊號串擾以及級聯非平坦濾波器的傳輸頻譜變窄等因素造成的。光電轉換還可以支援波長交換,這目前在全光域中實現起來具有挑戰性。

簡而言之,在缺乏能夠執行訊號再生以減輕損傷累積並在全光域中支援波長轉換的商用器件的情況下,在近期的實用光網路架構中應該預計某種程度的光電轉換。由此產生的光網路架構可以由光透明(或全光)子網來表徵,這些子網受功能增強的光電子器件的限制,如上圖所示。
客戶端訊號透明度
除了模擬網路工程之外,實際考慮因素將繼續決定OTN的最終實現。其中最重要的考慮因素是網路運營商希望在未來的傳輸基礎設施中實現高度的客戶端訊號透明度。
“客戶端訊號透明度”是什麼意思?具體而言,對於打算在OTN上傳輸的目標客戶端訊號集,定義了用於將這些訊號作為光通道(OCh)伺服器訊號有效載荷傳輸的單獨對映。OTN中預期的訊號包括傳統的SDH和PDH訊號,以及基於分組的流量,如網際網路協議(IP)、ATM、GbE和簡單資料鏈路(SDL)。一旦客戶端訊號在OTN的入口處對映到其OCh伺服器訊號,部署此類網路的運營商就不需要詳細瞭解(或訪問)客戶端訊號,直到它在網路出口處被解對映。
光網路入口和出口點應界定OTN客戶端訊號透明度的範圍。因此,實現客戶端訊號透明度的最重要因素是在OTN入口和出口點之間消除所有特定於客戶端的裝置和處理。幸運的是,更容易在入口/出口處接受依賴於客戶端的裝置,因為它通常是按服務進行專門分配的。
透過數字封裝實現光傳輸網路
DWDM技術的廣泛使用給服務提供商帶來了一個新的挑戰:如何以經濟高效的方式管理不斷增加的波長數量,以便為最終客戶提供快速可靠的服務。有效地管理波長或OCh,需要光網路支援每個波長或OCh級別的操作、管理和維護(OAM)功能。
ITU(T) 建議G872定義了以開銷形式實現的OCh級OAM的一些功能,但沒有指定如何承載此開銷。到目前為止,支援訊號再生以及監控、分析和管理OCh(波長)的唯一可行方法是依靠整個網路中的SDH訊號和裝置。這要求WDM系統中每個波長上的訊號都採用SDH格式。
光通道(波長)
利用DWDM系統中現有的光電再生點,使用數字封裝技術的概念將提供類似於SDH的功能和可靠性,但適用於任何客戶端訊號,使我們更接近實現光傳輸網路的最初願景。
數字封裝技術提供了ITU(T) 建議G.872中概述的網路管理功能,以支援OTN。這些功能包括光層效能監控、前向糾錯(FEC)以及每個波長的環保護和網路恢復,所有這些都獨立於輸入訊號格式,如以下圖所示。

最近提出了在每個“圍繞”OCh客戶端的數字(或TDM)封裝中使用該概念來支援通道相關的OCh開銷,並且實際上已被採用作為OCh定義的基礎。此方案將利用OCh再生需求來增加OCh客戶端的額外容量。當然,一旦我們有了以數字方式向OCh客戶端訊號新增開銷的方法,就可以利用它來支援所有OCh級OAM要求。
特別是,數字新增的開銷使得解決OTN的主要效能監控問題變得非常容易,即以獨立於客戶端的方式訪問位元差錯率(BER)。並且,透過可選地使用FEC,數字封裝方法可以顯著增強客戶端訊號的BER效能,進一步減少對光電轉換的需求。
增強傳輸網路效能的一種方法是使用FEC,目前一些裝置中已提供該功能。因此,數字封裝技術的額外優勢是可以選擇性地支援FEC以增強系統裕度。
OCh幀結構
從功能上講,OCh有效載荷和OAM應該與FEC機制分離。這使得能夠在整個網路中端到端傳輸有效載荷和OAM,同時在不同的鏈路上使用不同的FEC方案。一個明顯的例子是海底和陸地鏈路之間的切換。在海底鏈路中,正在研究下一代系統的新FEC碼。
下圖說明了所提出的OCh基本幀結構,以及OCh幀結構中可能承載的各種功能型別。雖然有人可能會認為此提議與全光網路的長期目標不一致,但我們不應期望再生需求會消失。
再生點之間的距離將繼續增加;但是,在訊號切換點進行再生的需求將仍然存在。結合使用光監督通道(OSC)來管理光透明子網內的OCh,數字封裝將支援在國家或全球OTN中對OCh(波長)進行端到端管理。

3R再生(整形、定時和再生)是透過光電轉換和反向轉換實現的,數字封裝方案利用了這一點。如果全光3R再生可用,情況會發生變化嗎?如果全光再生能夠新增開銷,則論點不變;只有再生器的實現方式會發生變化。
如果光再生器無法新增開銷,則OCh開銷的需求不會消失;光再生器只會增加光電再生點之間的潛在距離,並且數字封裝將透明地透過它們。數字封裝的使用對光傳輸網路演進的影響可能是深遠的,尤其是在資料網路趨勢的背景下。
協議棧選擇
IP協議顯然是當今資料通訊網路中的融合層,可以預見,它將在未來幾年將其作用擴充套件到多業務網路。IP可以透過各種資料鏈路層協議和底層網路基礎設施傳輸。下圖顯示了一些將IP對映到WDM網路基礎設施的可能的協議棧或對映關係。
什麼是IP over WDM?
下圖中標記為a、b和d的協議棧是當今最常用的。它們使用經典的IP over ATM over SDH對映(如圖a所示);分組在SDH上(POS,如圖b所示);或經典且經過良好擴充套件的IP over乙太網(如圖d所示)。情況(e)和(f)使用簡單資料鏈路(SDL),這是一種最近提出的作為POS替代方案的新資料鏈路層。標記為(c)的協議棧是情況(a)的替代方案,其中消除了中間SDH層,並執行了ATM信元到WDM的直接對映。

這些不同的協議棧在頻寬開銷、速率可擴充套件性、流量管理和QoS方面提供了不同的功能。聲稱任何一種特定的對映都代表IP over WDM是極其不誠實的。
資料鏈路層協議的多樣性和IP到不同底層網路基礎設施的對映是IP的主要優勢之一,並且這種特性不會消失。相反,很有可能提出新的、創新的和更高效的協議對映來傳輸IP資料包。對於低頻寬和低可靠性網路,這種情況已經存在,對於高頻寬和高可靠性的光網路也將如此。這種觀點也符合“萬物皆IP,IP無處不在”的願景。
光資料網路
今天定義的IP over WDM對資料網路和光網路可以提供的功能施加了限制性觀點。由單個協議棧引入的約束,而不是充分利用光層網路功能的約束,對於某些網路應用來說是非常嚴格的。
上面提到的網路趨勢需要一個光網路平臺,該平臺能夠以獨立於客戶端訊號的方式支援各種協議棧、網路架構以及保護和恢復選項。對於高速資料網路中的一些網路應用,點對點WDM上的POS選擇是最佳的,但肯定不是全部。此外,用於實施和部署這些未來資料網路的光平臺必須確保可以輕鬆地適應新的、意外的協議棧對映,並且它們可以從光層網路獲得相同的功能,而無需進行中間協議轉換。

光資料網路是一種替代方法,它不試圖減少協議棧和網路架構的異構性,而是利用異構性為每個特定的應用和網路提供商細分市場提供量身定製的網路解決方案。光資料網路結合了服務層和傳輸層的功能。
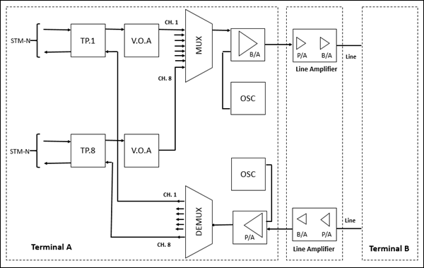
光資料網路的主要組成部分
透過使用數字封裝來適應協議棧的多樣性,這體現在OTN中需要支援的多種客戶端訊號型別上。透過OCh路由、故障和效能監控、保護和恢復等功能,真正的光網路功能提供了額外的靈活性和魯棒性,所有這些功能都可以在每個OCh的基礎上選擇性地執行。所有這些元素的結合形成了一種功能強大且靈活的網路解決方案,該解決方案面向未來且對資料服務提供商的任何特定願景開放。
這項技術對於升級通道容量、新增/刪除通道、重新路由和流量分配、支援所有型別的網路拓撲和保護系統以及同步而言,具有成本效益且更靈活。以下是主要元件:
- TP(轉發器)
- VOA(可變光衰減器)
- MUX(複用器)
- DEMUX(解複用器)
- BA(放大器)
- 線路(OFC介質)
- LA(線路放大器)
- PA(前置放大器)
- OSC(光監督通道)
轉發器
此單元是STM-n寬脈衝光訊號與MUX/DEMUX裝置之間的介面。此光訊號可以位於同一位置,也可以來自不同的物理介質、不同的協議和流量型別。它將寬脈衝訊號轉換為奈米級(nm)數量級的窄波長(點或彩色頻率),間距為1.6 nm;傳送到MUX。

在反方向上,DEMUX的彩色輸出轉換為寬脈衝光訊號。兩個方向的輸出功率電平為+1至-3 dBm。轉換在2R或3R方法中是光電和電光(O到E和E到O)。
在2R中,執行再生和整形,而在3R中,執行再生、整形和定時。TP可以依賴於波長顏色和位元率,也可以對兩者進行調諧(成本高且未使用)。但是,在2R中,任何位元率、PDH、STM-4或STM-16都可以作為通道速率。該單元在接收機靈敏度和過載點方面存在限制。

儘管無法訪問中間電氣階段,但STN-n的開銷位元組用於監控目的。此單元還支援基於ITU-T建議G.957的光學安全操作(ALS)。
可變光衰減器(VOA)
這是一種無源網路,例如預加重,需要調整以在EDFA頻帶上實現訊號電平的均勻分佈,以便Mux單元的各個通道光輸出功率保持相同,而不管系統中載入的通道數量如何。
光衰減器類似於用於降低訊號電平的簡單電位器或電路。當必須執行效能測試時,例如,檢視位元錯誤如何受鏈路中訊號電平變化的影響時,會使用衰減器。一種方法是在光訊號透過具有不同暗度程度的玻璃板然後返回光纖的精確機械設定中,如圖所示。
玻璃板具有從一端0%到另一端100%的灰度密度。當板材穿過間隙移動時,允許透過或多或少的能量。這種型別的衰減器非常精確,可以處理任何光波長(因為無論波長如何,板材都會以相同的量衰減任何光能),但機械成本很高。
複用器(MUX)和解複用器(De-MUX)
由於DWDM系統透過一根光纖傳送來自多個站點的訊號,因此它們必須包括某種方式來合併傳入的訊號。這是藉助複用器完成的,複用器接收來自多根光纖的光波長並將它們匯聚成一束光束。在接收端,系統必須能夠分離出光束的傳輸波長,以便能夠對其進行單獨檢測。

解複用器透過將接收到的光束分離成其波長分量並將它們耦合到各個光纖中來執行此功能。

複用器和解複用器在設計上可以是無源的或有源的。無源設計使用稜鏡、衍射光柵或濾波器,而有源設計將無源器件與可調諧濾波器結合使用。
這些器件的主要挑戰是最小化串擾並最大化通道分離(兩個相鄰通道之間的波長差)。串擾是衡量通道分離程度的指標,而通道分離是指區分每個波長的能力。
複用器/解複用器的型別
稜鏡型
可以使用稜鏡對波長進行簡單的複用或解複用。
一束平行多色光入射到稜鏡表面,每個分量波長都會發生不同的折射。這就是彩虹效應。在輸出光中,每個波長與下一個波長之間都存在一定角度的分離。然後,透鏡將每個波長聚焦到需要進入光纖的位置。這些元件可以反向使用,將不同的波長複用到一根光纖上。
衍射光柵型
另一種技術基於衍射和光學干涉原理。當多色光源入射到衍射光柵上時,每個波長都會在不同的角度發生衍射,因此會到達空間中的不同點。使用透鏡,這些波長可以聚焦到各個光纖上,如下圖所示。布拉格光柵是一種簡單的無源元件,可用作波長選擇性反射鏡,並廣泛用於DWDM系統中新增和刪除通道。

布拉格光柵是透過使用紫外雷射束照射透過相位掩模的單模光纖纖芯製成的。光纖摻雜磷、鍺或硼以使其具有光敏性。光透過掩模後,會產生干涉條紋,並被“列印”到光纖上。這會在光纖纖芯玻璃中產生永久性的折射率週期性調製。成品光柵在布拉格波長處反射光(等於高折射率區域和低折射率區域之間光學間距的兩倍),並透射所有其他波長。
可調諧布拉格光柵
布拉格光纖光柵可以粘合到壓電元件上。透過在元件上施加電壓,元件會伸展,從而使光柵伸展,布拉格波長移向更長的波長。目前的器件可以在 150V 的輸入電壓下提供 2nm 的調諧範圍。
陣列波導光柵
陣列波導光柵 (AWG) 也基於衍射原理。AWG 器件,有時稱為光波導路由器或波導光柵路由器,由一系列彎曲的通道波導組成,相鄰通道之間的路徑長度存在固定差值。波導連線到輸入和輸出處的腔體。
光復用器
當光進入輸入腔體時,它會發生衍射並進入波導陣列。因此,每個波導的光程差會在輸出腔體中引入相位延遲,在那裡耦合一系列光纖。該過程導致不同的波長在不同的位置產生最大幹涉,對應於輸出埠。
多層干涉濾光片
另一種技術在稱為薄膜濾光片或多層干涉濾光片的器件中使用干涉濾光片。透過將由薄膜組成的濾光片放置在光路中,可以進行波長解複用。每個濾光片的特性使其透射一個波長,同時反射其他波長。透過級聯這些器件,可以解複用許多波長。
濾光片具有良好的穩定性和通道之間的隔離度,成本適中,但插入損耗較高(AWG 具有平坦的光譜響應和低插入損耗)。濾光片的主要缺點是它們對溫度敏感,可能無法在所有環境中實際使用。但是,它們的最大優點是可以設計成同時執行復用和解複用操作。
OM 的耦合型別
耦合 OM 是一種表面互動式器件,將兩根或多根光纖焊接在一起。通常,它用於 OM,其工作原理如下圖所示。

耦合 OM 只能以低製造成本執行復用功能。其缺點是插入損耗高。目前,ZTWE 的 DWDM 裝置中使用的 OM 採用耦合 OM。OD 採用 AWG 元件。
放大器(光放大器)
由於衰減,光纖段能夠在訊號完整性保持的情況下傳播訊號的距離是有限的,在訊號需要再生之前。在光放大器 (OA) 出現之前,必須為每個傳輸的訊號配備一箇中繼器。OA 使得能夠同時放大所有波長,而無需進行光電光 (OEO) 轉換。除了用於光鏈路(作為中繼器)外,光放大器還可用於在複用之後或解複用之前增強訊號功率。
光放大器的型別
在每條光路上,光放大器都以單工模式用作中繼器。一根光纖用於傳送路徑,另一根光纖用於返回路徑。最新的光放大器將能夠同時雙向工作。我們甚至可以在兩個方向上使用相同的波長,前提是採用兩種不同的位元率。因此,一根光纖可以用於雙工操作。
光放大器還必須具有足夠的頻寬才能透過一系列在不同波長上執行的訊號。例如,光譜頻寬為 40nm 的 SLA 可以處理大約十個光訊號。
在 565 mb/s 系統中,對於 500 公里的光鏈路,需要五個 SLA 光放大器,間隔 83 公里。每個放大器提供大約 12 dB 的增益,但也給系統引入噪聲(誤位元速率為 10-9)。
SLA 放大器具有以下缺點:
- 對溫度變化敏感
- 對電源電壓變化敏感
- 對機械振動敏感
- 不可靠
- 易於產生串擾
摻鉺光纖放大器 (EDFA)
在 DWDM 系統中,使用 EDFA。鉺是一種稀土元素,當被激發時,會在 1.54 微米左右發出光,這是 DWDM 中使用的光纖的低損耗波長。一個弱訊號進入摻鉺光纖,使用泵浦雷射將 980nm 或 1480nm 的光注入其中。
注入的光激發鉺原子釋放其儲存的能量作為額外的 1550nm 光。訊號增強。EDFA 中的自發輻射也會增加 EDFA 的噪聲係數。EDFA 的典型頻寬為 100nm,需要在光路沿線每隔 80-120 公里設定一個。
EDFA 還受到稱為四波混頻的影響,這是由於相鄰通道之間的非線性相互作用引起的。因此,增加放大器功率以增加中繼器之間的距離會導致更多的串擾。
拉曼放大器
如前所述,SLA 和 EDFA 放大器在 WDM 中的應用受到限制,現代 WDM 系統正轉向拉曼放大,其頻寬約為 300nm。在這裡,泵浦雷射位於光纖的接收端。串擾和噪聲大大降低。但是,拉曼放大需要使用高功率泵浦雷射。
光纖中的色散實際上有助於最小化“四波混頻”效應。不幸的是,早期的光鏈路經常使用零色散光纖,以努力最大程度地減少長距離的色散,當這些相同的纖維升級為承載 WDM 訊號時,它們並不是寬頻光訊號的理想介質。
正在開發用於 WDM 的特殊單模光纖。這些光纖具有正色散光纖和負色散光纖交替的段,因此,總色散加起來為零。但是,各個段提供色散以防止四波混頻。
線路放大器
它是一個兩級 EDFA 放大器,由前置放大器 (PA) 和放大器 (BA) 組成。如果沒有這兩個階段,就不可能將訊號放大到 33 dB(根據 EDFA 原理,以避免自發發射產生的噪聲)。線路放大器 (LA) 分別補償長途和超長途系統的 22 dB 或 33 dB 的線路損耗。它完全是一個光學級器件。
線路 (OFC) 介質
這是 DWDM 訊號傳輸的光纖介質。衰減和色散是決定傳輸距離、位元率容量等的主要限制因素。通常,將 22dB 和 33dB 分別作為長途和超長途系統的跳躍長度線路損耗。
超長途線路波長可以在沒有中繼器 (LA) 的情況下達到 120 公里。但是,透過級聯多箇中繼器,長度可以達到 600 公里,使用色散補償模組可以進一步增加到 1200 公里。超過這樣的距離,需要在電氣級進行再生,而不是僅在光學級進行中繼。
前置放大器 (PA)
此放大器單獨用於終端,用於連線解複用器和線路,以接收來自遠端站點的訊號。因此,衰減的線路訊號在進入解複用器單元之前被放大到 +3 dBm 到 10 dBm 的水平。
光監視通道
OSC 執行在單獨波長(根據 ITU-T 建議 G-692 為 1480nm)上傳輸附加資料(2mbps:EOW、使用者特定資料等透過介面)的功能,其光學電平較低,沒有任何光學安全措施,並伴隨且獨立於主 STM-n 光通訊訊號。用於選擇性和匯流排通道的 EOW(0.3 到 3.4 KHz)為 8 位 PCM 程式碼的 64 kbps。
光監視通道 (OSC) 有助於控制和監視光線路裝置以及使用 LCT 實現故障定位、配置、效能和安全管理。
光網路 - 裝置
在本章中,我們將討論光器件的各種元件。
隔離器
隔離器是一種非互易器件,允許光沿一個方向透過光纖,並在相反方向提供非常高的衰減。光系統需要隔離器來防止不希望的反射回光纖並擾亂雷射的執行(產生噪聲)。在製造隔離器時,使用法拉第效應,它是偏振相關的。

隔離器由光偏振器、分析器和法拉第旋轉器構成。光訊號透過與入射偏振態平行的偏振器。法拉第旋轉器將光訊號的偏振旋轉 45 度。
然後,訊號透過分析器,該分析器相對於輸入偏振器以 45 度角定向。隔離器使光訊號從左到右透過,並將其偏振改變 45 度,併產生約 2 dB 的損耗。
環行器
環行器是微光學器件,可以與任意數量的埠一起使用,但是,通常使用 3 埠/4 埠環行器。它具有相對較低的埠到埠損耗,為 0.5 dB 到 1.5 dB。

上圖顯示了環行器的基本功能。進入任何特定埠(例如埠 1)的光沿著環行器傳播並在下一個埠(例如埠 2)處退出。進入埠 2 的光從埠 3 離開,依此類推。該器件圍繞圓形對稱執行。環行器是微光學器件,可以製造任意數量的埠。但是,3 埠和 4 埠環行器非常常見。環行器的損耗非常低。典型的埠到埠損耗約為 0.5 到 1.5 db。
分束器和耦合器
耦合器和分束器用於組合光訊號和/或分光訊號。絕大多數單模光耦合器採用諧振耦合原理。兩個 SM 光纖纖芯平行放置並彼此靠近。光功率透過電磁波感應從一個纖芯傳輸到另一個纖芯,然後再返回。功率耦合取決於耦合段的長度。
三個重要特性是:
回波損耗 - 反射和損失的功率量。
插入損耗 - 訊號在透過器件的總傳輸過程中損失的量。
過量損耗 - 器件除理論損耗外的額外損耗。
耦合器的型別
- Y 型耦合器
- 星型耦合器
- 熔接光纖
- 混合板
- 平面(自由空間)
- 3 dB耦合器
- 分束器
濾波器
濾波器用於從多個訊號中選擇透射路徑和接收器中的訊號。光柵是濾波器。開關、調製器、AWG、複用器等都被認為是濾波器的型別。
以下是濾波器的型別:
- 法布里-珀羅
- 可調諧濾波器
- 光纖布拉格光柵濾波器
濾波器用於LED前面,以在傳輸前縮小線寬。濾波器在WDM網路中非常有用,因為:
放置在非相干接收器前面的濾波器可用於從多個到達的訊號中選擇特定訊號。
提出的WDM網路使用濾波器來控制訊號將透過網路的哪條路徑。
光纖布拉格光柵是通訊領域中最重要的光學濾波器。

調製器
調製器由一種材料組成,該材料在電場或磁場的影響下會改變其光學特性。一般來說,使用三種方法:
- 電光和磁光效應
- 電吸收效應
- 聲光調製器
由於機械振動,材料的折射率發生變化。聲光調製器使用非常高頻的聲音。透過控制聲音的強度,我們可以控制偏轉的光量,從而構建調製器。
以下是一些優點:
它們可以處理相當高的功率。
折射的光量與聲波的強度成線性正比。
它們可以同時調製不同的波長。
光ADM
光學濾波器用於從到達光纖上的多個波長中隔離或去除所需的波長。一旦波長被去除,另一個使用相同波長的通道就可以新增到光纖上,因為它離開OADM。
一個簡單的ADM只有4個輸入和輸出通道,每個通道有4個波長。在OADM中,波長可能會被放大、均衡或進一步處理。OADM使用光交叉連線將波長從輸入光纖排列到輸出光纖。

光交叉連線
光交叉連線可以接收4根輸入光纖,每根光纖承載4個波長,並將16個波長重新排列到4根輸出光纖上。OXC內部的一個簡單的轉發器會將其中一個波長切換到可用的通道。

單跳和多跳網路
電信流量繼續以非常快的速度增長。這加速了資料和移動流量的增長,特別是在印度,由於最近電信市場的開放。可以採用一種解決方案來滿足不斷增長的流量需求,該解決方案基於WDM、SDH和IP傳輸技術的組合。
波分複用用於在單根光纖上覆用多個波長通道,從而克服光纖擁塞。SDH技術提供了客戶今天所需的容量粒度,並提供了保護這些服務免受網路中斷的可能性。基於IP的WDM傳輸網路可以為網際網路服務提供商(ISP)提供高容量的網際網路中轉服務。
同步數字體系
同步數字體系(SDH)網路取代了PDH,並具有若干關鍵優勢。
G.707、G.708和G.709 ITU建議為全球網路提供了基礎。
網路受益於流量彈性,以最大程度地減少光纖斷裂或裝置故障時發生的流量損失。
內建監控技術允許遠端配置和故障排除網路。
靈活的技術允許在任何級別訪問支路。
面向未來的技術允許隨著技術的進步實現更快的位元率。

歐洲PDH網路無法與美國網路介面,SDH網路可以承載這兩種型別的網路。上圖顯示了不同的PDH網路如何比較以及哪些訊號可以跨SDH網路傳輸。
SDH - 網路拓撲
線路系統是PDH網路拓撲的系統。流量僅在網路的端點新增和刪除。終端節點用於網路的末端以新增和刪除流量。
線路系統

在任何SDH網路中,都可以使用稱為**再生器**的節點。此節點接收高階SDH訊號並重新傳輸。再生器無法訪問低階流量,它們僅用於覆蓋站點之間的長距離,在這些距離上,接收到的功率太低而無法承載流量。
環形系統
環形系統由多個加/減複用器(ADM)組成,這些複用器以環形配置連線。可以在環路中的任何ADM處訪問流量,並且還可以將流量刪除到多個節點以進行廣播。環形網路具有提供流量彈性的優點,如果光纖斷裂,流量不會丟失。網路彈性將在後續章節中詳細討論。

SDH網路同步
雖然PDH網路沒有集中同步,但SDH網路是同步的(因此,名稱為同步數字體系)。運營商網路的某個地方將是主要參考源。此源透過SDH網路或單獨的同步網路分發到整個網路。

如果主源不可用,每個節點都可以切換到備用源。定義了各種質量級別,節點將切換到它可以找到的下一個最佳質量源。在節點使用傳入線路定時的情況下,MS開銷中的S1位元組用於表示源的質量。
節點可用的最低質量源通常是其內部振盪器。如果節點切換到自己的內部時鐘源,則應儘快解決此問題,因為節點可能會隨著時間的推移開始生成錯誤。
網路的同步策略必須仔細計劃。如果網路中的所有節點都嘗試從同一側的鄰居進行同步,則會出現稱為**定時環路**的效果,如上圖所示。由於每個節點都嘗試相互同步,因此此網路將很快開始生成錯誤。
SDH層次結構
下圖顯示了有效載荷是如何構建的,它並不像乍一看那樣可怕。

光網路 - WDM 技術
WDM是一種使各種光訊號能夠透過一根光纖傳輸的技術。其原理與頻分複用(FDM)基本相同。也就是說,幾個訊號使用不同的載波傳輸,佔據頻譜的非重疊部分。在WDM的情況下,使用的頻譜帶在1300 nm或1550 nm區域,這兩個波長視窗是光纖訊號損耗非常低的地方。
最初,每個視窗用於傳輸單個數字訊號。隨著分散式反饋(DFB)雷射器、摻鉺光纖放大器(EDFA)和光電探測器等光學元件的進步,人們很快意識到,每個傳輸視窗實際上都可以被多個光訊號使用,每個訊號佔據總波長視窗的一小部分。
實際上,複用在一個視窗內的光訊號數量僅受這些元件精度的限制。憑藉當前的技術,可以將超過100個光通道複用到一根光纖中。然後該技術被稱為密集波分複用(DWDM)。
長途WDM
1995年,美國的長途運營商開始部署點對點WDM傳輸系統,以提高其網路的容量,同時利用其現有的光纖基礎設施。從那時起,WDM也席捲了長途市場。WDM技術可以應對不斷增長的容量需求,同時推遲光纖的耗盡並提高容量升級的靈活性。
然而,最主要的驅動因素是與競爭解決方案(如空間分複用(SDM)或增強型時分複用(TDM))相比,WDM解決方案的成本優勢,以升級網路容量。“開放式”WDM解決方案(在下圖中說明)利用了WDM終端複用器(TM)中的轉發器以及多個波長通道共享的內聯光放大器。
轉發器本質上是一個3R光電光(O/E/O)轉換器,它將符合G.957標準的光訊號轉換為適當的波長通道(反之亦然),同時在電氣上重新供電、重塑和重新定時訊號。SDM解決方案並行使用多對光纖,每對光纖都配備了SDH再生器,而不是多個波長共享相同的內聯光放大器。升級到更高的TDM速率(例如,從2.5 Gb/s STM-16到10 Gb/s STM-64)只是一個短期解決方案,因為色散等傳輸損傷不會隨著TDM速率的提高而很好地擴充套件,尤其是在標準單模光纖上。

一項案例研究表明,即使對於低至三個STM-16通道,長途點對點WDM系統也顯然比SDM更具成本效益。上圖說明了傳輸網路初始核心(包含5000光纖公里,兩個接入城市之間的平均距離為300公里)的兩個鏈路成本比較。請注意,上圖中100%的成本參考點對應於部署一個STM-16通道的成本,包括光纖成本。從上圖可以得出兩個結論。
如以下圖所示,如果僅考慮傳輸和再生裝置成本(即SDM情況下的SDH再生器以及WDM情況下的帶轉發器的WDM TM和內聯光放大器),則使用WDM技術的初始鏈路成本是SDH的兩倍多。但是,由於共享使用內聯光放大器,因此對於在網路中部署三個或更多通道,WDM解決方案更具成本效益。

如以下圖所示,如果除了上述考慮之外,還考慮了光纖成本,則WDM情況的成本優勢變得更加明顯,並且隨著通道數量的增加而放大。對於在網路中部署三個或更多通道,WDM解決方案更具成本效益。

短途WDM
由於短途網路的距離有限,因此不需要再生器,並且光學損傷的影響較小,因此WDM的優勢不如SDM或增強型TDM解決方案明顯。但是,光纖耗盡和低成本光學元件現在正在推動WDM進入都會網路。
短途應用與同一城市內多個接入點(POP)的互連有關。讓我們考慮一個示例。下圖顯示了傳輸網路在每個城市至少有兩個POP,客戶可以在其中互連。使用雙節點互連技術(例如下接和繼續),客戶網路可以透過兩個不同的POP與傳輸網路互連。
這導致了一個非常安全的架構,即使在POP發生故障的情況下,也不會對流量產生任何影響。因此,城市中兩個POP之間的流量不僅包括透過該城市傳輸的流量,還包括在該城市終止並使用下接和繼續進行保護的流量。這些增加的城市內部容量需求導致在傳輸網路的短途部分部署了WDM。

WDM 比 SDM 更受歡迎的主要原因是,城市中的光纖必須從第三方租賃,或者必須建設光纖網路。租賃或建設城市光纖不僅是一個昂貴的過程,而且也是一種不太靈活的容量升級方法。在流量分佈和流量規模快速變化的動態環境中,很難提前預測需要租賃或建設的光纖數量。因此,使用 WDM 技術具有明顯的靈活性優勢,因為波長通道可以在很短的時間內啟用。
雖然世界上有一些特定的短距離 WDM 系統,但對於其長距離網路來說,使用相同型別的 WDM 系統是有利的。雖然短距離 WDM 系統比其長距離對應系統更便宜,並且由於其低成本的光學元件可以被使用,但它們會導致異構網路,由於多種原因,這並不是首選。首先,使用兩種不同的系統會導致運營和管理成本增加。例如,異構網路需要比同構網路更多的備用裝置部件。其次,兩個不同系統之間的互操作可能會帶來問題。例如,可能會出現瓶頸,因為短距離 WDM 系統通常支援的波長數量少於長距離 WDM 系統。
光傳輸網路架構
光傳輸網路 (OTN),如下圖所示,代表了傳輸網路演進的自然下一步。從高階架構的角度來看,人們不會期望 OTN 架構與 SDH 架構有很大差異。然而,SDH 涉及數字網路工程,而 OTN 涉及模擬網路工程,這一事實導致了一些重要的,即使是細微的差異。探索這些差異使我們能夠理解 OTN 的哪些方面可能與其 SDH 對應部分不同。

不斷發展的 WDM OTN 架構(包括網路拓撲和生存能力方案)將與 SDH TDM 網路的架構非常相似,甚至可以映象。然而,這應該令人驚訝,因為 SDH 和 OTN 都是面向連線的多路複用網路。主要區別在於複用技術的形式:SDH 的數字 TDM 與 OTN 的模擬 WDM。
數字與模擬的區別對 OTN 網路和系統設計的許多方面的基本成本/效能權衡產生了深遠的影響。特別是,與模擬網路工程相關的複雜性和維護影響構成了與 OTN 相關的大多數挑戰。
為了滿足對容量增長的短期需求,WDM 點對點線路系統將繼續大規模部署。隨著波長數量和終端之間距離的增加,在中間站點新增和/或刪除波長的需求也越來越大。因此,靈活的可重構光 ADM (OADM) 將成為 WDM 網路不可或缺的組成部分。
隨著越來越多的波長在運營商網路中部署,將越來越需要在光通道級別管理網路之間的容量和切換訊號。與 DXC 在電層管理容量的方式大致相同,光交叉連線 (OXC) 將在光層管理容量。
最初,對光層頻寬管理的需求在核心傳輸網路環境中將最為迫切。在這裡,基於邏輯網狀的連線將透過物理拓撲得到支援,包括基於 OADM 的共享保護環和基於 OXC 的網狀恢復架構。選擇將取決於服務提供商所需的頻寬“過度構建”程度和生存能力時間尺度要求。
隨著類似的頻寬管理需求出現在都會網路互連辦公室和接入環境中,基於 OADM 環的解決方案也將針對這些應用進行最佳化:用於網狀需求的光共享保護環,以及用於集中式需求的光專用保護環。因此,正如 OA 是 WDM 點對點線路系統出現的技術推動者一樣,OADM 和 OXC 將成為 OTN 出現的推動者。
隨著光網路元件承擔傳統上由 SDH 裝置提供的傳輸層功能,光傳輸層將成為能夠支援傳統和融合分組核心網路訊號格式的統一傳輸層。當然,服務提供商向 OTN 的遷移將取決於“類似 SDH”的傳輸層功能向光層的轉移,以及為新興的光傳輸層開發維護理念和相關的網路維護功能。
生存能力是光網路作為統一傳輸基礎設施的作用的核心。與許多其他架構方面一樣,光網路生存能力將在很大程度上與 SDH 生存能力相似,因為網路拓撲和網路元素型別非常相似。在光層內,生存能力機制將繼續提供從光纖斷裂和其他物理介質故障中恢復的最快可能速度,並提供高效靈活的保護容量管理。
OTN 在概念上類似於 SDH,因為定義了反映客戶機-伺服器關係的子層。由於 OTN 和 SDH 都是面向連線的多路複用網路,因此它們的恢復和保護方案非常相似並不奇怪。細微但重要的區別值得重複:TDM 網路基於數字時隙操作,而 OTN/WDM 網路基於模擬頻率時隙或光通道(波長)操作。因此,雖然我們可能期望兩種技術都能實現類似的保護和恢復架構,但可能需要在任何特定生存能力方案中考慮的網路故障型別可能大不相同。
光層生存能力
電信網路需要為其客戶提供可靠的不間斷服務。整體可用性要求約為 99.999% 或更高,這意味著網路平均每年不能停機超過 6 分鐘。因此,網路生存能力是影響這些網路設計和運營的主要因素。需要設計網路以處理鏈路或光纖斷裂以及裝置故障。

網路可以被視為由許多相互操作的層組成,如上圖所示。不同的運營商選擇不同的方式來實現他們的網路,使用不同的分層策略組合。現有的運營商利用其大量的 SDH 裝置安裝基礎和數字交叉連線廣泛的整理和監控功能。
相比之下,提供基於網際網路協議 (IP) 的服務的運營商尋求使用 IP 作為基本傳輸層,而無需使用 SDH,從而擁有簡化的網路基礎設施。根據服務質量 (QOS)(和多樣性)來區分自己的運營商可以使用 ATM 作為其傳輸技術。在這些層之下是新興的光 WDM 層,或光層。
光層為較高的層提供光路徑,這些層可以被視為利用光層提供的服務的客戶端層。光路徑是電路交換管道,以相當高的位元率(例如,2.5 Gb/s 或 10 Gb/s)傳輸流量。這些光路徑通常被設定為互連客戶端層裝置,例如 SDH ADM、IP 路由器或 ATM 交換機。一旦設定好,它們就會隨著時間的推移保持相對靜態。

光層由光線路終端 (OLT)、光 ADM (OADM) 和光交叉連線 (OXC) 組成,如下圖所示。OLT 將多個通道複用到單個光纖或光纖對中。OADM 從聚合 WDM 流中刪除和新增少量通道。OXC 在高流量節點位置切換和管理大量通道。

我們從服務的角度來看光層保護,從光層需要為上層提供的服務型別方面來看。然後,我們根據必須支援的服務組合,比較不同光層保護方案在成本和頻寬效率方面的差異。這有點不同,它傾向於將光層保護視為類似於 SDH 層保護。
為什麼需要光層保護?
上圖所示的 IP、ATM 和 SDH 層都包含保護和恢復技術。雖然這些層都設計為與其他層一起工作,但它們也可以直接在光纖上執行,因此不依賴於其他層來處理保護和恢復功能。因此,這些層中的每一層都包含其自己的保護和恢復功能。因此,問題就出現了,為什麼我們需要光層提供自己的一套保護和恢復機制。以下是其中一些原因 -
光層之上的一些層可能無法完全提供網路所需的所有保護功能。例如,SDH 層旨在提供全面的保護,因此不會依賴於光層保護。但是,其他層(IP 或 ATM)中的保護技術本身可能不足以在出現故障時提供足夠的網路可用性。
目前有很多建議直接在光層上執行 IP 層,而無需使用 SDH 層。雖然 IP 在路由級別包含容錯功能,但這種機制很麻煩,並且速度不夠快,無法提供足夠的 QOS。在這種情況下,光層提供快速保護以滿足傳輸層整體可用性要求變得很重要。
大多數運營商在傳統裝置上投入了鉅額資金,這些裝置根本不提供保護機制,但不能忽視。在這些裝置和原始光纖之間無縫引入光層,可以以較低的成本升級長光纖鏈路的網路基礎設施,並提高生存能力。
光層保護和恢復可用於在網路中提供額外的彈性級別。例如,許多傳輸網路被設計為一次處理單個故障,而不是多個故障。光恢復可用於提供針對多重故障的彈性。
光層保護在處理某些型別的故障(例如光纖斷裂)方面可以更有效。一根光纖承載著多個波長的流量(例如,16-32個SDH流)。因此,光纖斷裂會導致這16-32個SDH流都由SDH層獨立恢復。網路管理系統會被每個獨立實體產生的大量告警淹沒。如果光層能夠足夠快地恢復光纖斷裂,則可以避免這種運營效率低下。
利用光層保護和恢復可以獲得可觀的成本節約。
光層保護的限制
以下是光層保護的一些限制。
它無法處理網路中的所有型別的故障。例如,它無法處理IP路由器或連線到光網路的SDH ADM中的雷射器故障。此類故障必須分別由IP層或SDH層處理。
它可能無法檢測網路中的所有型別的故障。光層提供的路徑可能是透明的,因此它們可以以各種位元率承載資料。在這種情況下,光層實際上可能不知道這些路徑上到底承載了什麼。因此,它無法監控流量以感知降級(例如位元錯誤率增加),而這些降級通常會觸發保護切換。
光層以光路徑為單位保護流量。它無法對光路徑上承載的不同部分的流量提供不同級別的保護(部分流量可能是高優先順序,另一部分是低優先順序)。此功能必須由處理更細粒度流量的更高層執行。
可能存在限制光層保護能力的鏈路預算約束。例如,保護路徑的長度或保護流量經過的節點數量可能會受到限制。
如果整個網路設計不當,當光層和客戶層都試圖同時保護流量免受故障影響時,可能會出現競爭條件。
該技術和保護技術尚未經過現場測試,因此,這些新的保護機制的全面部署還需要幾年時間。
受保護實體的定義
在詳細介紹保護技術以及它們之間的權衡之前,最好定義光層和客戶層保護的實體。這些實體如下圖所示。

客戶裝置埠
客戶裝置上的埠可能會發生故障。在這種情況下,光層本身無法保護客戶層。
客戶裝置與光裝置之間的站內連線
站點內部的電纜可能會斷開連線,主要是由於人為錯誤。這被認為是一個相對可能發生的事件。同樣,僅靠客戶層和光層保護才能完全防止此類事件發生。
轉發器卡
轉發器是客戶裝置和光層之間的介面卡。這些卡使用光電光轉換將來自客戶裝置的訊號轉換為適合在光網路內部使用的波長。因此,此卡的故障率不能忽略不計。考慮到系統中此類卡的數量眾多(每個波長一個),因此需要對其進行專門的保護支援。
外部設施
站點之間光纖設施被認為是系統中最不可靠的元件。光纖斷裂相當普遍。此類別還包括沿光纖部署的光放大器。
整個節點
整個節點可能會因維護人員的錯誤(例如,跳閘電源斷路器)或整個站點故障而發生故障。站點故障相對罕見,通常是由於火災、洪水或地震等自然災害造成的。節點故障對網路有重大影響,因此,儘管其發生的機率相對較低,但仍然需要對其進行保護。
保護與恢復
保護被定義為處理故障的主要機制。它需要非常快(通常在SDH網路發生故障時,流量中斷不應超過60毫秒)。因此,通常需要預先計劃保護路徑,以便能夠快速將流量從正常路徑切換到保護路徑。
由於速度要求,此功能通常由網路元素以分散式方式執行,而無需依靠集中式管理實體來協調保護操作。除了最近(尚未得到證實)的快速網狀保護方案外,保護技術往往相當簡單,並在線性或環形拓撲中實現。它們最終都在網路中使用了100%的訪問頻寬。
相反,恢復不是處理故障的主要機制。在保護功能完成後,恢復用於在修復第一個故障之前提供高效的路由或針對進一步故障的額外彈性。因此,它可以承受相當慢的速度(有時為幾秒到幾分鐘)。
恢復路徑無需預先計劃,並且可以由集中式管理系統動態計算,而無需分散式控制功能。可以使用更復雜的演算法來減少所需的冗餘頻寬,並且可以支援更復雜的網狀拓撲。
光層內的子層
光層由幾個子層組成。可以在這些不同的層上執行保護和恢復。我們可以有保護單個光路徑或光通道的方案。這些方案處理光纖斷裂以及終端裝置(例如雷射器或接收器)的故障。
我們可以有在聚合訊號級別工作的方案,這對應於光復用段(OMS)層。這些方案不區分複用在一起的不同光路徑,並透過將它們作為一個組切換來同時恢復所有光路徑。
術語路徑層保護用於表示在單個通道或光路徑上執行的方案,而線路層保護用於表示在光復用段層上執行的方案。有關路徑和線路層方案屬性的比較,請參閱表1;有關不同的路徑和線路方案,請參閱表2和表3。
表1:線路保護和路徑保護的比較
標準 | 線路保護 | 路徑保護 |
---|---|---|
保護物件 | 局間設施 站點/節點故障 |
局間設施 站點/節點故障 裝置故障 |
光纖數量 | 如果使用單級複用,則為四根 | 兩根 |
可以處理單個路徑的故障/降級 | 否 | 是 |
支援不需要保護的流量 | 否 | 是 |
裝置成本 | 低 | 高 |
頻寬效率 | 對於受保護的流量來說很好 | 對於不受保護的通道來說很低 |
表2:線路層方案的比較
方案 | 保護物件 | 拓撲 | 約束/缺陷 | 客戶收益 |
---|---|---|---|---|
1+1線路 | 線路斷裂 | 點到點 | 需要不同的路由來保護光纖 | 最易於實施和操作 |
1+1線路 | 線路斷裂 | 點到點 | 需要不同的路由來保護光纖 | 支援低優先順序流量 損耗更低(大約降低3 dB) |
OULSR | 線路斷裂 節點故障 |
城域環 | 光層損傷 由於訊號的線路級橋接,存在進一步的功率損耗 |
易於實施和操作 可以使用無源元件(而不是光開關)來完成 |
OBLSR | 線路斷裂 節點故障 |
城域環 | 光層損傷 | 保護頻寬重用 支援低優先順序流量 |
網狀線路保護 | 線路斷裂 節點故障 |
任何 | 受光層損傷限制 基於全光交叉連線 難以管理 |
高效 低成本 |
表3:路徑層方案的比較
方案 | 保護物件 | 拓撲 | 約束/缺陷 | 客戶收益 |
---|---|---|---|---|
客戶層保護 | 客戶裝置故障 站內設施 轉發器故障 局間設施 節點故障 |
任何 | 需要網路中的不同路徑 最昂貴 |
最廣泛的保護 |
1:N裝置保護 | 轉發器故障 | 線性或環形 | 成本非常低 頻寬效率高 |
|
1+1路徑或OUPSR | 局間設施 節點故障 |
任何 | 需要網路中的不同路徑 消耗頻寬 |
類似於客戶保護 易於開發和操作 |
OBPSR | 局間設施 節點故障 |
虛擬環 | 保護頻寬重用 支援低優先順序流量 |
|
網狀路徑保護 | 局間設施 節點故障 |
任何 | 需要OXC 實施和操作非常複雜 |
效率高 |
物理網路拓撲可以是任何網狀拓撲,在客戶裝置節點之間傳遞光路徑。從客戶裝置的角度來看,虛擬拓撲受客戶層限制(例如,SDH的環形)。2物理拓撲是任何網狀拓撲,而光路徑的虛擬拓撲是環形。
例如,考慮以下圖中所示的兩種保護方案。這兩種方案都可以認為是1+1保護方案,即都在傳送端將訊號分成兩路,並在接收端選擇較好的副本。圖(a)描繪了1+1線路層保護,其中整個WDM訊號的分割和選擇都是一起進行的。圖(b)描繪了1+1路徑層保護,其中每個光路徑的分割和選擇是分別進行的。

線路層與路徑層保護
這兩種方法在成本和複雜性方面存在重要差異。線路保護需要一個額外的分路器和一個切換到不受保護系統的開關。但是,路徑保護每個通道需要一個分路器和一個開關。更重要的是,如果要保護所有通道,則路徑保護通常需要兩倍於線路保護的轉發器和兩倍於複用/解複用資源。因此,如果所有通道都需要保護,則路徑保護的成本幾乎是線路保護的兩倍。但是,如果並非所有通道都需要保護,情況就會發生變化。
基本保護方案
表1、2和3中提供了各種保護方案的比較。光層保護方案的分類方式與SDH保護方案類似,可以在客戶層、路徑層或線路層實現。
客戶保護
一個簡單的選項是讓客戶層負責自己的保護,而光層不執行任何保護。對於SDH客戶層來說,這可能是常見的情況。雖然從光層的角度來看這很簡單,但透過執行光層保護可以獲得顯著的成本效益和頻寬節省。雖然客戶保護方法可以支援點到點、環形或網狀客戶網路,但需要注意的是,從光網路的角度來看,所有這些都轉化為光網狀支援,因為即使是點到點的客戶鏈路也可以跨越整個光網狀網路。
在客戶層保護中,工作和保護客戶路徑透過光層完全多樣化路由,因此不存在單點故障。此外,工作和保護客戶路徑不應對映到同一WDM鏈路上的不同波長。如果WDM鏈路發生故障,兩條路徑都將丟失。
路徑層方案
1+1路徑保護
此方案需要網路中的兩個波長,以及每個端點的兩組轉發器。當應用於環形網路時,此保護也稱為光單向路徑交換環(OUPSR)或OCh專用保護環(OCh/DP環)。
實現說明 - 橋接通常透過光耦合器完成,而選擇則透過1x2光開關完成。接收端可以在不與源端協調的情況下決定切換到備用路徑。
雙向路徑交換環
此方案鬆散地基於SDH 4纖雙向線路交換環(BLSR),並依賴於環路周圍共享的保護頻寬。當工作光路徑發生故障時,節點協調並嘗試透過同一方向環路中的指定保護頻寬傳送流量(以克服轉發器故障)。這是一個段交換。如果此操作失敗,則節點將流量環路繞到環路的備用路徑,一直到故障的另一端。此操作是環路交換。
此方案允許非重疊的光路徑共享相同的保護頻寬,只要它們不會同時發生故障。此方案也稱為OCh共享保護環(OCh/SPRing)。
實現說明 - 此方案可以在OXC中實現,或者透過OADM中的更小交換機實現。每個保護通道都需要交換機。它類似於SDH BLSR標準。
網狀路徑保護
此方案允許全域性網狀保護,併為每個發生故障的光路徑分別快速切換(少於100毫秒)到備用路徑,該路徑由多個光路徑共享,每個光路徑可能採用不同的路由。發生故障時,會通知所有相關節點設定備用路徑。
實現說明 - 這些方案正在OXC中實現。由於時間限制,預定義的備份路徑儲存在網路節點中,並根據故障型別啟用。
網狀路徑恢復
與網狀路徑保護不同,此方案沒有嚴格的時間限制。該裝置使用其拓撲計算備用路由,並將新的設定資訊傳播到節點,這些節點設定這些路由。節點不需要維護任何網路資訊。
實現說明 - 此方案的集中式特性確保了更最佳化的保護路由,並降低了實施和維護複雜性。
1:N裝置保護
典型WDM終端中最複雜(因此也最容易發生故障)的模組之一是轉發器。1:N保護指定一個備用轉發器,以在正常轉發器發生故障時接管。
實現說明 - 此方案通常基於指定的保護波長。發生故障時,兩端必須使用快速信令協議進行切換,這與SDH中的APS不同。
線路層方案
1+1線性保護
此方案基於將整個WDM訊號批次橋接到一對多樣化路由的設施上。這些設施的接收端然後選擇接收這兩個訊號中的哪一個。
1:1線性保護
此方案需要類似於前一個(即1+1線性)的配置,但是,訊號切換到工作路徑或保護路徑,而不是兩者。雖然這增加了協調負擔,但它允許在備份路徑上執行低優先順序流量(直到需要保護工作路徑)。它還由於整個訊號能量被引導到一條路徑而不是兩條路徑,因此導致更低的的光功率損耗。
實現說明 - 切換通常使用光1×2開關完成。協調透過快速信令協議實現。
光單向線路交換環(OULSR)
此方案類似於OUPSR方案,只是訊號的橋接和選擇是針對聚合的WDM訊號完成的。這允許更最佳化的設計、更低的成本和完全不同的實現。
實現說明 - 此方案的實現基於無源耦合器,將光環路引入廣播介質。此方案不是使用OADM,而是基於簡單的OLT,每個OLT都耦合到順時針和逆時針環路中,因此每個波長都在兩根光纖上傳送和接收。在正常情況下,鏈路被人工斷開,形成線性匯流排,當光纖斷開鏈路重新連線時。
雙向線路交換環
此方案在協議方面和使用的保護操作(段和環路切換)方面都類似於OBPSR方案。與所有線路層方案一樣,聚合的WDM訊號被批次切換到專用的保護光纖(需要四根光纖),或切換到單根光纖內的不同WDM頻段(僅允許兩根光纖,但需要兩級光MUX方案)。此方案也稱為OMS共享保護環(OMS/SPRing)。
實現說明 - 由於備份路由在整個環路中光學迴圈,因此備份路徑上可能需要光線路放大器來補償損耗。環路的周長也受其他光學損傷的限制。因此,此選項最適合於城域應用。
網狀線路保護/恢復
此方案基於全光交叉連線,將WDM訊號從故障設施轉移到備用路由,然後返回到故障設施的另一端。
實現說明 - 與OBLSR類似,此方案受到備用路由上可能產生的光學損傷的限制,需要謹慎的光學設計。
保護方案選擇考慮因素
運營商可以選擇用於網路中的保護方案的標準。下圖顯示了用於此目的的簡化決策圖,假設需要裝置和線路保護。

保護成本
從運營商的角度來看,另一個標準是系統的成本,至少有兩個方面:
- 裝置成本
- 頻寬效率
這兩者都取決於流量的服務組合,即光層需要保護的流量的比例。
下圖顯示了路徑層方案和等效線路層方案的裝置成本作為流量組合的函式。如果所有流量都需要保護,則路徑層方案所需的裝置大約是線路層方案的兩倍,因為共享的通用裝置較少。
但是,路徑層保護的成本與需要保護的通道數量成正比,因為每個通道都需要相關的MUX/DEMUX和終端裝置。因此,如果需要保護的通道較少,則路徑層保護的成本就會下降。在不需要保護任何通道的情況下,路徑層方案的成本將與線路層方案大致相同,假設沒有部署額外的通用裝置。

從頻寬效率的角度來看,情況有所不同,如下圖所示。線上路保護系統中,保護頻寬被需要保護的光路徑以及不需要保護的光路徑消耗。在路徑保護系統中,不需要保護的光路徑可以使用頻寬,允許其他未受保護的光路徑使用原本浪費在不需要的保護上的頻寬。
由此可見,如果很大一部分光路徑可以保持不受保護,則路徑層保護可以透過在相同網路上支援比線路層保護更多的工作流量來收回成本。

光網路 - ROADM
傳統的光網路部署SDH/SONET技術來傳輸資料跨越光網路。這些網路相對容易規劃和設計。新的網路元素可以輕鬆地新增到網路中。靜態WDM網路可能需要較少的裝置投資,尤其是在都會網路絡中。但是,這些網路的規劃和維護可能是一場噩夢,因為工程規則和可擴充套件性通常非常複雜。
頻寬和波長必須預先分配。由於波長被捆綁成組,並且並非所有組都在每個節點終止,因此在某些站點可能無法訪問特定的波長。網路擴充套件可能需要新的光電光再生和放大器,或者至少需要調整現有站點的功率。操作靜態WDM網路需要大量人力。

網路和頻寬規劃應該像過去SDH/SONET網路一樣簡單。例如,在給定的環路頻寬內,每個節點都可以根據需要提供儘可能多的頻寬,例如STM-16或OC-48。
每個ADM都可以訪問整個頻寬。網路擴充套件,例如在現有環路中引入新節點,相對容易,不需要訪問現有節點的任何現場。左側的網路圖說明了這一點:數字交叉連線系統連線到多個光SDH/SONET環路。
可重構光網路的行為有所不同:頻寬可以按需規劃,並且範圍得到最佳化,因為現在每個WDM通道都管理光功率。可擴充套件性顯著提高。
支援這種可重構光網路的關鍵要素是可重構光加/減複用器(ROADM)。它可以透過軟體單擊即可將光波長重定向到客戶端介面。其他流量不受此影響。所有這些都無需對相關站點進行任何現場維護來安裝濾波器或其他裝置。
使用ROADM的可重構WDM網路
靜態WDM工程規則和可擴充套件性可能非常複雜(每個節點都有OADM)。
- 頻寬和波長預分配
- 固定濾波器結構的裕量分配
- 電源管理不足
- 網路擴充套件需要光電光 (OEO) 再生
SDH/SONET 網路易於規劃。
- 每個 ADM 都可以訪問整個頻寬
- 簡單的工程規則(僅限單跳)
- 輕鬆新增新的網路元素
可重構的光層能夠實現以下功能。
- 按需頻寬規劃
- 由於每個 WDM 通道的電源管理,擴充套件了透明覆蓋範圍
- 無中斷可擴充套件性
靜態光子層由獨立的光環組成。考慮位於這些環中的多個 DWDM 系統。通常,資訊或資料只是保留在同一個環上,因此沒有問題。但是,如果資料需要移交給另一個光環會發生什麼情況?
在靜態系統中,每當需要在環之間進行轉換時,都需要大量轉發器。實際上,每個從一個環傳遞到另一個環的波長都需要兩個轉發器:一個在網路的每一側。考慮到頻寬和通道的分配,這種方法會產生高成本和大量初始規劃。
現在讓我們想象一個動態可重構的光子層。這裡,只有一個 DWDM 系統形成兩個光環之間的介面。因此,基於轉發器的再生消失了,DWDM 系統的數量也減少了。整個網路設計得到簡化,波長現在可以從一個環傳遞到另一個環,而不會遇到任何進一步的障礙。
任何波長都可以傳播到任何環和任何埠。這種完全靈活和可擴充套件的網路設計的關鍵,從核心到接入區域的光直通,是 ROADM 和 GMPLS 控制平面。
透過 ROADM 簡化
ROADM 簡化了網路以及服務提供商或運營商的流程。這種互動總結了其中一些簡化。畢竟,我們需要牢記所有這些優勢都會減少時間、精力和成本。但更重要的是,它們還會提高客戶滿意度,進而提高客戶忠誠度。
使用 ROADM 可以極大地簡化網路規劃。只需考慮倉庫中需要存放的轉發器數量顯著減少。
安裝和除錯——例如,在為網路設定新波長時——所需的精力明顯減少,並且複雜程度大大降低。服務技術人員只需要訪問相應的端點站點即可安裝轉發器和 ROADM。以前使用的固定光新增/刪除複用器 (FOADM) 需要訪問每個中間站點,以便進行安裝工作和補丁。
當部署動態光網路時,操作和維護得到了極大的簡化。光學診斷可以在幾分鐘內完成,而不是像以前一樣需要幾個小時。可以檢測到損傷並動態清除,而不是觸發到外部站點的卡車行程。
隨著可調諧雷射器和無色 ROADM 的部署,光纖網路的維護更加容易。使用這些功能,服務供應現在比以往任何時候都更容易。與安裝和除錯工作一樣,執行網路維護和任何潛在的升級也變得更加容易。
ROADM 架構
前面幾節介紹了 ROADM 為網路設計和運營帶來的許多優勢。這裡再舉幾個——
- 每個通道的功率監控和均衡,以均衡整個 DWDM 訊號
- 從遠端網路運營中心完全控制流量
但是,有一個問題到目前為止還沒有得到解答:ROADM 是如何工作的?讓我們來看一些基本知識。

ROADM 通常由兩個主要的函式元素組成:波長分束器和波長選擇開關 (WSS)。請檢視上面的框圖:網路介面 No. 1 處的纖芯對連線到 ROADM 模組。
承載傳入資料(來自網路)的纖芯被饋送到波長分束器。現在,所有波長都可以在分束器的所有輸出埠(在本例中為 8 個)上使用,本地新增/刪除流量(波長)可以使用陣列波導濾波器 (AWG) 進行復用/解複用。使用 AWG 意味著固定的波長分配和方向。
波長選擇開關 (WSS) 選擇性地連線各種波長,並將它們饋送到網路介面 #1 的輸出。剩餘的分束器埠連線到其他網路方向,例如,在 4 度結點處連線到另外三個方向。
注意——在此節點的每個網路方向都需要一個所示模組(完全灰色的框)。或者更準確地說:在一個服務於四個方向(4 度)的結點中,需要四個這樣的模組。
ROADM 的核心——WSS 模組
讓我們從左側傳入的 WDM 訊號開始。它穿過頂部的纖芯,並指向體光柵。這個體光柵充當稜鏡的作用。它將各種波長分離到不同的方向,儘管角度變化很小。分離的波長照射到一個球面鏡上,該球面鏡將光線反射到一組微機電系統 (MEMS) 上。每個微開關都受到不同波長的照射,然後將其傳送回球面鏡。
從那裡,光線返回到體光柵併發送到纖芯。但這現在是與我們開始使用的不同的纖芯。單波長輸出訊號表明已發生這種情況。然後,此訊號可以與其他單波長訊號組合,以填充另一根傳輸纖芯。

有各種版本可用——這裡的關鍵詞是無色、無方向等。
ROADM——度數、無色、無方向等
術語 | 解釋 |
---|---|
度數 | 術語“度數”描述了支援的 DWDM 線介面的數量。2 度 ROADM 節點支援兩個 DWDM 線介面。它還允許所有線介面的兩個新增/刪除分支。 |
多度數 | 多度數 ROADM 支援兩個以上的 DWDM 線介面。可能的新增/刪除分支的數量由 WSS 埠計數決定。 |
無色 | 無色 ROADM 能夠將任何波長或顏色靈活地分配到任何埠。必須連線濾波器模組才能實現此功能。 |
無方向 | 無方向 ROADM 不需要物理重新連線傳輸纖芯。方向限制被消除。 無方向 ROADM 用於恢復目的或服務的臨時重新路由(例如,由於網路維護或按需頻寬要求)。 |
無競爭 | 無競爭 ROADM 消除了兩個相同的波長在 ROADM 中發生衝突的潛在問題。 |
無網格 | 無網格 ROADM 使用相同的 DWDM 訊號支援各種 ITU-T 通道網格。網格粒度可以適應未來的傳輸速度要求。 |
為了理解這種分級 ROADM 方法,以下是一些經常與 ROADM 相關的關鍵術語。
無色
簡單的 ROADM 為每個方向配備一個 WSS,也稱為“一度”。波長仍然分配給並使用固定的新增/刪除轉發器。無色 ROADM 消除了此限制:使用此類 ROADM,任何波長或顏色都可以分配到任何埠。由於整個設定都是軟體控制的,因此不需要卡車行程。必須實現濾波器模組才能實現無色功能。
無方向
這通常與“無色”一詞一起出現。無方向設計消除了另一個 ROADM 限制。使用無方向 ROADM 消除了物理重新連線傳輸纖芯的需要,因為沒有關於方向的限制,例如,南向或北向。
無競爭
儘管 ROADM 已經提供了很大的靈活性,並且是無色和無方向的,但使用相同頻率的兩個波長仍然可能在 ROADM 中發生衝突。無競爭 ROADM 提供了一個專用的內部結構來避免這種阻塞。
無網格
無網格 ROADM 支援非常密集的波長通道網格,並且可以適應未來的傳輸速度要求。該功能是 100Gbit/s 以上的訊號速率以及一個網路中的不同調制格式所必需的。
當無方向時
無方向 ROADM 是最廣泛使用的 ROADM 設計,因為它們允許從支援的 ITU 網格上的任何線介面新增/刪除波長。在僅無方向變體的情況下,新增/刪除埠特定於定義的波長。使用無色選項,埠也可以是非波長特定的。
無方向技術主要用於根據需要將波長重新路由到其他埠,以滿足恢復目的。其他應用程式也是可能的,例如,在按需頻寬的情況下。不支援無方向功能的 ROADM 在靈活性方面受到一些限制。
當無色時
無色 ROADM 允許更改特定光通道的波長,而無需任何物理重新佈線。無色 ROADM 可以重新配置為在任何新增/刪除埠上新增/刪除支援的 ITU 網格中的任何波長。新增/刪除的波長可以更改(可調諧 DWDM 介面)。這使得——
波長供應和波長恢復的靈活性增強
恢復切換、方向切換和顏色切換
無色新增/刪除埠與可調諧 DWDM 線介面結合的關鍵優勢是增強了波長供應和波長恢復目的的靈活性。自動調整到請求光路徑上的下一個可用波長。
完全自動化光網路的最後一點之一是部署無色 ROADM。使用此類 ROADM 允許在任何新增/刪除埠上新增/刪除支援的 ITU 網格中的任何波長。由於可調諧轉發器用作光學前端,因此埠上的波長可以更改。
波長供應和恢復比以前更加容易。當某個波長繁忙時,系統可以自動將轉發器調整到下一個可用的空閒波長。ROADM 提供了在同一 ROADM 節點內使用固定和無色新增/刪除功能的選項。
當無競爭時
無競爭ROADM可以在任何加/減埠新增/刪除任何波長,而無需在任何加/減埠上設定任何競爭網格。一個專用的波長顏色可以多次(來自不同的DWDM線路介面)新增到同一個加/減分支上。如果僅配備了8個加/減埠,則必須能夠從8個不同的線路方向在8個加/減埠上刪除相同的波長。只要有空閒的加/減埠可用,ROADM節點就必須能夠從/到任何線路介面新增/刪除任何波長。
無色、無方向和無競爭功能(CDC)的組合提供了最高級別的靈活性。
當無網格時
無網格ROADM節點支援同一DWDM訊號內的不同ITU-T通道網格。網格頻寬可以按通道配置。
對於以超過100Gbit/s的資料速率執行的網路或使用不同調制方案執行的網路,需要無網格功能。它適用於具有相干線路介面的下一代網路。不同的資料速率根據調製方案和資料速率需要不同的波長要求。
傳輸速度正在提高,調製方案也變得越來越複雜。現在可以在一根光纖上混合使用多種調製技術。所有這些都反映在ROADM技術上,併產生了對無網格ROADM的需求。此類ROADM在密集的頻率網格上執行,並允許按通道配置頻寬。現在,資料通道根據其調製方案和資料速率需要不同的波長要求。
典型的應用是資料速率超過100Gbit/s或並行執行不同調制方案的網路。例如,在部署相干傳輸技術時,後一種情況很容易出現。