8085 微處理器與 ADC 介面
在本節中,我們將瞭解 ADC(模數轉換器)如何與 Intel 8085 微處理器協同工作。模數轉換是一個量化過程。在此過程中,模擬訊號由等效的二進位制狀態表示。A/D 轉換器可以根據其轉換技術分為兩類。
第一種技術是將給定的模擬訊號與最初生成的等效訊號進行比較。這種技術包括逐次逼近、計數器和快閃記憶體式轉換器。另一種技術是確定模擬訊號到時間或頻率的變化。此過程包括積分器轉換器和電壓到頻率轉換器。第一個過程更快但精度較低,第二個過程精度更高。由於第一個過程使用快閃記憶體式,因此它成本較高且難以設計以實現高精度。
ADC 0808/0809 晶片
ADC 0808/0809 是一款 8 位模數轉換器。它具有 8 通道多路複用器,可與微處理器介面。
該晶片是一種流行且廣泛使用的 ADC。ADC 0808/0809 是一種單片 CMOS 器件。該器件使用逐次逼近技術將模擬訊號轉換為數字形式。該晶片的主要優點之一是它不需要任何外部零點和滿量程調整,僅需 +5V 直流電源即可。
讓我們看看 ADC 0808/0809 的一些優點
轉換速度非常快
精度也很高
其溫度依賴性最小
出色的長期精度和重複性
功耗低
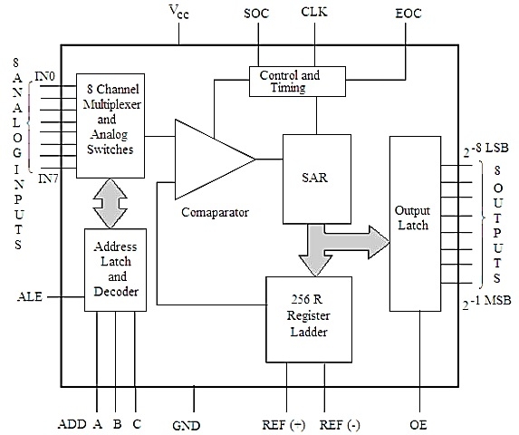
該晶片的功能框圖如下所示

8085 微處理器與 ADC 介面
為了將 ADC 與 8085 介面,我們需要使用 8255 可程式設計外設介面晶片。讓我們看看連線 8085、8255 和 ADC 轉換器的電路圖。

8255 晶片的 PortA 用作輸入埠。Port Cupper 的 PC7 引腳連線到模數轉換器的轉換結束 (EOC) 引腳。此埠也用作輸入埠。Clower 埠用作輸出埠。PC2-0 線路連線到該晶片的三個地址引腳以選擇輸入通道。PC3 引腳連線到 ADC 0808/0809 的轉換開始 (SOC) 引腳和 ALE 引腳。
現在讓我們看看一個從模擬資料生成數字訊號的程式。我們使用 IN0 作為輸入引腳,因此引腳選擇值為 00H。
程式
MVI A, 98H ; Set Port A and Cupper as input, CLower as output OUT 03H ; Write control word 8255-I to control Word register XRA A ; Clear the accumulator OUT 02H ; Send the content of Acc to Port Clower to select IN0 MVI A, 08H ; Load the accumulator with 08H OUT 02H ; ALE and SOC will be 0 XRA A ; Clear the accumulator OUT 02H ; ALE and SOC will be low. READ: IN 02H ; Read from EOC (PC7) RAL ; Rotate left to check C7 is 1. JNC READ ; If C7 is not 1, go to READ IN 00H ; Read digital output of ADC STA 8000H ; Save result at 8000H HLT ; Stop the program
資料結構
網路
RDBMS
作業系統
Java
iOS
HTML
CSS
Android
Python
C 語言程式設計
C++
C#
MongoDB
MySQL
Javascript
PHP