基於8086系統的8259使用
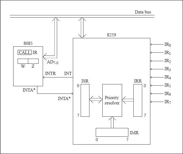
8259從IR0到IR7引腳接收來自八個中斷裝置的中斷請求。之後,它識別來自活動輸入的具有最高請求優先順序的中斷。我們可以將8259配置為“固定優先順序”模式。在此模式下,IR0優先順序最高,IR7優先順序最低。如果三個輸入IR2、IR4和IR6處於活動狀態,則IR2將具有比其他活動請求更高的優先順序中斷請求。
我們可以透過安裝中斷遮蔽暫存器來遮蔽中斷請求。如果遮蔽了IR2和IR3的兩個中斷請求,則其他未遮蔽的中斷中,IR4具有最高的優先順序中斷請求。現在處理器可以檢查或處理中斷請求IR5。目前正在處理的中斷請求資訊將儲存在(ISR)中。
8259中有一個稱為優先順序解析單元的解析單元。它接收來自IRR、IMR和ISR的輸入,並識別具有最高優先順序的請求。我們知道IR4的優先順序遠高於當前正在處理的IR5。
因此,只有在滿足以下條件時,優先順序解析單元才會啟用INT輸出:
IR輸入必須被啟用
IR輸入不得被遮蔽
當前未處理IR請求的處理器應具有最高優先順序。

圖:8259與8085處理器的介面

圖:使用了多個標誌
廣告
資料結構
網路
關係資料庫管理系統 (RDBMS)
作業系統
Java
iOS
HTML
CSS
Android
Python
C語言程式設計
C++
C#
MongoDB
MySQL
Javascript
PHP