可控矽整流器——工作原理及應用
一個SCR(可控矽整流器) 是一種三端、三結、四層半導體器件,用於在電力電路中執行開關功能。
有時 SCR 也被稱為閘流體。
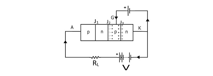
SCR 的結構細節
SCR 具有三個 pn 結和四層p 型和 n 型半導體,交替連線形成 pnpn 器件。三個端子分別是從外部 p 型層引出的陽極 (A)、從外部 n 型層引出的陰極 (K) 和從內部 p 型層引出的柵極 (G)。


SCR 的工作原理
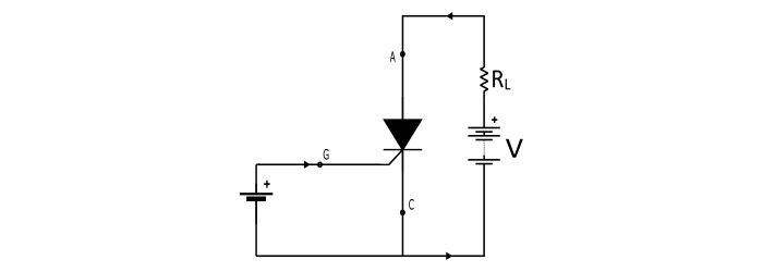
在 SCR 中,負載與陽極串聯連線。陽極始終保持相對於陰極的正電位。
當柵極開路時
當沒有電壓施加到柵極端子時,J2 結反向偏置,而 J1 和 J3 結正向偏置。由於三個結中的一個反向偏置,因此沒有電流可以流過負載,因此 SCR 關閉。但是,如果逐漸增加施加的電壓,則會達到一個階段,此時反向偏置的結 (J2) 擊穿。此時,SCR 開始導通並接通。反向偏置結擊穿並使 SCR 接通時的施加電壓值稱為擊穿電壓。


當柵極相對於陰極呈正電位時
透過在柵極端子上施加小的正電壓,可以在較小的施加電壓下使 SCR 接通。當施加柵極電壓時,J3 結正向偏置,J2 結反向偏置。因此,來自 n 型層的電子開始穿過 J3 結向 p 型材料移動,而來自 p 型材料的空穴向 n 型材料移動。由於空穴和電子穿過 J3 結的移動,柵極電流開始流動。由於柵極電流,陽極電流增加。增加的陽極電流使 J2 結處有更多電子可用。由於這個過程,在很短的時間內,J2 結擊穿,SCR 接通。


即使移除了柵極端子的電壓,SCR 的陽極電流也不會減小。只有將施加的電壓降至零才能關閉 SCR。
SCR 的引數
擊穿電壓 − 這是在不施加柵極電壓的情況下,SCR 接通的施加電壓的最小值。對於市售的 SCR,擊穿電壓範圍為 50 V 至 500 V。
峰值反向電壓 (PRV) − 這是可以在不反向導通的情況下施加到 SCR 的最大反向電壓(即陰極相對於陽極呈正電位)。市售的 SCR 的 PRV 高達 2.5 kV。
保持電流 − 當柵極開路時,這是 SCR 從導通狀態關斷時的陽極電流的最大值。
正向電流額定值 − 這是 SCR 可以透過而不損壞的最大陽極電流值。
電路熔斷額定值 − 它表示 SCR 的最大正向浪湧電流能力。它定義為浪湧電流的平方與浪湧持續時間的乘積。
如果 SCR 電路中的電路熔斷額定值超過,則器件會因過大的功率損耗而損壞。
$$ \mathrm{電路熔斷額定值=I^2t} $$
SCR 的 I-V 特性
它是根據恆定柵極電流下 SCR 的陽極-陰極電壓 (V) 和陽極電流 (I) 繪製的曲線。

正向特性 − 當陽極相對於陰極呈正電位時,V 和 I 之間的曲線稱為 SCR 的正向特性。如果從零開始增加電源電壓,則會達到一個點(A 點,電壓稱為擊穿電壓),此時 SCR 開始導通。在此條件下,SCR 兩端的電壓突然下降(曲線中用虛線表示),並且大部分電源電壓出現在負載兩端。
反向特性 − 當陽極相對於陰極呈負電位時,V 和 I 之間繪製的曲線稱為反向特性。如果逐漸增加反向電壓,則起初陽極電流保持較小(稱為漏電流),並且在某個反向電壓下,會發生雪崩擊穿,SCR 開始反向導通(由第三象限中的曲線所示)。SCR 開始反向導通時的最大反向電壓稱為反向擊穿電壓。
SCR 的應用
SCR 可用於以下應用:
- 電力開關電路
- 受控整流器
- 交流電源控制電路
- 直流分流電動機的速度控制
- SCR 鉗位電路
- 計算機邏輯電路
- 定時電路
- 逆變器
- 電池充電調節器
- 溫度控制系統
資料結構
網路
關係資料庫管理系統 (RDBMS)
作業系統
Java
iOS
HTML
CSS
Android
Python
C語言程式設計
C++
C#
MongoDB
MySQL
Javascript
PHP