橋式整流器 - 結構、工作原理、優點
簡介
橋式整流器將交流輸入轉換為直流輸出。整流過程由正向偏置的結型二極體完成。當結型二極體正向偏置時,允許電流流過它。結型二極體的這種應用主要用於整流。惠斯通電橋系統用於橋式整流器。橋式整流器也稱為波橋整流器。它也整流波形。半波整流器和全波整流器是橋式整流器的例子。整流器有很多型別,但橋式整流器更有效。
橋式整流器定義
橋式整流器有效地將交流電轉換為直流電。橋式整流器電路配置由四個或更多個二極體組成。橋式整流器是全波整流器的另一種形式。
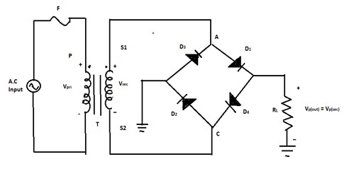
橋式整流器電路
橋式整流器電路如下所示。四個二極體應用了惠斯通電橋系統。$\mathrm{D_1,D_2,D_3}$和$\mathrm{D_4}$二極體以惠斯通電橋配置設定。

A和C端連線到次級變壓器的兩端。變壓器的次級端表示為$\mathrm{S_1}$和$\mathrm{S_2}$。交流訊號連線到初級變壓器。正半週期由二極體$\mathrm{D_1}$和$\mathrm{D_2}$導通。負半週期由二極體$\mathrm{D_3}$和$\mathrm{D_4}$導通。在兩個半週期的結束時,負載電流流過電路。
$$\mathrm{V_{p(out)}=V_{p(sec)}}$$
橋式波整流器
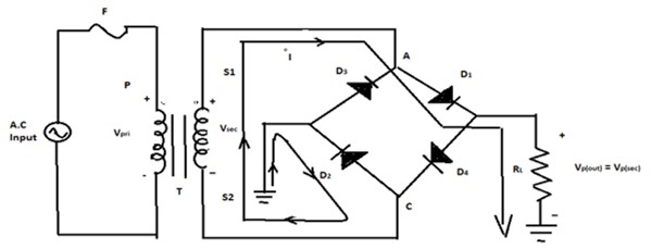
橋式波整流器產生類似於橋式整流器電路的輸出。波整流器也使用四個獨立的二極體。它是一種單相整流器。四個獨立的二極體與閉環橋式電路連線以獲得所需的輸出。此橋式波整流器不需要特殊的中心抽頭變壓器。因此,它所需的成本和尺寸非常小。這是使用橋式波整流器的主要優勢。交流訊號連線到初級變壓器。正半週期由二極體$\mathrm{D_1}$和$\mathrm{D_2}$調節。負半週期由二極體$\mathrm{D_3}$和$\mathrm{D_4}$調節。A和C端連線到次級變壓器的兩端。變壓器的次級端表示為$\mathrm{S_1}$和$\mathrm{S_2}$。
結構

橋式波整流器具有橋式整流器的配置。$\mathrm{D_1, D_2, D_3}$和$\mathrm{D_4}$二極體像橋式整流器一樣以惠斯通電橋配置設定。$\mathrm{R_L}$是負載電阻。A和C端連線到次級變壓器的兩端。變壓器的次級端表示為$\mathrm{S_1}$和$\mathrm{S_2}$。交流訊號連線到初級變壓器。正半週期由二極體$\mathrm{D_1}$和$\mathrm{D_2}$調節。負半週期由二極體調節。在兩個半週期的結束時,負載電流流過電路。
工作原理
在輸入正半週期的期間,$\mathrm{D_1\:和\:D_2}$二極體正向偏置且電流流動,在此期間$\mathrm{D_3}$和$\mathrm{D_4}$反向偏置。類似地,在輸入負半週期的期間,$\mathrm{D_3}$和$\mathrm{D_4}$二極體正向偏置且電流流動,在此期間$\mathrm{D_1}$和$\mathrm{D_2}$反向偏置。因此,在兩個輸入週期內,電流以相同的方向流過負載電阻。因此,完成了全波整流過程,直流輸出是負載$\mathrm{R_L}$上產生的波形。
橋式整流器的特性
實際二極體
在正半週期和負半週期中,負載電阻始終與兩個二極體串聯連線。當考慮二極體壓降時,計算輸出電壓。
$$\mathrm{V_{p(out)}=V_{p(sec)}-1.4V}$$
峰值反向電壓 (PIV)
如果$\mathrm{D_1}$和$\mathrm{D_2}$二極體正向偏置,並且檢查$\mathrm{D_3}$和$\mathrm{D_4}$的反向偏置。$\mathrm{D_1}$和$\mathrm{D_2}$具有可避免的正向電阻,並且可以將其視為連線線,因為二極體被認為是理想的。二極體$\mathrm{D_3}$和$\mathrm{D_4}$的峰值反向電壓類似於峰值次級電壓。次級電壓類似於輸出電壓。
$$\mathrm{峰值反向電壓=V_{p(out)}}$$
橋式二極體的峰值反向電壓值低於中心抽頭配置所需的電壓值。
平均值和輸出頻率
全波橋式整流器具有與全波整流器相同的平均值和輸出頻率方程,因為它產生全波輸出。
$$\mathrm{V_{dc}=\frac{2V_p}{\pi}}$$
$$\mathrm{f_{out}=2f_{in}}$$
優點
與半波整流器直流輸出相比,橋式整流器具有更平滑的直流訊號。
橋式整流器充分利用了輸入交流訊號。在正半週期和負半週期內都允許電流透過。但在半波整流器中,輸入交流訊號僅部分使用。其餘的交流訊號被阻斷。因此,輸入交流訊號存在巨大損失。
在正負半週期內,橋式整流器都允許電流透過。因此,輸出直流訊號幾乎與輸入交流訊號相同。
缺點
橋式放大器的電路配置難以形成。
與其他整流器相比,橋式整流器包含四個二極體。
橋式整流器發生高功率損耗。因為它包含許多二極體。
橋式整流器存在過大的電壓降。因為在兩個半週期內,二極體都與負載電阻串聯連線。但在其他整流器中,在兩個半週期內只使用一個二極體。因此,電壓降較小。
結論
用於整流電流的儀器稱為整流器。整流過程由正向偏置的結型二極體完成。當結型二極體正向偏置時,允許電流流過它。整流器有很多型別。橋式波整流器產生類似於橋式整流器電路的輸出。波整流器也使用四個獨立的二極體。它是一種單相整流器。四個獨立的二極體與反饋控制電路連線以獲得所需的輸出。這種整流器具有成本效益,並且所需的尺寸較小。
常見問題
Q1. 什麼是中心抽頭全波整流器?
A1. 它是僅有兩個二極體的全波整流器電路配置。降壓變壓器與這些二極體連線。變壓器的初級部分由輸入交流訊號供電。
Q2. 給出全波整流器的紋波係數的值?
A2. 全波整流器的紋波係數為 0.482。這種整流器比半波整流器更有用。
$$\mathrm{\gamma=0.482}$$
Q3. 描述整流器的整流效率?
A3. 整流效率定義為直流輸出與提供給整流器的交流訊號總量的比例。
$$\mathrm{\eta=\frac{dc\:output}{ac\:input}}$$
Q4. 什麼是 RMS 值?
A4. 電壓或電流變化的有效值為 RMS 值。(RMS - 均方根)。
$$\mathrm{RMS=\sqrt{\frac{1}{n}\displaystyle\sum\limits_i x_i^2}}$$
Q5. 半波整流器的輸入交流功率為 100 瓦。輸出功率的施加功率為 50 瓦。計算整流效率。
A5.
$$\mathrm{整流效率=\frac{dc\: 輸出 }{ac\:輸入}\times 100}$$
$$\mathrm{整流效率=\frac{50}{100}\times 100=50\%}$$
其餘的 50 瓦被轉換為正弦波,因為只有 50 瓦作為輸入。
資料結構
網路
RDBMS
作業系統
Java
iOS
HTML
CSS
Android
Python
C 程式設計
C++
C#
MongoDB
MySQL
Javascript
PHP