MOSFET – 型別和工作原理
金氧半導體場效應電晶體(MOSFET)具有四個端子——源極(S)、柵極(G)、漏極(D)、體(B)。它是一種半導體器件,用於電子電路中的開關和放大應用。通常,體端與源極連線,形成類似於FET的三端器件。
MOSFET是一種電壓控制型器件。由於其工作僅依賴於多數載流子的流動,因此MOSFET是一種單極型器件。
換句話說,可以增強模式工作的FET被稱為MOSFET。
為什麼叫MOSFET?柵極透過金屬-氧化物(SiO2)與溝道絕緣,因此得名MOSFET。
MOSFET的型別

耗盡型MOSFET
D-MOSFET可以在耗盡模式和增強模式下工作。因此,它也稱為耗盡增強型MOSFET。
D-MOSFET的型別
D-MOSFET可以分為兩種型別:
- N溝道D-MOSFET
- P溝道D-MOSFET
N溝道D-MOSFET
在N溝道D-MOSFET中,p型襯底使源極和漏極之間的溝道變窄,使得當漏極相對於源極呈正電位時,只有少量通道供電子流動。


P溝道D-MOSFET
在這種MOSFET中,n型襯底限制了源極和漏極之間的溝道,使得只有少量通道供空穴從源極流向漏極。


D-MOSFET電路的工作原理
D-MOSFET的柵極形成一個小的電容。這個電容的一個極板是柵極端子,另一個極板是溝道,金屬氧化物層作為介電層。當柵極端子上的電壓發生變化時,電容的電場會發生變化,進而改變導電溝道的電阻。由於柵極透過金屬-氧化物與溝道隔離,因此可以對柵極端子施加正電壓或負電壓。
當對柵極端子施加負電壓時,稱為耗盡模式工作;當對柵極施加正電壓時,稱為增強模式工作。
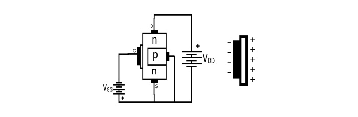
耗盡模式工作
由於柵極處於負電位,因此柵極上有電子。這些電子排斥n溝道中的自由電子,導致n溝道中的一些自由電子被耗盡。因此,可用於透過溝道進行電流傳導的自由電子數量減少。這種效應與溝道電阻增加相同。

柵極端子上的負電壓越高,從源極到漏極的電流就越小。因此,透過改變柵極上的負電壓,可以改變n溝道的電阻,從而改變源極到漏極的電流。
由於負柵極的工作依賴於使溝道中的自由電子耗盡或清空,因此負柵極工作稱為耗盡模式工作。
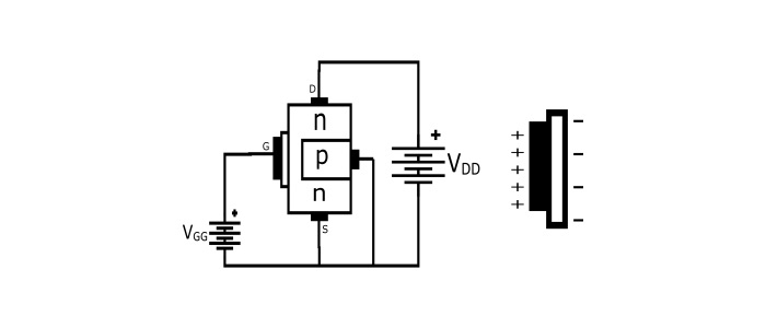
增強模式工作
由於柵極呈正電位,它透過電容作用在溝道中感應負電荷(自由電子)。這些自由電子被新增到溝道中已有的自由電子中,因此n溝道中自由電子的總數增加。因此,正柵極電壓會增加或增強溝道的導電性。
柵極上的正電壓越高,從源極到漏極的電流就越大。因此,透過改變柵極端子上的正電壓,可以改變溝道的導電性。

由於正柵極的工作依賴於增強溝道的導電性,因此正柵極工作稱為增強模式工作。
D-MOSFET的漏極特性
D-MOSFET的漏極特性曲線是在不同正負柵源電壓(VGS)下,漏極電流(ID)與漏源電壓(VDS)之間的曲線。
對於VGS的正值,漏極電流增加,D-MOSFET工作在增強模式下。對於n溝道D-MOSFET,正柵極電壓會在溝道中感應更多的自由電子。這增加了漏極電流,並將D-MOSFET置於增強模式。

對於VGs的負值,漏極電流減小,D-MOSFET工作在耗盡模式下。這是因為負柵極電壓減少了n溝道中的載流子,漏極電流ID減小。
從曲線可以看出,曲線的大部分是水平的,表明漏極電流恆定。因此,在這個部分,D-MOSFET表現為恆流源。
增強型MOSFET
E-MOSFET只能在增強模式下工作。E-MOSFET從源極到漏極沒有物理溝道,因為襯底完全延伸到SiO2層。
透過施加適當大小和極性的柵源電壓(VGS),可以使器件工作。
使E-MOSFET導通的適當極性VGS的最小值稱為閾值電壓(VGS (Th))。
$$\mathrm{對於n溝道E-MOSFET:+V_{GS}\geqslant V_{GS_{th}}}$$
$$\mathrm{對於p溝道E-MOSFET:-V_{GS}\geqslant V_{GS_{th}}}$$
E-MOSFET的示意圖符號
N溝道E-MOSFET


P溝道E-MOSFET


E-MOSFET的工作原理


當VGS = 0 V時,沒有連線源極和漏極的溝道。p型襯底只有少量熱產生的自由電子(少數載流子),因此漏極電流為零。因此,E-MOSFET通常處於關閉狀態。
現在,當柵極變為正電位時,它會吸引來自p襯底的自由電子。自由電子與SiO2層正下方的空穴結合。如果VGS足夠正,則所有接觸SiO2層的空穴都將被填滿,剩餘的自由電子開始從源極流向漏極。這與在SiO2層下方建立一層薄的n型材料相同。因此,E-MOSFET導通,漏極電流開始從源極流向漏極。
E-MOSFET的漏極特性
漏極特性曲線是在VGS的各種正值下,漏極電流與漏源電壓之間的曲線。從曲線圖可以看出,曲線的大部分是水平的,表明漏極電流恆定。因此,在這個部分,E-MOSFET表現為恆流源。

MOSFET的應用
MOSFET放大器廣泛應用於射頻應用。
可以使用功率MOSFET來調節直流電機的速度。
由於具有高速開關速度,它可以用於斬波器電路。
MOSFET的優點
在較低電壓下工作時效率更高。
由於高輸入阻抗,MOSFET具有高速開關速度。
資料結構
網路
關係資料庫管理系統 (RDBMS)
作業系統
Java
iOS
HTML
CSS
Android
Python
C語言程式設計
C++
C#
MongoDB
MySQL
Javascript
PHP