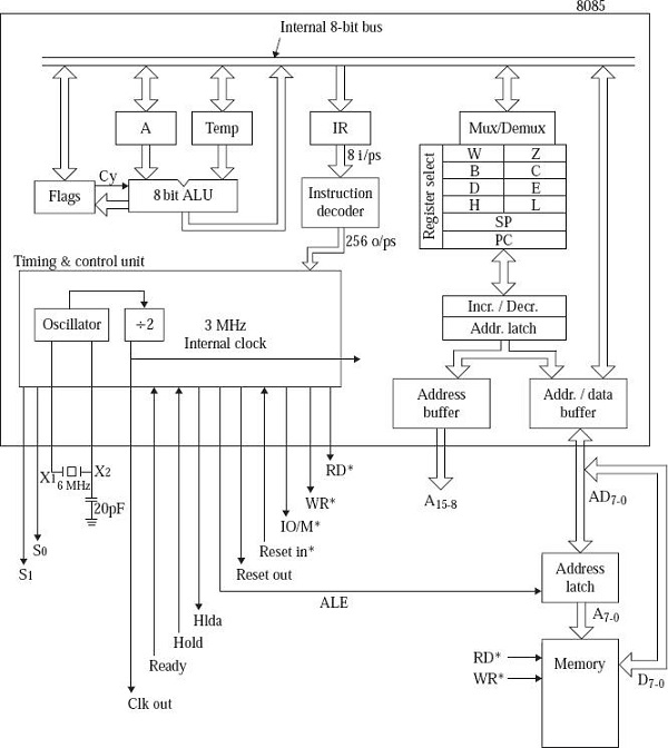
8085微處理器中的定時和控制單元
我們在8085中使用定時和控制單元來產生定時訊號和控制訊號。微處理器的內部和外部的所有操作和功能都由該單元控制。X2和CLK輸出引腳:為了在微型計算機系統中執行定時操作,我們在8085的CU中有一個稱為時鐘發生器的部件。除了石英晶體外,振盪器的完整電路都在晶片內部。X1和X2兩個引腳從晶片引出,以便與外部晶體連線。我們在X2端子和地之間連線一個20pF的電容,只是為了檢測晶體是否啟動。晶體的頻率除以2,從而將控制單元的計數器除以2。在內部,8085A以3MHz的內部時鐘頻率工作。因此,一個6MHz的晶體連線在X1和X2之間。整個8085系統中的每個操作都與時鐘同步進行。有一些外圍晶片,例如8251 USART,在不需要小的時鐘訊號之前不會工作。

LC調諧電路也可以連線在X1和X2之間。在一些低成本的系統中,一個電阻連線在X1和X2之間,X1和地之間連線一個電容,用於產生多個振盪。此外,為了獲得非常好的穩定性,我們更傾向於使用石英晶體。內部頻率為3MHz時,時鐘週期應為333ns。此外,8085時鐘每333ns跳動一次,而我們的手錶每秒跳動一次。8085微處理器的時鐘週期稱為T狀態,其中t代表定時。
8085內部操作所需的最小頻率為500kHz,即1MHz。但需要注意的是,在低頻下,暫存器中的所有資訊都會丟失。這是因為暫存器本質上是動態的,是隨機存取儲存器的單元,需要持續重新整理。
狀態訊號IO/M*,S1和S0:我們需要五個機器週期來執行操作過程。每個機器週期執行特定的操作,例如從記憶體讀取和寫入。一個特定的機器週期需要固定的時鐘週期,最小為三個時鐘週期。我們稱第一個時鐘週期為T1,第二個為T2,這裡的時間週期為T。
狀態訊號IO/M*描述了8085微處理器執行的機器週期型別。這些狀態訊號在第一個機器週期的T1階段由8085處理器發出。

資料結構
網路
關係資料庫管理系統 (RDBMS)
作業系統
Java
iOS
HTML
CSS
Android
Python
C語言程式設計
C++
C#
MongoDB
MySQL
Javascript
PHP