有載和無載分壓器
分壓器或分壓電路是一個串聯電路,用於從單個電壓源提供多個降低的電壓。
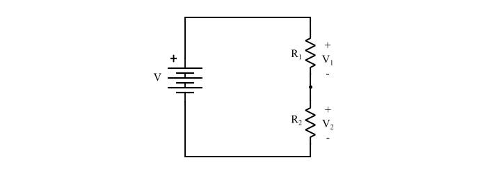
考慮如下所示的分壓器電路,其中從V伏特的單個輸入電壓源獲得兩個降低的電壓V1和V2。由於沒有負載連線到電路,因此稱為無載分壓器。

參考無載分壓器的電路圖:
$$\mathrm{電路電流,I= \frac{V}{R_{1}+{R_{2}}}=\frac{V}{R_{eq}}}\:\:\:… (1)$$
其中,Req=R1 + R2= 分壓器的總電阻
因此,
$$\mathrm{V_{1}=IR_{1}=\frac{V}{R_{eq}}×R_{1}=V\frac{R_{1}}{R_{eq}}}\:\:\:… (2)$$
$$\mathrm{V_{2}=IR_{2}=\frac{V}{R_{eq}}×R_{2}=V\frac{R_{2}}{R_{eq}}}\:\:\:… (3)$$
因此,公式(2)和(3)表明,在無載分壓器中,任何電阻上的電壓降等於總電源電壓乘以該電阻值與總電阻的比率。
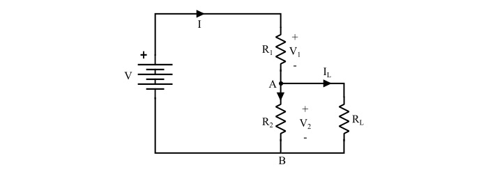
有載分壓器
當負載電阻RL連線到分壓器的輸出端時,該分壓器被稱為有載分壓器。

由於這個RL,輸出電壓(在本例中為V2)會降低一定量,這取決於RL的值。這是因為負載電阻RL與R2並聯,降低了負載端子(此處為A和B)之間的有效電阻,因此輸出電壓降低。分壓器的載入具有以下影響:
輸出電壓會根據負載電阻RL的值而降低。
連線負載電阻後,分壓器電路變成了一個串並聯電路。因此,電路的總電阻降低了。
由於電路的總電阻降低,電路電流增加。
數值示例
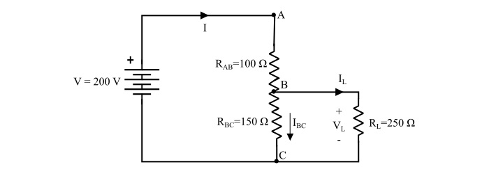
在下圖所示的分壓器電路中,確定以下各項:

- 電源汲取的總電流
- 負載電阻上的電壓
- 流過RL的電流
- 分接部分的電流。
解答
給定分壓器的等效電阻為:
$$\mathrm{R_{BC\:eq}=(R_{BC}\:||\:R_{L})=\frac{150 × 250}{150 + 250}= 93.75 Ω}$$
$$\mathrm{∴R_{eq}=R_{AB}\:+\:R_{BC\:eq}= 100 + 93.75 = 193.75 Ω}$$
電源汲取的總電流
$$\mathrm{I=\frac{V}{R_{eq}}=\frac{200}{193.75}= 1.032 A}$$
負載電阻上的電壓
$$\mathrm{V_{L}=V×\frac{R_{BC\:eq}}{R_{eq}}= 200 ×\frac{93.75}{193.75}= 96.77 Ω}$$
流過RL的電流
$$\mathrm{I_{L}=\frac{V_{L}}{R_{L}}=\frac{96.77}{250}= 0.387 A}$$
分接部分的電流
$$\mathrm{I_{Bc}=I-I_{L}=1.032 − 0.387 = 0.645 A}$$
資料結構
網路
關係資料庫管理系統 (RDBMS)
作業系統
Java
iOS
HTML
CSS
Android
Python
C語言程式設計
C++
C#
MongoDB
MySQL
Javascript
PHP