8085中的狀態檢查資料傳輸
狀態檢查資料傳輸過程比簡單的資料傳輸複雜得多。我們使用這種方法是在缺乏關於包含時序特性的輸入輸出裝置的準確知識時使用。處理器接收關於輸入輸出裝置是否準備好執行資料傳輸的狀態資訊。通常,處理器會參與檢查迴圈,以使裝置準備好。當裝置準備好用於執行取決於需求的IN或OUT指令時,裝置會從迴圈中釋放出來。下面顯示的流程圖將幫助我們瞭解簡單輸入輸出過程的整個過程。

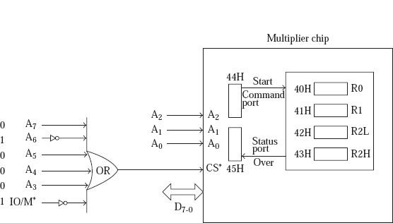
地址A2、A1和A0的引腳始終選擇如下所示的暫存器。
| A2 | A1 | A0 | 選定的暫存器 |
|---|---|---|---|
| 0 | 0 | 0 | R0 |
| 0 | 0 | 1 | R1 |
| 0 | 1 | 0 | R2L(乘積的低位元組) |
| 0 | 1 | 1 | R2H(乘積的高位元組) |
| 1 | 0 | 0 | 命令暫存器 |
| 1 | 0 | 1 | 狀態暫存器 |
假設連線的晶片是作為I/O對映的輸入輸出的對映,如下圖所示。根據晶片選擇的電路,R0、R1、R2L、R2H、命令暫存器和狀態暫存器的地址分別為40H、41H、42H、43H、44H和45H。
除了設定過程之外,以下程式段執行05H和08H的乘法,結果儲存在BC暫存器對中。

廣告
資料結構
網路
關係資料庫管理系統
作業系統
Java
iOS
HTML
CSS
Android
Python
C語言程式設計
C++
C#
MongoDB
MySQL
Javascript
PHP