8085 中的基本或簡單資料傳輸
最簡單的資料傳輸方式是基本或簡單資料傳輸。當我們對輸入輸出裝置的定時特性有準確瞭解時,這種方法對我們有利。當我們熟悉該裝置可傳輸資料後,我們會執行指令 IN 和 OUT,具體取決於所需的資料傳輸方向。在這種情況下,當輸入輸出埠作為 I/O 對映的 I/O 埠連線到系統中時。如果我們將埠連線為記憶體對映 I/O 埠,則將使用“MOV M, A”、“MOV A, M”或任何其他記憶體引用指令,具體取決於資料傳輸的方向。
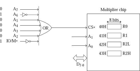
| A1 | A0 | 選定暫存器 |
| 0 | 0 | R0 |
| 0 | 1 | R1 |
| 1 | 0 | R2L(乘積的低位元組) |
| 1 | 1 | R2H(乘積的高位元組) |
舉一個我們有一個假設乘數晶片的例子。我們使用暫存器 R0 和 R1 來載入兩個 8 位數以進行相乘。當整個乘法過程完成後,16 位乘積將出現在 R2H 和 R2L 中。地址引腳 A1 和 A0 選擇暫存器,如下所示。

廣告
資料結構
網路
RDBMS
作業系統
Java
iOS
HTML
CSS
Android
Python
C 程式設計
C++
C#
MongoDB
MySQL
Javascript
PHP