8255 可程式設計外設介面晶片
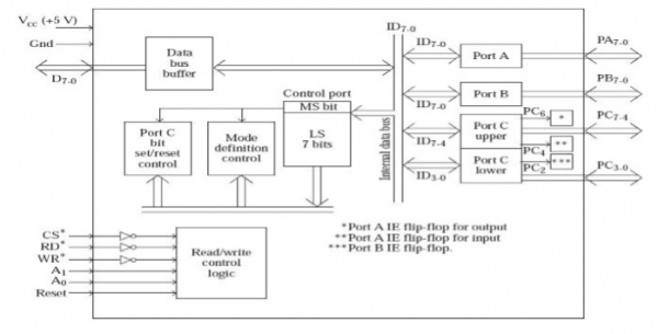
Intel 8255 是一款可程式設計的外設介面 (PPI) 晶片。它用於連線外設和介面。我們將外設也稱為輸入輸出裝置。我們使用輸入輸出埠連線輸入輸出裝置。因此,8255 是一款可程式設計的輸入輸出埠晶片。它是一款 40 引腳晶片,可用於雙列直插封裝。其工作需要 +5 伏直流電源。它包含兩個 8 位的可程式設計輸入輸出埠和兩個 4 位的可程式設計輸入輸出埠。我們分別稱它們為埠 A、埠 B、埠 C 上半部分和埠 C 下半部分。當這些引腳被程式設計為輸出引腳時,它們會在 1.5V 時提供 1mA 的電流。

8255 的引腳圖如下所示:

我們對埠 C 上半部分和埠 C 下半部分進行定址,使它們構成一個唯一的 8 位埠。因此,我們將埠 C 分成 2 個 4 位的部分。因此,我們將埠 C 下半部分程式設計為輸入,埠 C 上半部分程式設計為輸出。

給出了埠選擇邏輯,其中輸出由我們設定為邏輯 1,並將其重置為邏輯 0。
8255 執行三種操作模式,分別是模式 0、模式 1 和模式 2。我們將模式 0 稱為簡單輸入輸出或基本輸入輸出,用於執行最簡單的操作模式。8255 的每個埠都可以被程式設計為在模式 0 下工作。我們將模式 1 稱為鎖存輸入輸出或握手輸入輸出。當資料以不規則的時間間隔由微處理器提供給輸入裝置時,它很有用。最後,當資料被處理器讀取時,埠通知輸入裝置處理器已經讀取了資料。
下表顯示瞭如何在 8255 中進行埠選擇。
| A1 | A0 | 所選埠 |
|---|---|---|
| 0 | 0 | 埠 A |
| 0 | 1 | 埠 B |
| 1 | 0 | 埠 C |
| 1 | 1 | 控制埠 |
此外,任何被程式設計為輸出的埠 C 線路都可以使用埠 C 的單位元置位/復位功能設定為邏輯 1 或重置為邏輯 0。此功能減少了基於控制的應用程式中的軟體需求。此功能僅針對埠 C 提供。此功能還用於啟用/停用來自 8255 埠的中斷。
這三個埠的功能由控制埠的內容決定。控制埠只能由微處理器寫入。Intel 8085 無法讀取它。因此,有三個埠可用於 I/O 操作,以及一個控制埠來控制這些埠的功能。8255 內部的埠透過地址輸入引腳 A1 和 A0 由 8085 選擇進行通訊,如上表所示。資料傳輸的方向由 RD* 和 WR* 輸入訊號決定。當然,在選擇 8255 內部的埠之前,必須首先透過啟用 CS* 訊號來選擇 8255 晶片。例如,當 CS* = 0、WR* = 0、A1 = 1 和 A0 = 1 時,控制埠被寫入 8085 在 8255 的 D7-0 引腳上傳送的內容。因此,A1 和 A0 以及 RD*、WR* 和 CS* 決定了 8085 與 8255 通訊的方式。

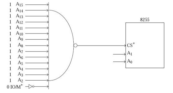
8255 可以連線到微型計算機系統中,作為記憶體對映 I/O 或 I/O 對映 I/O。假設我們希望 8255 連線為 I/O 對映 I/O,埠 A、埠 B、埠 C 和控制埠的地址分別為 20H、21H、22H 和 23H。然後,一個可能的晶片選擇電路如圖所示。在此圖中,A7-0 可以代替 A15-8 使用。
類似地,假設我們希望 8255 連線為記憶體對映 I/O,埠 A、埠 B、埠 C 和控制埠的地址分別為 FFFCH、FFFFH、FFFEH 和 FFFFH。然後,一個可能的晶片選擇電路如圖所示。在此圖中,A7-0 是使用 8212 或 74LS373 作為地址鎖存器生成的地址的低位元組。

資料結構
網路
RDBMS
作業系統
Java
iOS
HTML
CSS
Android
Python
C 程式設計
C++
C#
MongoDB
MySQL
Javascript
PHP