- 命名一種測量電路中電流的儀器。
定義電流的單位。 - 電路圖中下列符號分別代表什麼?

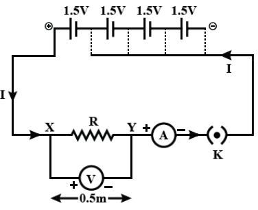
- 一個由0.5米長的鎳鉻合金線XY組成的電路
\n
定義電流的單位。

(a) 測量電路中電流的儀器稱為“安培表”。電流的單位是安培 (A)。1 安培是由1庫侖的電荷在1秒內透過電路中任意一點的電流。
(b) 電路圖中下列符號的含義是:
(i) 可變電阻或變阻器。
(ii) 插頭開關或開關(閉合)。
(c) (I)

(c) (ii) 以下是V和I值之間的關係圖

在0.8V的電壓下,
$\frac {V}{I}=$\frac {0.8}{0.3}=$\frac {8}{3}$
在1.2V的電壓下,
$\frac {V}{I}=$\frac {1.2}{0.45}=$\frac {8}{3}$
在1.6V的電壓下,
$\frac {V}{I}=$\frac {1.6}{0.6}=$\frac {8}{3}$
結論:如果I是XY電阻中的電流,V是其兩端的電壓差,則比值$\frac {V}{I}=常數。
$\Rightarrow V\propto I$,並且遵循歐姆定律。
廣告
資料結構
網路
關係資料庫管理系統 (RDBMS)
作業系統
Java
iOS
HTML
CSS
Android
Python
C語言程式設計
C++
C#
MongoDB
MySQL
Javascript
PHP